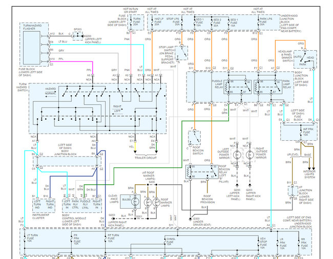
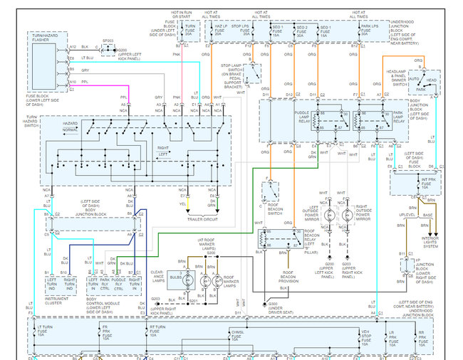
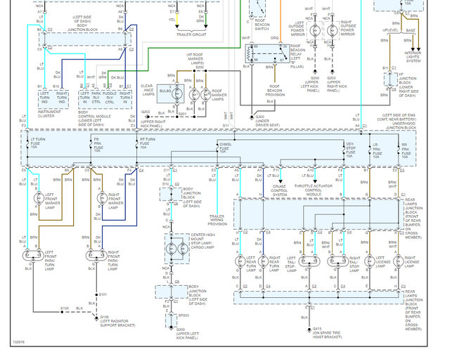
So, i have a situation with my blinkers. Whenever it is dark out, my blinkers and hazards don't work. What might be the issue with this? I have aftermarket LEDs for the bulbs.
Apr 1, 2019 at 5:40 PM




