Blinker wiring diagrams

2000 DODGE DURANGO
130,000 MILES • V8 • 4WD • AUTOMATIC
Avatar
JOSEPHTAYLOR
  • MEMBER
  • 1 POST
So my blinker keeps on clicking when the turn signal is off even when the truck is off. I just put a new battery in the truck the day before this started.
Feb 1, 2021 at 9:30 PM
Advertisement
Avatar
KASEKENNY
  • CERTIFIED EXPERT
  • 18,907 POSTS
Just to be sure, are the turn signals flashing as well or do you just hear the clicking?

If you are only hearing the clicking then this is a relay and not necessarily the turn signal relay called a flasher.

The clicking noise that you hear with the turn signal is only there because that is the contacts in the relay that are opening and closing. People have become use to hearing that so now on more modern vehicles that don't use turn signal flashers they have to actually add that in through a speaker.

So let's go to both fuse boxes and touch the relays and see which one is clicking. It will most likely be hot as well.

I attached the info below on this. Let us know which one it is and we can go from there. However, I would replace the relay first as that is the most likely cause of this.

https://www.2carpros.com/articles/how-to-check-an-electrical-relay-and-wiring-control-circuit
Feb 2, 2021 at 4:46 PM
Avatar
JESSIEG
  • MEMBER
  • 1 POST
turn signal lights don't work anymore. they worked off and on but now they don't work at all. the hazard lights still work. is it the flasher, and if so where is it located, under the dash or under the hood.
Mar 11, 2021 at 7:14 PM (Merged)
Advertisement
Avatar
STRAILER
  • CERTIFIED EXPERT
  • 53,855 POSTS
Hello,

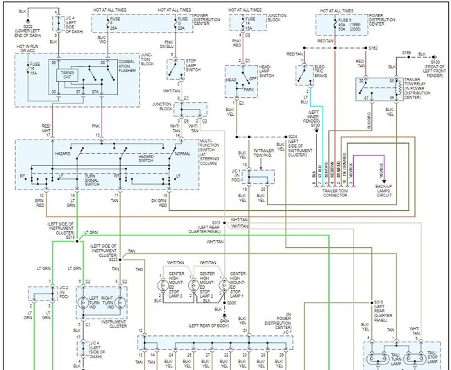
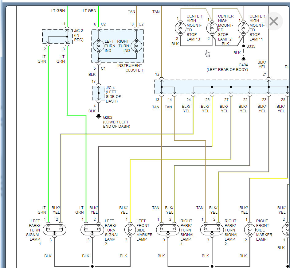
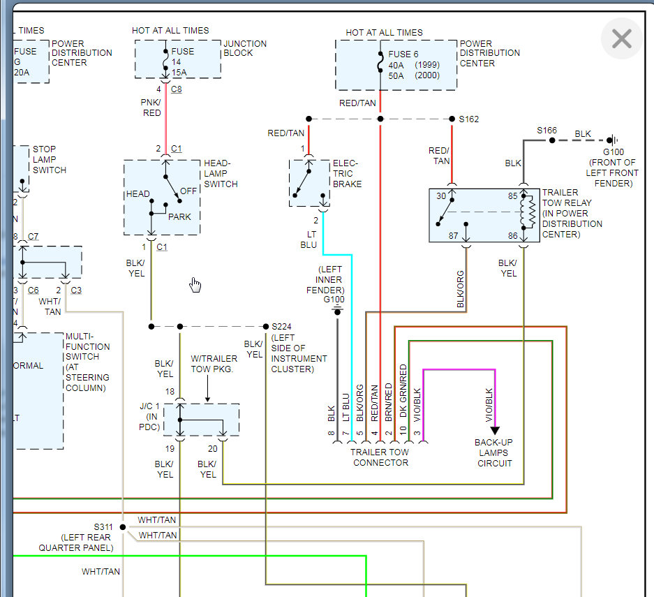
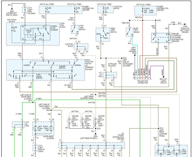
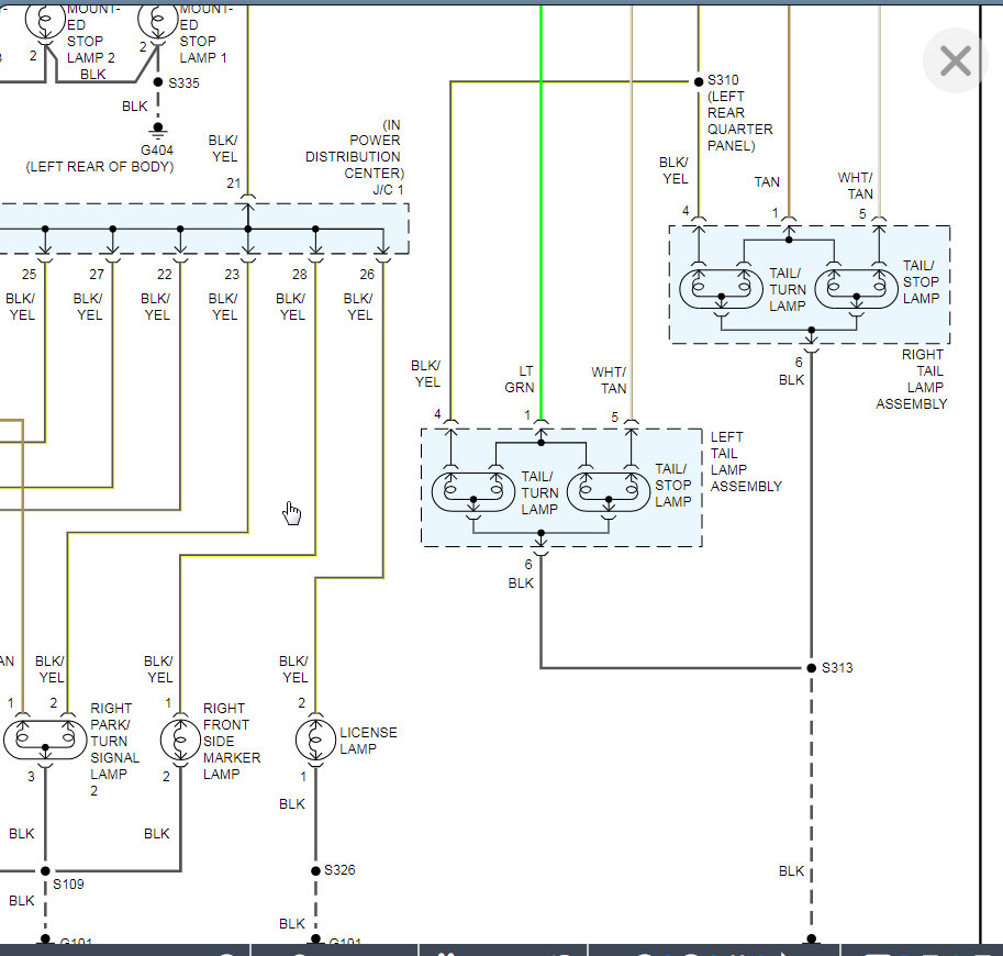
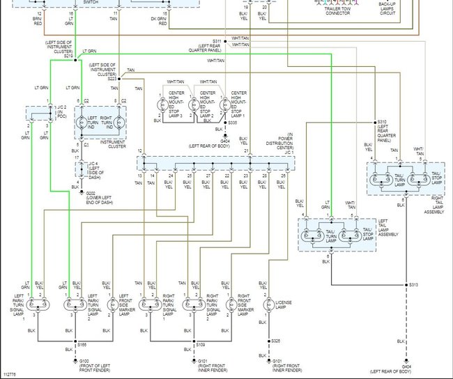
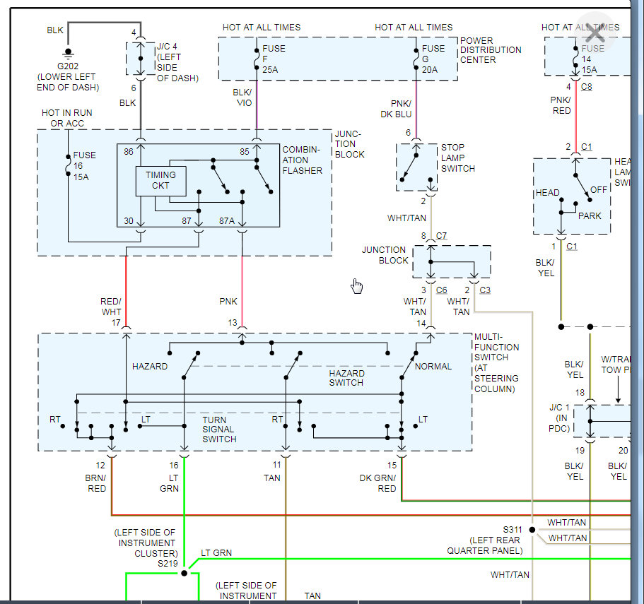
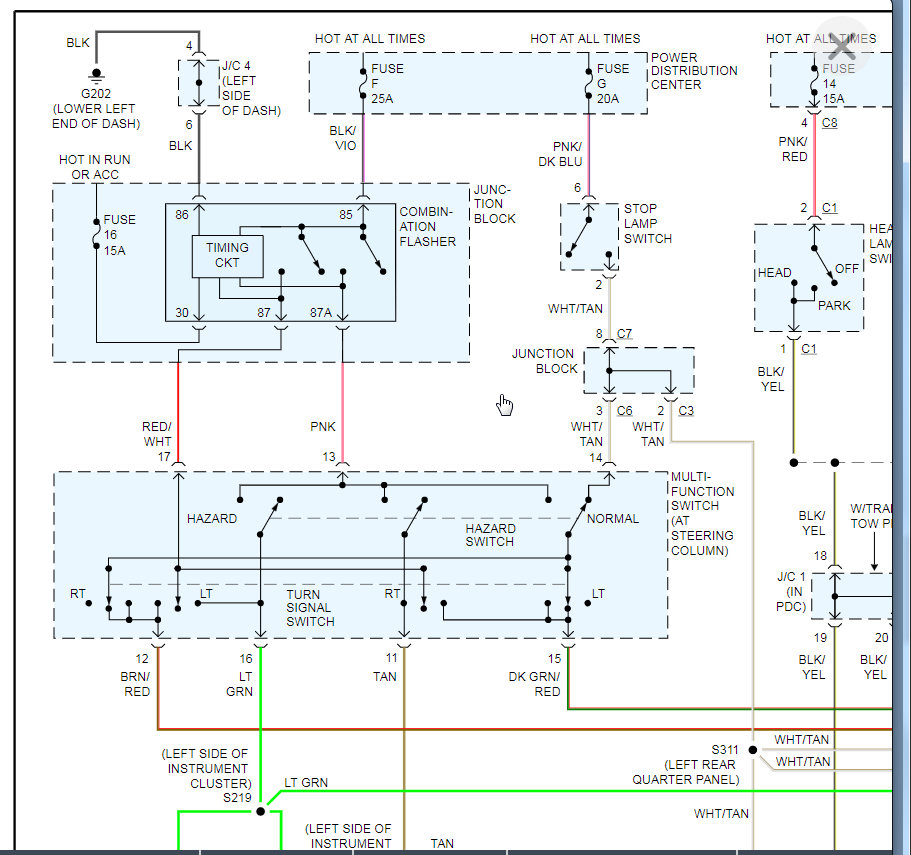
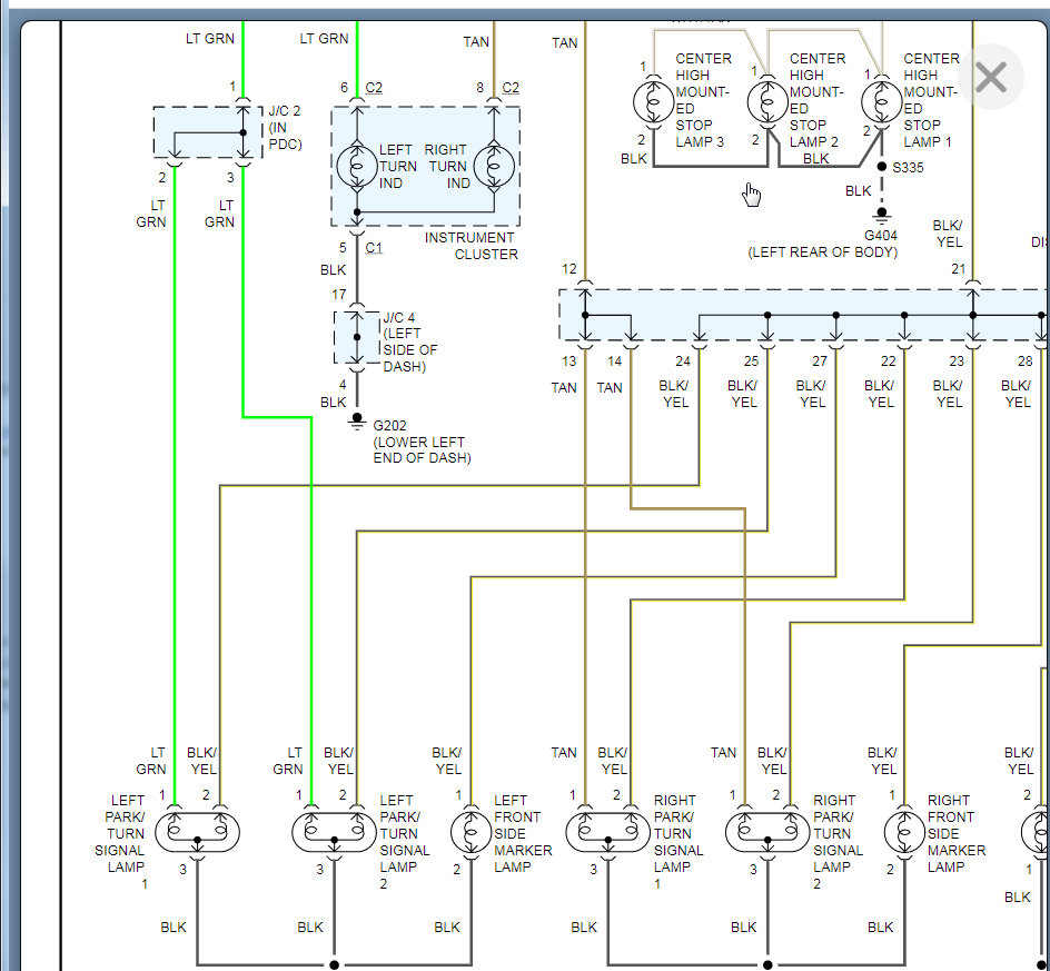
The flasher is in the relay panel behind the end cover at the left side of the instrument panel. diagrams (BELOW)

Here is a complete guide on the relay panels and locations.

Fuse (Amp) Application
A (10) Oxygen Sensors, Leak Detection Pump, Ignition Relay & High/Low Speed Cooling Fan Relay
B (20) Transmission Control Relay
C (20) Fog Lamp Relay, Left/Right Fog Lamp & Daytime Running Lamp Module
D (20) A/C Compressor Clutch Relay, Horn Relay & Headlamp Relay
E (15) Left Headlamp
F (25) Combination Flasher
G (15) Right Headlamp
1 (20) Fuel Pump Relay, Powertrain Control Module & Fuel Pump Module
2 (20) Power Outlet & Rear Power Outlet
3 (30) Automatic Shutdown Relay, Fuel Injectors 1-8 & Ignition Coil
4 (50) Rear Wiper/Defogger Switch
5 (40) Blower Motor Relay, Blower Motor & Power Seat Switch
6 (40) Trailer Tow Relay, Electric Brake & Trailer Tow Connector
6 (50) High/Low Speed Cooling Fan Relay & Radiator Fan Motor
7 (40) Junction Block
8 (40) Controller Anti-Lock Brake
9 (50) Engine Starter Motor Relay & Ignition Switch
10 (40) Ignition Switch

https://www.2carpros.com/articles/how-to-check-an-electrical-relay-and-wiring-control-circuit

and

https://www.2carpros.com/articles/how-to-check-a-car-fuse

Please let us know if you need anything else to get the problem fixed.

Cheers, Ken

Wiring Diagrams attached below as well
Mar 11, 2021 at 7:14 PM (Merged)