Turn signals not working

1998 CHEVROLET TRUCK
178,000 MILES • V8 • 2WD • AUTOMATIC
Avatar
GLENN MARKELL
  • MEMBER
  • 1 POST
Turn signals won’t work but the hazards do.
May 20, 2021 at 1:23 AM
Advertisement
Avatar
STRAILER
  • CERTIFIED EXPERT
  • 53,855 POSTS
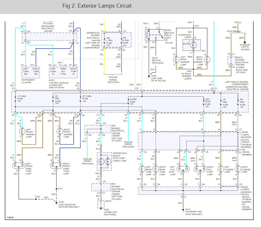
Do the lights stay on but don't blink or the lights not come on at all? here is a guide to help us fix it and the blinker wiring diagrams so you can see how the system works. Have you check the fuses? this guide can help as well with the fuse location in the diagrams below:

https://www.2carpros.com/articles/turn-signals-not-working-blinker

and

https://www.2carpros.com/articles/how-to-check-a-car-fuse

Check out the diagrams (below). Let us know what happens and please upload pictures or videos of the problem.
May 21, 2021 at 9:46 AM