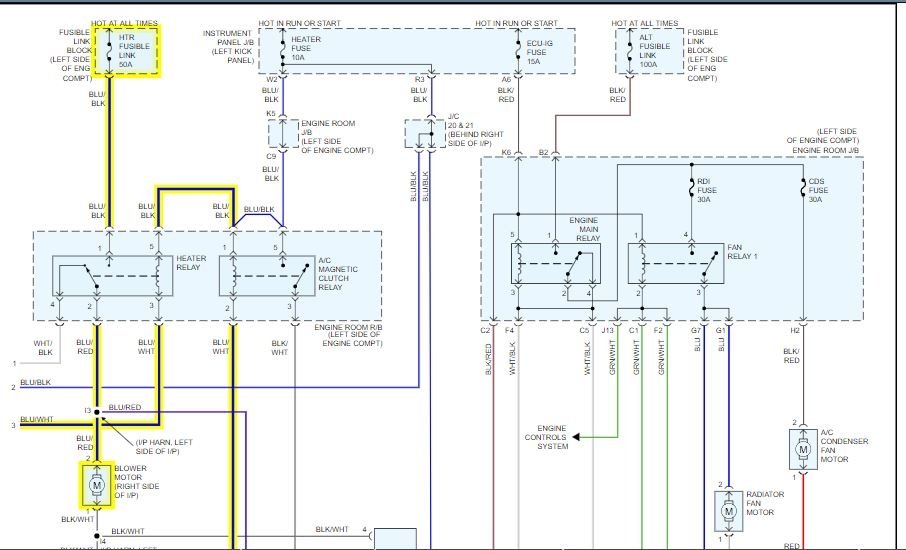
The blower for my car only works in one scenario that I am aware of: when I am driving ~40 MPH or faster with my windows rolled down and the fresh air and auto buttons pressed. (I have tried this while attempting to heat the car, not cool it down.)
Other than that, warm air only leaks out of the vents and I don't believe the blower is on at all.
I do not get any error codes when running the diagnostics.
I can try replacing the resistor if you think it is best to start there. My only other hint is that there might be an issue with the ground since I get feedback through my speakers when pressing the accelerator.
Where should I start?
Thanks
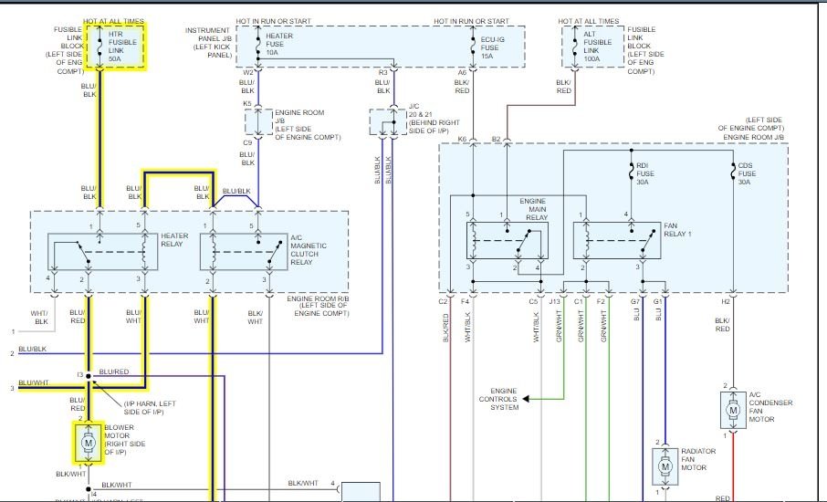
Other than that, warm air only leaks out of the vents and I don't believe the blower is on at all.
I do not get any error codes when running the diagnostics.
I can try replacing the resistor if you think it is best to start there. My only other hint is that there might be an issue with the ground since I get feedback through my speakers when pressing the accelerator.
Where should I start?
Thanks
Jan 16, 2020 at 1:03 AM










