A/C and heater are not working

1994 MITSUBISHI MIGHTY MAX
100,000 MILES • 2.4L • 4 CYL • 2WD • AUTOMATIC
Avatar
PACIFICISLANDER
  • MEMBER
  • 240 POSTS
AC/heater don't come on. need the location of the fuse/relay/resistor before I rule out the blower motor.
May 28, 2021 at 9:47 PM
Advertisement
Avatar
KASEKENNY
  • CERTIFIED EXPERT
  • 18,907 POSTS
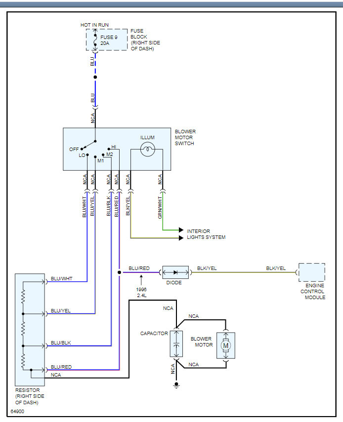
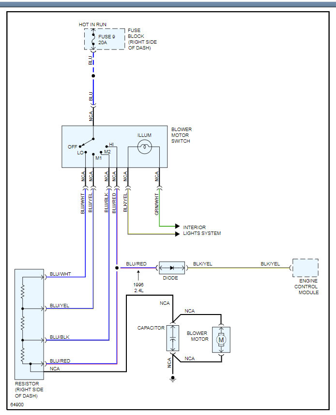
You are going to have a resistor on the right side of this dash. Does the blower work on any speed? Normally if the resistor fails, it will still work on high.

However, this is not always the case so I would just jump 12 volts to the blower motor and see if it comes on. If it does then it is just not getting power.

https://www.2carpros.com/articles/low-or-no-air-flow-from-vents

https://www.2carpros.com/articles/blower-fan-motor-works-on-high-speed-only

You can also check for power at the blower motor using a test light if you want to do it that way as well.

https://youtu.be/Hlna_kUt7As

Below is the wiring diagram. This will show the fuse and resistor which are the two control devices we need to check. They are both on the right side of the dash.

Please run through this material and let us know if you have other questions. Thanks
May 29, 2021 at 7:59 AM
Avatar
PACIFICISLANDER
  • MEMBER
  • 240 POSTS
Still cannot find the resistor.
Jun 1, 2021 at 3:55 PM
Advertisement
Avatar
JACOBANDNICKOLAS
  • CERTIFIED EXPERT
  • 110,175 POSTS
Hi,

It can be in one of two places. First, check under the dash below where the blower motor sits. All you will see is a white plug and two screws that hold it in place.

If it isn't there, check under the hood on the firewall. There isn't anything listed in the manuals, but when I think back, the Dodge Ram 50 was the same truck. We didn't have the ram 50 in 1994, but I know up to at least 1988, they were mounted under the hood on the firewall. . I did find a pic for a 1990 Ram 50 showing it under the dash. I attached a pic. This, for your vehicle, a 1994, is the most likely location.

When looking, it has to be airflow of the blower motor to cool it. Otherwise, it would burn up.

Let us know if this helps.

Joe

See pic.
Jun 1, 2021 at 6:25 PM
Avatar
PACIFICISLANDER
  • MEMBER
  • 240 POSTS
Joe, you always been a great help to me. I found it where the image is. Thank you very much my long distance friend.
Jun 2, 2021 at 7:00 PM
Avatar
JACOBANDNICKOLAS
  • CERTIFIED EXPERT
  • 110,175 POSTS
Hi,

You are very welcome. I'm glad that it helped.

Take good care of yourself!!!

Joe
Jun 2, 2021 at 8:44 PM