My blower motor is not working external resistor or no?

2015 NISSAN ALTIMA
75,000 MILES • 2.5L • 4 CYL • 2WD • AUTOMATIC
Avatar
JCOLLINS011990
  • MEMBER
  • 1 POST
Do these have an external resistor or no? I have already bought two blower motors and it didn't fix the problem. The air flow is on high and you cannot turn it off at all. I assumed blower motor resistor but no one can tell me definitively if these cars have an external one or if it's built into the blower motor assembly.
May 6, 2019 at 1:32 PM
Advertisement
Avatar
STEVE W.
  • CERTIFIED EXPERT
  • 15,116 POSTS
Hello and welcome to 2CarPros. Your vehicle does not use any type of resistor in the blower motor, it uses a Pulse Wave Modulation control signal from the AC amplifier module if this is an automatic system or the front air control if it is a manual control system to control fan speeds using an internal circuit inside the fan. To test if the problem is the controller or the blower motor you will need a simple test light. You should have three wires to the motor itself. A White which is battery voltage, a pink which is the PWM control signal and a black which is ground. To test it get a simple 12 volt test light. Connect the light to a good ground, now unplug the fan connector and with the key on and the fan on, check for a voltage at the pink wire. Turn the fan speed up and down and the light should get brighter and dimmer and if you turn the fan off it should go out. My guess is that it won't as the fan is always on high. If that is the case then the part to replace is either the AC amplifier module or the FAC module. The AC amplifier is located behind the control panel for the HVAC system. The FAC is the control panel on the manual control HVAC system. Here is the location is the diagrams below. They call the blower motor speed control the Auto AMP. Check out the diagrams (Below). Let us know what happens and please upload pictures or videos of the problem.
May 6, 2019 at 3:27 PM
Avatar
RALPH8
  • MEMBER
  • 1 POST
I do not hear a blower running (loud) with AC on or heater on.
May 24, 2021 at 7:18 PM (Merged)
Advertisement
Avatar
BLUELIGHTNIN6
  • CERTIFIED EXPERT
  • 16,542 POSTS
Hello,

It sounds like you have a blower motor that has gone out but to be sure here is a guide to help you see if the blower is the problem are the resistor.

https://www.2carpros.com/articles/blower-fan-motor-works-on-high-speed-only

Please run down this guide and report back.
May 24, 2021 at 7:18 PM (Merged)
Avatar
HSPARKSJR1980
  • MEMBER
  • 2 POSTS
I had this problem and had to replace the blower motor.
May 24, 2021 at 7:18 PM (Merged)
Avatar
BATMAN2K6
  • MEMBER
  • 2 POSTS
how do you check to see if the blower motor resistor is good? 2005 Nissan altama over 150K miles
May 24, 2021 at 7:18 PM (Merged)
Avatar
DANNY L
  • CERTIFIED EXPERT
  • 5,648 POSTS
Hello, I'm Danny.

I've attached a picture below of where the blower motor resistor mounts directly to the actual blower motor on the HVAC box under the dash.Be sure to check for a burnt/melted/corroded/loose type of connection. Hope this helps and thanks for using 2CarPros.
May 24, 2021 at 7:18 PM (Merged)
Avatar
CALDWES34
  • MEMBER
  • 1 POST
I'm working on the car listed above the heat or A/C doesn’t blow any air from vents. I swapped relays, blower motor, and fuses. There’s no resistor for this model. It has 3 wires on the plug and if I ground them I can get the blower to work. I’m not sure if it had power amp. I was assuming it’s the control unit.
May 24, 2021 at 7:19 PM (Merged)
Avatar
JACOBANDNICKOLAS
  • CERTIFIED EXPERT
  • 110,175 POSTS
Hi,

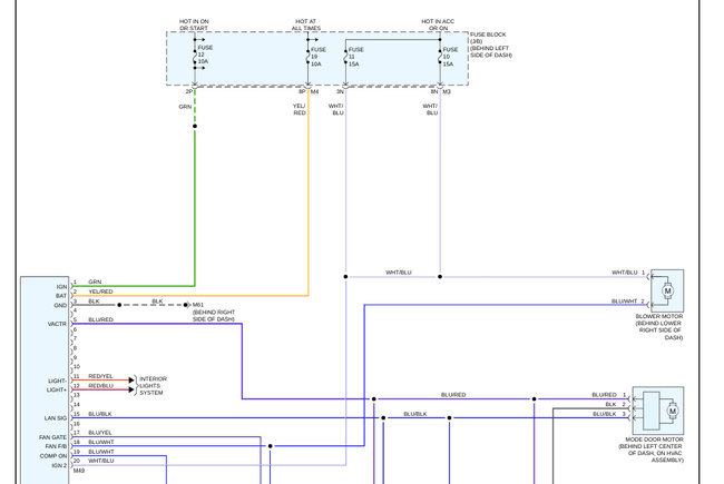
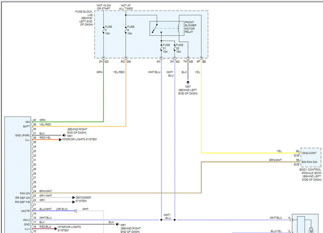
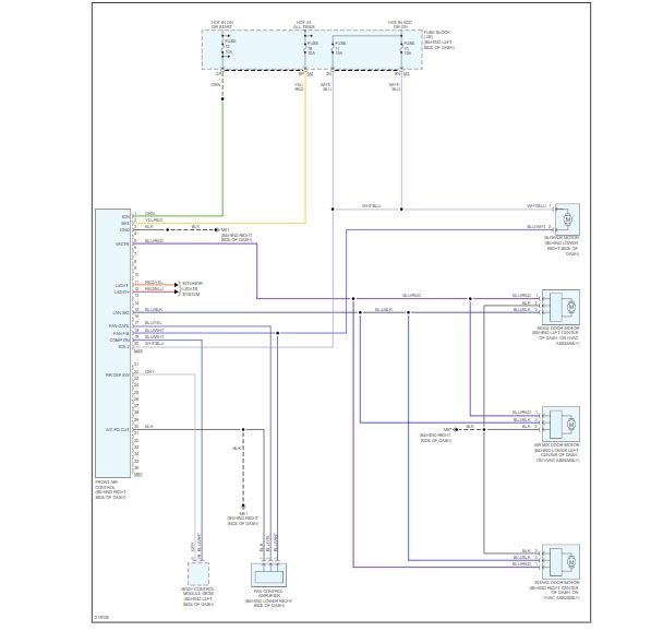
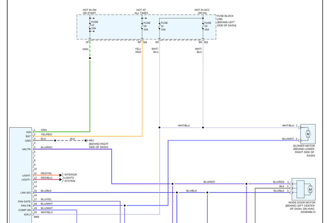
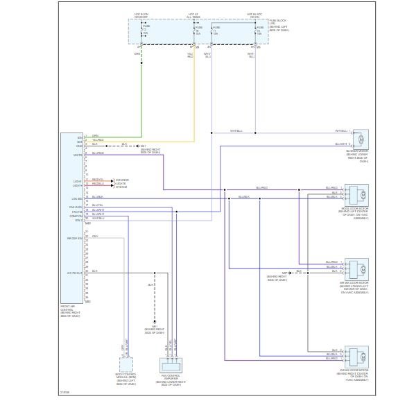
It sounds like the ground is bad. I attached the entire wiring schematic below for a manual system. I had to cut the pic in two to make them readable, but I did overlap them so you can follow them.

In the second pic, I highlighted the three wires to the blower. Using a test light, see if there is power going to the white/blue and the blue/yellow wire. Make sure the test light has a good ground. If you find there is power, then confirm continuity to ground via the black wire in the harness.

Here is a link you may find helpful:

https://www.2carpros.com/articles/how-to-check-wiring

Since you can get the fan to run, it isn't a power issue, so I have a feeling it is a bad ground. If you want, run a jumper for the ground to a known good ground location

Let me know what you find or if you have other questions.

Take care and God Bless,

Joe
May 24, 2021 at 7:19 PM (Merged)
Avatar
SAVANNAHL97
  • MEMBER
  • 2 POSTS
The heat nor air was working so we replaced the blower resister. The heat worked for about an hour once replaced. Now, the heat is not working again. Any suggestions for what else it could be?
May 24, 2021 at 7:19 PM (Merged)
Avatar
ASEMASTER6371
  • CERTIFIED EXPERT
  • 52,796 POSTS
The most common reason for blower resistor failure is too much current draw from the blower motor. When this happens we always replace the blower and resistor together.

If you have a meter with an amp clamp, check the draw of the blower motor on high and see what the reading is..

Check it and report back to us with your results.

Roy
May 24, 2021 at 7:19 PM (Merged)
Avatar
SAVANNAHL97
  • MEMBER
  • 2 POSTS
My boyfriend looked at it again to see if he could fix it. He said he wiggled something and it started working again, so I am guessing whatever he wiggles, was not pushed in all the way. So far it is working as good as new. Thanks for your advice Roy. If I have anymore problems, I will test it and we will go from there.
May 24, 2021 at 7:19 PM (Merged)
Avatar
ASEMASTER6371
  • CERTIFIED EXPERT
  • 52,796 POSTS
Sounds good.

You are welcome.

Roy
May 24, 2021 at 7:19 PM (Merged)
Avatar
BATMAN2K6
  • MEMBER
  • 2 POSTS
My blower was working for a whole year and some change and it would never turn off. Last week it came on and just went off and has not came back on again. I have checked the relays they are all good how would i know if the blower motor resistor gave out or I would have to replace the blower motor?
May 24, 2021 at 7:19 PM (Merged)
Avatar
JACOBANDNICKOLAS
  • CERTIFIED EXPERT
  • 110,175 POSTS
Hi,

Usually when a resister goes bad, you will still have high speed with the blower motor. However, anything is possible.

First, locate the junction box fuse panel in the vehicle. See pic 1.

Next, check fuses 10 and 11 as seen in pic 2.


https://www.2carpros.com/articles/how-to-check-a-car-fuse

If the fuses are good, you need to confirm power the the resister. See pic 3. To do this, follow pic 4.

Here are a few links you may find helpful:

https://www.2carpros.com/articles/how-to-check-wiring

If there is power, then you need to check if power is making its way through the resister and to the motor. Check the power wire going to the motor. If power doesn't exit the resister, replace the resister.

If there is no power to the resister and the fuses are good, recheck the relays.

https://www.2carpros.com/articles/how-to-check-an-electrical-relay-and-wiring-control-circuit

If the relays are good, then suspect the switch itself is bad which would require you to check for power to it.

If there is power to the resister and it makes it to the motor, replace the blower motor.

https://www.2carpros.com/articles/blower-fan-motor-works-on-high-speed-only

Here are directions specific to your vehicle. Keep in mind, access to the motor requires removal of the glove box.

Removal and Installation

REMOVAL
1. Remove the blower unit. Refer to "Removal and Installation"

2. Release the eight tabs attaching blower motor to blower unit case and then remove it.

INSTALLATION
Installation is in the reverse order of removal.

Check out the diagrams (Below). Please let us know what you find.
May 24, 2021 at 7:19 PM (Merged)
Avatar
JBARNETTE15
  • MEMBER
  • 2 POSTS
My blower won't turn off, however it won't blow the air like it should. I can have it on max and it feels like it is on low.
May 24, 2021 at 7:19 PM (Merged)
Avatar
ASEMASTER6371
  • CERTIFIED EXPERT
  • 52,796 POSTS
Good afternoon,

The most common issue is the amplifier in the circuit.......................

Do you have a voltmeter to do some testing?

Roy
May 24, 2021 at 7:19 PM (Merged)
Avatar
ASEMASTER6371
  • CERTIFIED EXPERT
  • 52,796 POSTS
With the key on, can you verify power to the blower motor on the connector? Back probe the motor and you should have battery voltage on both terminals.

https://www.2carpros.com/articles/how-to-check-wiring

Roy
May 24, 2021 at 7:19 PM (Merged)
Avatar
BRENDA SALTER
  • MEMBER
  • 1 POST
No air is blowing out why?
May 25, 2021 at 11:22 AM (Merged)
Avatar
TOUGHDIVER
  • CERTIFIED EXPERT
  • 224 POSTS
Hi,

It could be the (Heater Fan Control Amplifier) check the heater blower motor fuses 10, 11, 12, and 19 their shown in the diagram below and check power at the blower motor. I'm attaching repair guides, component locations and wiring diagrams below for you to reference . Let us know if you need more information and what fixed the car.

https://www.2carpros.com/articles/how-to-check-a-car-fuse

https://www.2carpros.com/articles/how-to-check-wiring

Thank you
Joe T.
May 25, 2021 at 11:22 AM (Merged)