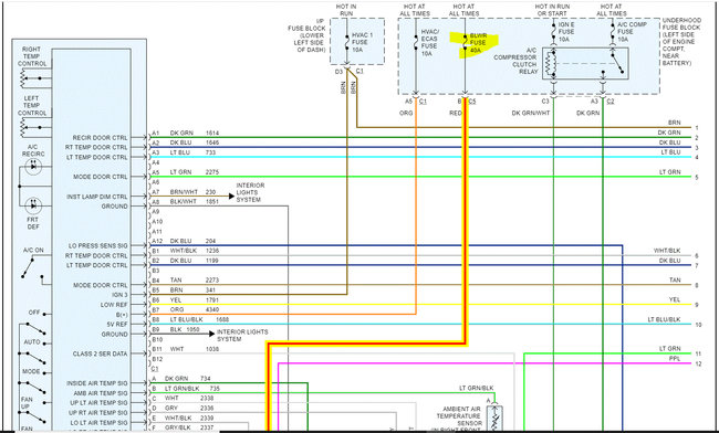
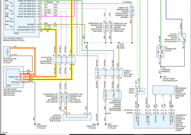
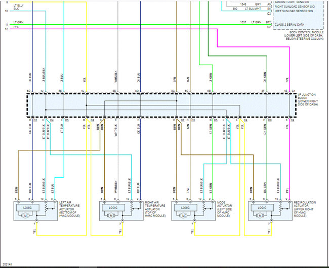
So yesterday when stopping at a corner store all my front air vents, all of a sudden just started to blow out hot air and I mean it was hot now keep in mind that the A/C wasn't even on because it hasn't even been working since June. this is besides the point just haven't had the time not a big issue for me right at the moment, I have a problem is more important. Anyhow 98° outside all windows down, truck was in park. I immediately try to set the dual controls to a higher temperature thought maybe the thermostat was stuck and below 65°. I tried to put them on like 72-ish that didn't work it still was blowing out air and t it was coming out fast too like I even tried turning down the speed of which it was blowing out sounded so windy it wouldn't even let me like turn down the speed of which the wind was coming. I instantly drove it home, when I got home after letting the engine cool off a little bit I immediately took out the blower motor fuse. Waited a while and replaced the fuse, but the same problem, it continues to blow not only out air but hot air.. Also did I mention, that even with turning the engine off on my truck it continued to blow out air/heat. This is why I'm guessing it's not just a fuse problem or simply just the blower motor.. someone please help
Jul 28, 2021 at 7:50 AM








