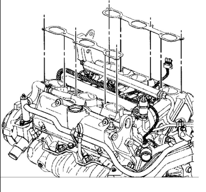
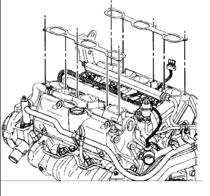
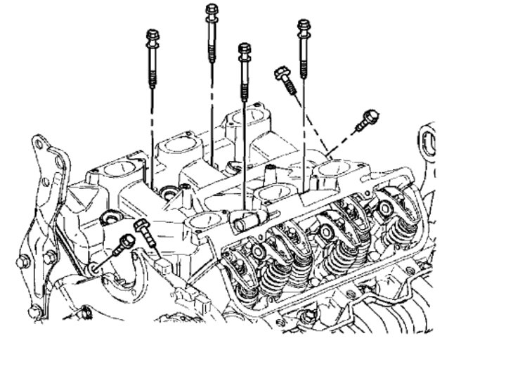
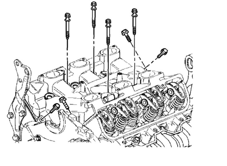
Was wondering where i might be able to get detailed repair instructions that are easy to follow so i can repair blown head gasket myself?
Thank you. Your help would be much appreciated.
Thank you. Your help would be much appreciated.
Sep 10, 2017 at 2:32 AM




















