Blown out 2 blower resistors

2002 ACURA TL
199,800 MILES • 3.2L • V6 • 2WD • AUTOMATIC
Avatar
DUDEROCK
  • MEMBER
  • 11 POSTS
Blown out 2 blower resistors. The main screen on the center console don't work. Pushing the auto and off buttons I get err E1, so where do I go? blown 2 resistors. Replaced wiring from resistor to blower, only code is E1.
Apr 9, 2021 at 3:38 PM
Advertisement
Avatar
ASEMASTER6371
  • CERTIFIED EXPERT
  • 52,796 POSTS
Good evening,

The blower motor should be replaced. It sounds like it is drawing too much current and it overheating and failing the resistor.

https://www.2carpros.com/articles/blower-fan-motor-works-on-high-speed-only

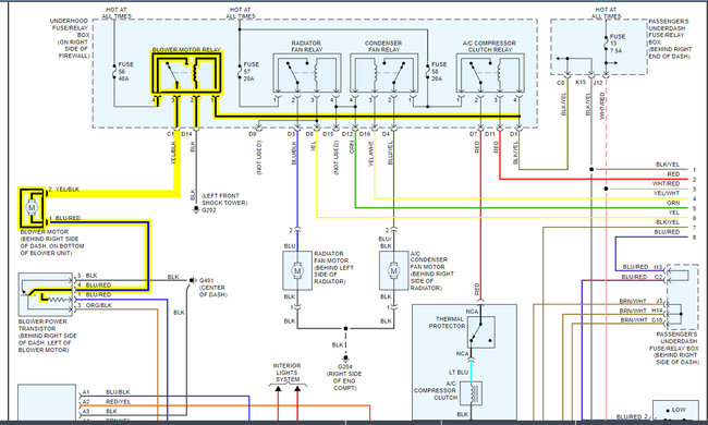
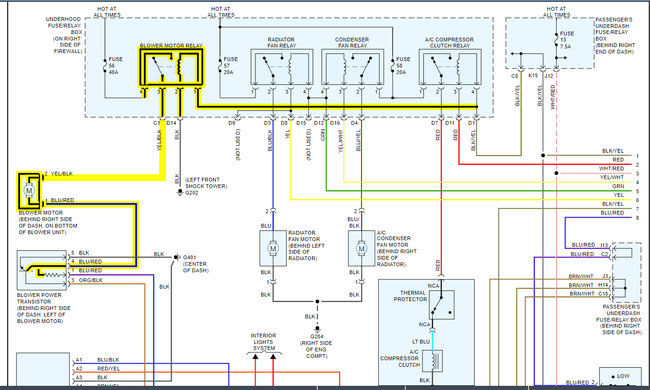
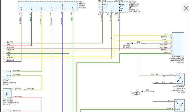
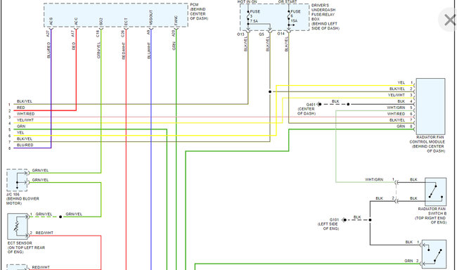
I attached a wiring diagram for you.

https://www.2carpros.com/articles/how-to-check-wiring

https://www.2carpros.com/articles/how-to-use-a-voltmeter

Roy
Apr 9, 2021 at 3:53 PM
Avatar
DUDEROCK
  • MEMBER
  • 11 POSTS
The blower motor is pulling 7 amps running 8.5 starting.
Apr 9, 2021 at 4:33 PM
Advertisement
Avatar
ASEMASTER6371
  • CERTIFIED EXPERT
  • 52,796 POSTS
Okay, how is it working with failed resistors?

What speed is that measurement from?

Roy
Apr 9, 2021 at 4:42 PM
Avatar
DUDEROCK
  • MEMBER
  • 11 POSTS
With engine running out amp meter on wires to motor as soon as you turn on automatic the blower starts. That's when I get my reading and there is no speed control on automatic. If you bypass the resistor briefly you can check motor and wiring.
Apr 9, 2021 at 5:09 PM
Avatar
ASEMASTER6371
  • CERTIFIED EXPERT
  • 52,796 POSTS
I would still replace the blower and the resistor together.

Roy
Apr 9, 2021 at 5:11 PM
Avatar
DUDEROCK
  • MEMBER
  • 11 POSTS
Okay, I'll get another blower.
Apr 9, 2021 at 5:15 PM
Avatar
ASEMASTER6371
  • CERTIFIED EXPERT
  • 52,796 POSTS
Keep us updated.

Roy
Apr 9, 2021 at 5:18 PM
Avatar
DUDEROCK
  • MEMBER
  • 11 POSTS
I will. they had to order it at over $70.00 with no wheel.
Apr 9, 2021 at 5:22 PM
Avatar
ASEMASTER6371
  • CERTIFIED EXPERT
  • 52,796 POSTS
That is a bad price. I attached the parts from Rock Auto for you.

Roy

Apr 9, 2021 at 5:27 PM
Avatar
DUDEROCK
  • MEMBER
  • 11 POSTS
Got the motor installed it gave the car to customer and told her to cross her fingers. If any more trouble I will be back.
Apr 10, 2021 at 6:13 PM
Avatar
ASEMASTER6371
  • CERTIFIED EXPERT
  • 52,796 POSTS
Did you replace the resistor with it as well?

Roy
Apr 10, 2021 at 7:30 PM
Avatar
DUDEROCK
  • MEMBER
  • 11 POSTS
Yes, at a cost of $116.00 plus my time.
Apr 10, 2021 at 10:41 PM