Instrument cluster not working

2000 BMW Z3
Avatar
HELIPIL0T
  • MEMBER
  • 3 POSTS
In a morning the rev / temp / fuel gauges do not work everything else is fine !! drive 3 - miles with the car now warmed up stop and restart all gauges work as normal any ideas please.
Oct 18, 2010 at 8:36 AM
Advertisement
Avatar
DOCHAGERTY
  • CERTIFIED EXPERT
  • 9,603 POSTS
Hello,

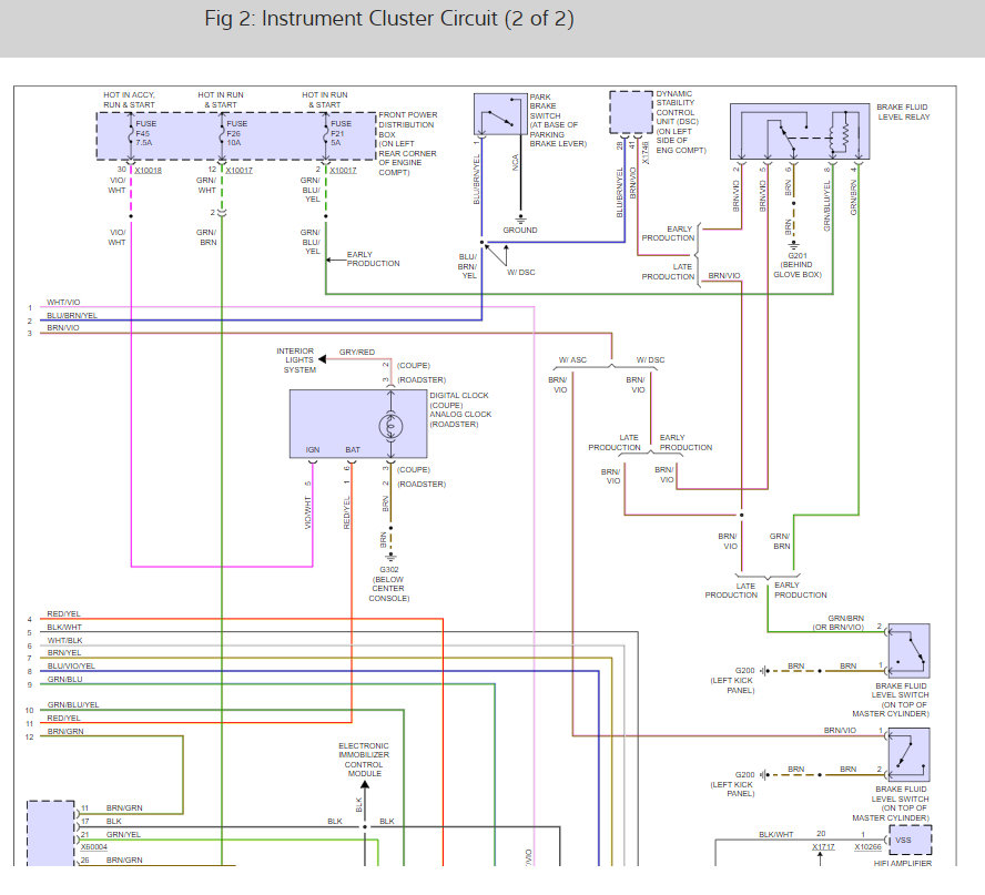
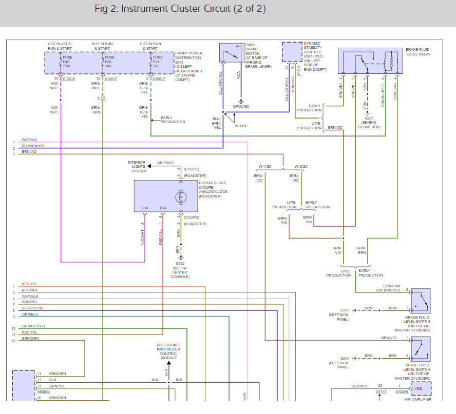
There are 7 fuses that run the cluster here is a guide to help you check them and the fuse locations with the instrument cluster wiring diagrams so you can see which fuses to check and how the system works.

https://www.2carpros.com/articles/how-to-check-a-car-fuse

Check out the diagrams (Below). Please let us know what happens.
Oct 18, 2010 at 9:18 AM
Avatar
HELIPIL0T
  • MEMBER
  • 3 POSTS
I have tried that the fuel gauge gives a little movement then goes back to zero, Once i have run for a few miles and the interior of the car is warm on a restart all works fine, i know it sounds stupid but it appears to be temperature related.
Oct 18, 2010 at 9:21 AM
Advertisement
Avatar
DOCHAGERTY
  • CERTIFIED EXPERT
  • 9,603 POSTS
I agree, temperature seems to be a factor. I have access to a spare cluster, if I were the repairing technician, I would swap them to see if the issue remains. How shall we proceed?
Oct 18, 2010 at 9:26 AM
Avatar
HELIPIL0T
  • MEMBER
  • 3 POSTS
would i not have a problem swapping the cluster as i believe it has to be reprogrammed by a BMW dealer, also it is a six cylinder model and this is different to the standard 1.9 with the red line settings on the tacho ( or so i have been told :-) )
Oct 18, 2010 at 9:31 AM
Avatar
DOCHAGERTY
  • CERTIFIED EXPERT
  • 9,603 POSTS
There is a difference in the clusters, and swapping them temporarily is not going to cause problems, just dont drive the car more than around the block. If you do swap the clusters, the only real downside is the manipulation dot will illuminate. It is a red LED in the odometer area. Recoding an already dedicated cluster to your car is not possible, but like I said, the downside is simply the manipulation dot will be on.
Oct 18, 2010 at 9:41 AM
Avatar
CMCCOLL
  • MEMBER
  • 1 POST
Hi HELIPOLOT,

I resolved the problem with my z3 instrument gauges not working when cold, I replaced the cluster all fixed! Cost me $340.00
Apr 16, 2017 at 6:56 AM
Avatar
JACOBANDNICKOLAS
  • CERTIFIED EXPERT
  • 110,175 POSTS
Welcome back:

Glad to hear you got it fixed. Let us know if you have questions in the future.

Take care,
Joe
Nov 23, 2018 at 4:12 PM