Hi,
I hope I got the right one. I went with a 5.3L 4wd. If that is wrong, let me know.
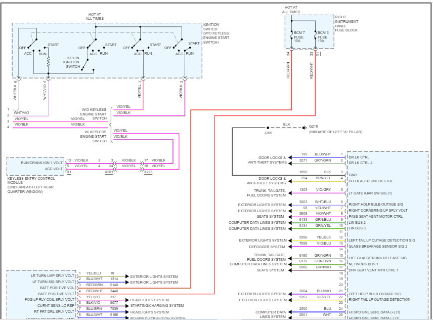
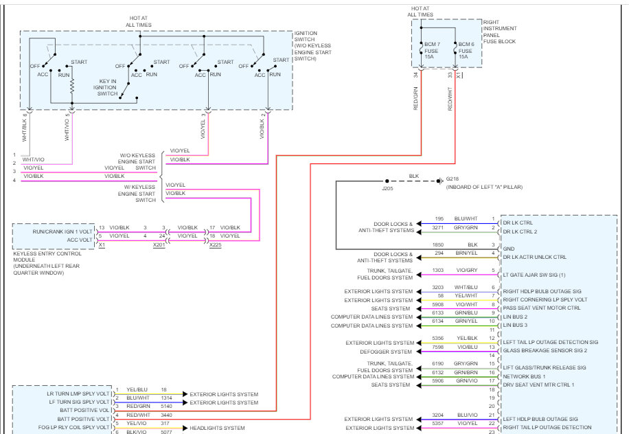
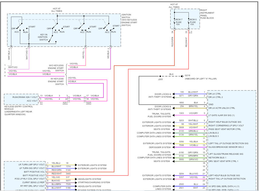
As far as the information, the first pics are the wiring schematics. I had to cut each pin in half to make them readable.
The remaining pics are the connector views and what each pin is used for. Note: There are several.
Let me know if this helps.
Take care,
Joe
See pics below.
Images (Click to enlarge)
Oct 30, 2022 at 9:34 PM