☰
Login
Join
×
Home
Answered Questions
Repair Topics
Repair & Service Guides
Popular Questions
Warning Lights
Trouble Codes
How It Works
Testing / Diagnostics
Symptoms
Videos
Login
Become a Member
Home
Ford
Thunderbird
Engine
Vacuum Hose Diagram
Booster line and vacuum line diagram?
1987 FORD THUNDERBIRD
87,000 MILES • 2.3L • 4 CYL • TURBO • 2WD • MANUAL
JOHNFITZMORRIS51
MEMBER
1 POST
FOLLOW
I need to track down all the lines
Jan 8, 2026 at 12:56 PM
Advertisement
CARADIODOC
CERTIFIED EXPERT
34,308 POSTS
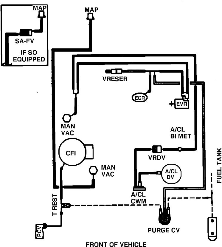
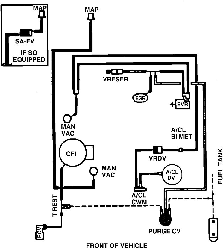
This first diagram is for Brakes and Transmission. Second one is for the cruise control system. Last two are for two versions of the emissions system, CFI and EFI.
Images (Click to enlarge)
Jan 8, 2026 at 1:48 PM