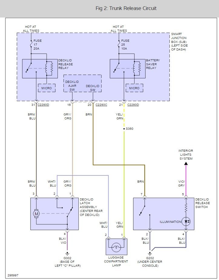
I have a problem where there is no power to the boot/trunk latch activator. I believe the wiring goes to the BEM. I have to take out the front seats and the center consul to get to the BEM. I have checked the actuator by connecting directly to a twelve volt supply and it works okay. There are three wires that go to it. A ground and a positive and also a switch wire. I imagine that the actuator should be powered up all the time and the switch wire breaks the circuit to allow the solenoid to open the latch when the remote button is pushed. There is no loose connections in the trunk/boot. There is no voltage at the positive and ground connection. The wiring disappears in behind the rear seat parcel shelf so I cant trace it further than that although I imagine it flows under the carpet and up to the BEM. Is there further tests I can do before I pull out half the interior and dash tho get to the BEM? Am I missing anything? I have checked all the fuses under the dash and under the hood and all are testing OK.
I have already done an OBDII scan and there are no fault codes. I am sure that the majority of trunk latches that are triggered from the BEM will operate the same way. There must be someone with experience on similar that can me some advice on what I am looking for. If it ran off a relay as some do then I would swap out the relay. However swapping out the BEM obviously brings with it coding issues. All other BEM controlled functions work central locking electric windows security system. Even the trunk remote triggers the flashing indicators just no power at the latch itself.
I have already done an OBDII scan and there are no fault codes. I am sure that the majority of trunk latches that are triggered from the BEM will operate the same way. There must be someone with experience on similar that can me some advice on what I am looking for. If it ran off a relay as some do then I would swap out the relay. However swapping out the BEM obviously brings with it coding issues. All other BEM controlled functions work central locking electric windows security system. Even the trunk remote triggers the flashing indicators just no power at the latch itself.
Apr 1, 2017 at 12:43 AM
