☰
Login
Join
×
Home
Answered Questions
Repair Topics
Repair & Service Guides
Popular Questions
Warning Lights
Trouble Codes
How It Works
Testing / Diagnostics
Symptoms
Videos
Login
Become a Member
Home
Buick
Rendezvous
Exterior Light
Brake Light
Fuse
Brake light fuse
2006 BUICK RENDEZVOUS
120,000 MILES • 6 CYL • 2WD • AUTOMATIC
JIM KARG
MEMBER
1 POST
FOLLOW
Where is the fuse for the brake lights located? nothing is listed on the list of fuses about brake lights.
Nov 4, 2017 at 7:08 AM
Advertisement
STRAILER
CERTIFIED EXPERT
53,855 POSTS
Hello,
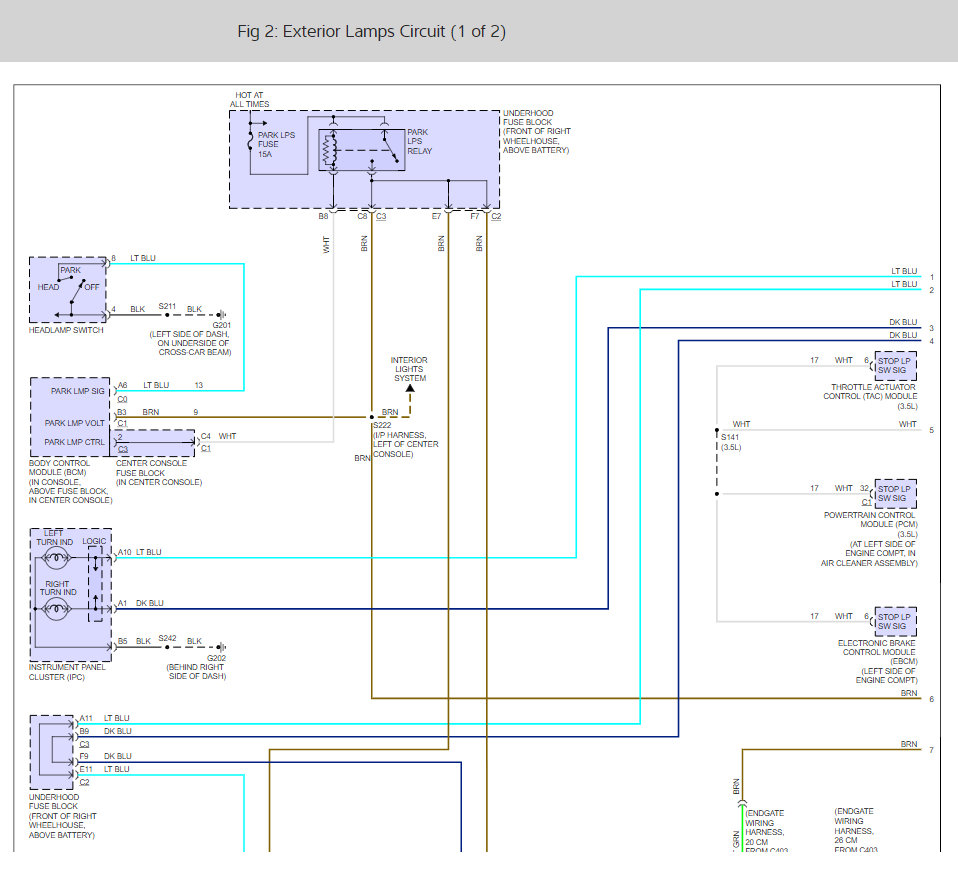
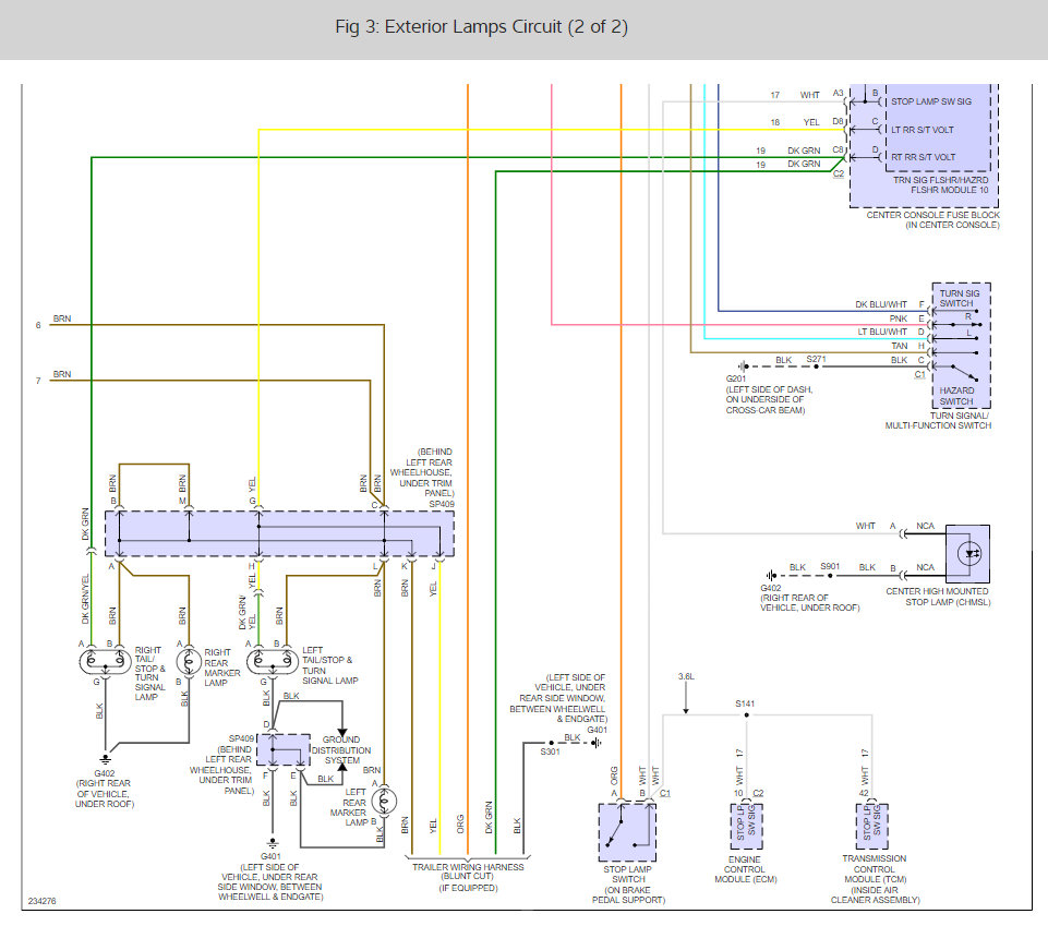
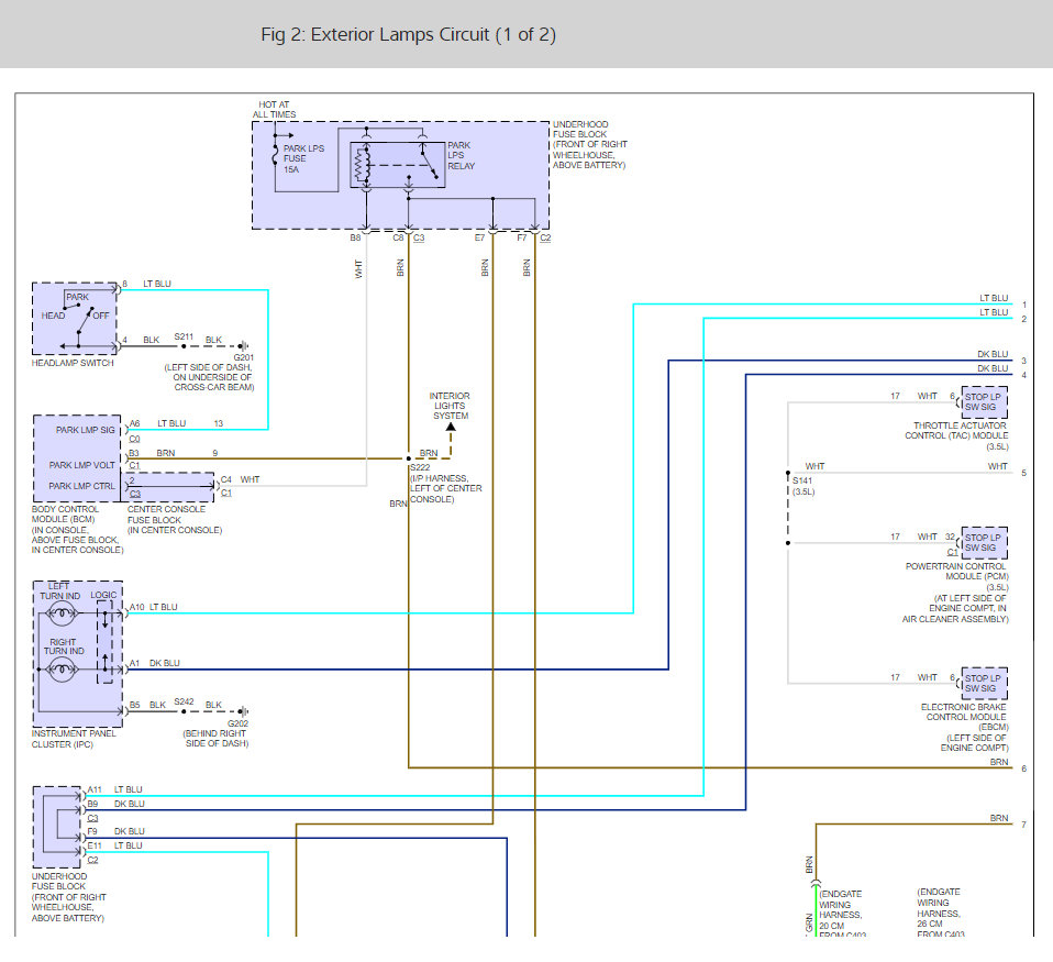
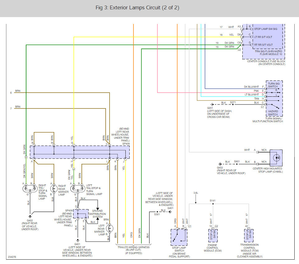
The problem is probably with the turn signal flasher module which control everything for the brake lights.
Here is a wiring diagrams and a guide so you can do a test to confirm:
https://www.2carpros.com/articles/how-to-use-a-test-light-circuit-tester
Here is the location of the flasher as well and you should check all of the fuses:
https://www.2carpros.com/articles/how-to-check-a-car-fuse
Please let us know what happens.
Cheers, Ken
Images (Click to enlarge)
Nov 5, 2017 at 6:18 PM