Turn on the running/parking lights, the brake lights are also on?

2003 HONDA CRV
141,000 MILES • 2.4L • 4 CYL • 4WD • AUTOMATIC
Avatar
REYREY2001
  • MEMBER
  • 13 POSTS
With key/car on, the brake lights would stay on. I replaced the brake switch at the pedal as well as the "stopper" on the pedal arm. Fixed this issue. However, when i turn on the running/parking lights the brake lights are also on. Whether the switch is to the running/parking lights or the headlights, whether i press the brake pedal or not, the brake lights are on. I have noticed before that when i do press the brake pedal, lights off, my running/parking lights come on as well.
Mar 12, 2023 at 2:13 PM
Advertisement
Avatar
STRAILER
  • CERTIFIED EXPERT
  • 53,855 POSTS
It sounds like one of your rear taillight bulbs or bulb sockets have shorted together back feeding the brake light circuit. I would remove the rear lens to inspect all bulbs and sockets to look for such a connection, here is what I am talking about and how to remove the rear lens in the images below.

This guide can help as well:

https://www.2carpros.com/articles/no-tail-lights-exterior-running-lights-tail-lights-out

Check out the images (below). Let us know what happens and please upload pictures or videos of the problem so we can see what's going on.
Mar 13, 2023 at 10:06 AM
Avatar
REYREY2001
  • MEMBER
  • 13 POSTS
Looked at all sockets and connections while i was replacing bulbs. I also thought maybe someone jumped taillight brake light but nothing was found.
Mar 13, 2023 at 11:23 AM
Advertisement
Avatar
STRAILER
  • CERTIFIED EXPERT
  • 53,855 POSTS
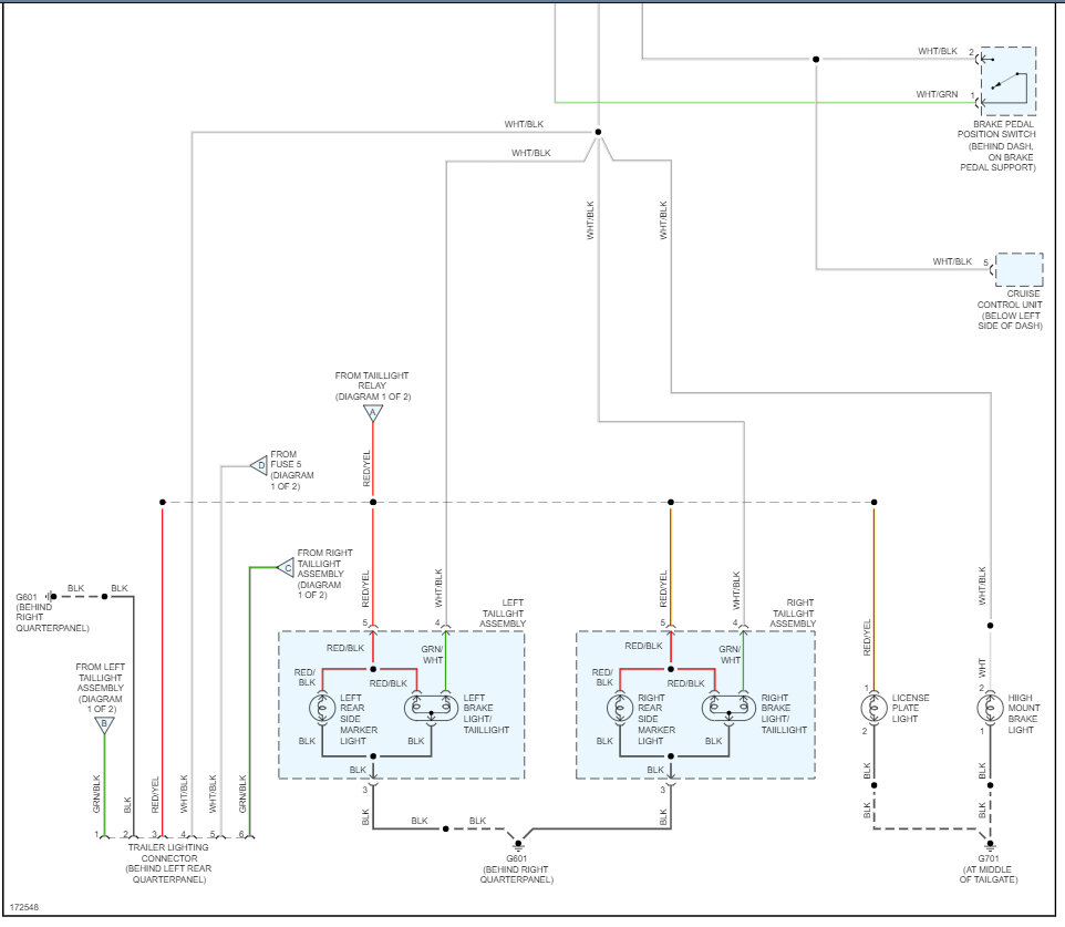
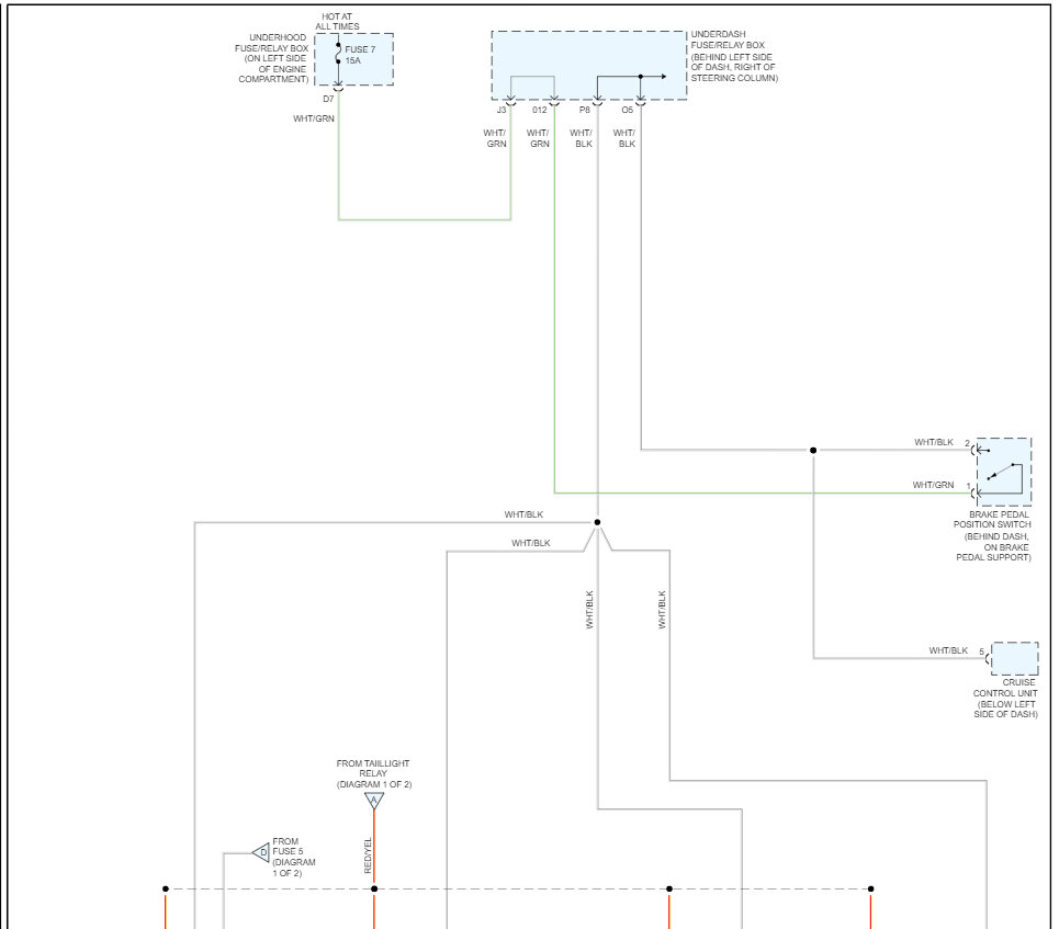
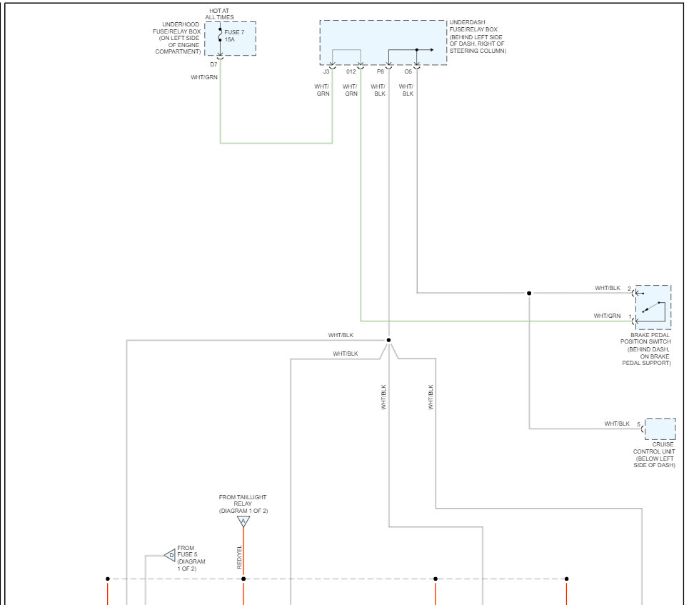
Is there a trailer wiring connector? If so, that is the next place, I would look to see if a connection is shorted together. Here are the taillight and brake light wiring diagrams so you can see how the system works.

Here is a guide to help you check the connections:

https://www.2carpros.com/articles/how-to-check-wiring

Check out the images (below). Let us know what happens and please upload pictures or videos of the problem so we can see what's going on.
Mar 14, 2023 at 9:12 AM
Avatar
REYREY2001
  • MEMBER
  • 13 POSTS
No. No trailer wiring. No tow-hitch. This is going to be my niece's surprise birthday gift at the end of April.
Mar 14, 2023 at 10:03 AM
Avatar
STRAILER
  • CERTIFIED EXPERT
  • 53,855 POSTS
Can you confirm the brake light bulbs are the correct ones? They should have two connections at the bottom of the bulb, not one.
Mar 15, 2023 at 11:43 AM
Avatar
REYREY2001
  • MEMBER
  • 13 POSTS
I do not recall the part number but i do know the rear blinkers and brake lights take the same bulb which is the standard traditional round bottom kind with a prong on each side. The rear taillights have a blade type connection.
Mar 15, 2023 at 1:45 PM
Avatar
REYREY2001
  • MEMBER
  • 13 POSTS
Rear blinkers and brake lights twist into the socket. The rear taillights push in.
Mar 15, 2023 at 1:49 PM
Avatar
STRAILER
  • CERTIFIED EXPERT
  • 53,855 POSTS
As you can see from the wiring diagrams the two-lighting system do not cross except at the bulb and socket. Can you remove both brake light bulb and inspect and upload a picture of the bottom of the bulb please? You may have a wiring loom that has shorted together as well so please inspect the wiring for damage.
Mar 16, 2023 at 10:54 AM
Avatar
REYREY2001
  • MEMBER
  • 13 POSTS
My work has me on a crazy schedule today and tomorrow but i will for sure respond with pictures on Sunday.
Mar 17, 2023 at 8:20 AM
Avatar
REYREY2001
  • MEMBER
  • 13 POSTS
If it makes any difference, i have the UK model not Japan model.
Mar 17, 2023 at 11:22 AM
Avatar
STRAILER
  • CERTIFIED EXPERT
  • 53,855 POSTS
No problem, if you can upload the picture of the brake light/running light bulb (dual filament) that would be great.
Mar 19, 2023 at 11:06 AM
Avatar
REYREY2001
  • MEMBER
  • 13 POSTS
Driver's side.
Mar 19, 2023 at 11:40 AM
Avatar
REYREY2001
  • MEMBER
  • 13 POSTS
Passenger side.
Mar 19, 2023 at 11:41 AM
Avatar
REYREY2001
  • MEMBER
  • 13 POSTS
Bulbs
Mar 19, 2023 at 11:42 AM
Avatar
REYREY2001
  • MEMBER
  • 13 POSTS
Another way to rephrase my situation would be to say that my brake lights and my tail/running lights are tied together; switch (by steering wheel) and brake switch (at the brake pedal).
Mar 19, 2023 at 11:48 AM
Avatar
STRAILER
  • CERTIFIED EXPERT
  • 53,855 POSTS
Yep, you have found the problem, this socket has two terminals and you have a signal terminal bulb in it. Install the correct bulb and it should fix it.
Mar 20, 2023 at 11:19 AM
Avatar
REYREY2001
  • MEMBER
  • 13 POSTS
Wow! That was it! I asked the guy at the auto part store and i heard him mumble that i probably didn't have the Great Britain model and i said that i did. He then said they were 2 different style bulbs. You don't know how much i appreciate all your help! Thank you!!
Mar 20, 2023 at 6:33 PM
Avatar
STRAILER
  • CERTIFIED EXPERT
  • 53,855 POSTS
Thanks for letting us know, we are here to help, please use 2CarPros anytime. Can you please leave us a rating? (Copy entire link)

https://www.google.com/search?q=2carpros&gs_ivs=1#lrd=0x80dcd47364be5d0d:0xba091aa4209f4497,1,,,&tts=0

and

https://www.sitejabber.com/reviews/2carpros.com
Mar 21, 2023 at 12:03 PM