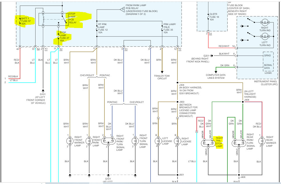
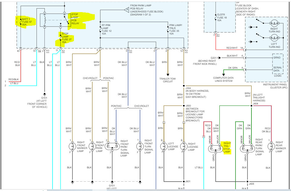
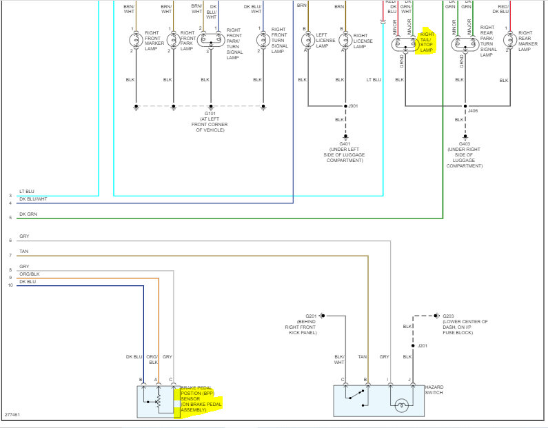
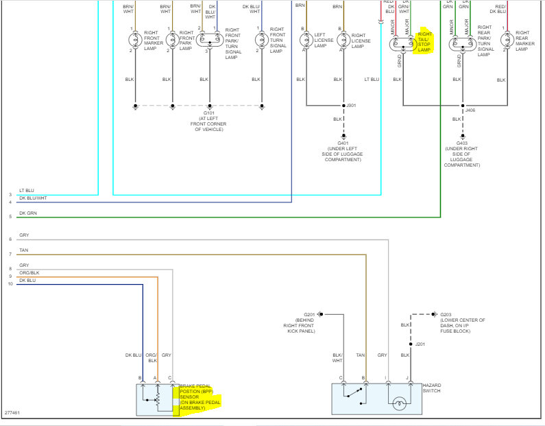
There are 4 bulbs that are my lower brake lights. 3 of them don't work. One does. The upper light also works. All taillights and turn signals work. The fuses look good, and I've switched out bulbs, but there's no change.
Sep 3, 2023 at 12:10 PM



