Brake lights and dome light do not work

2009 PONTIAC WAVE
150,000 MILES • 4 CYL • 2WD • MANUAL
Avatar
NICKFX
  • MEMBER
  • 2 POSTS
Checked the fuse, wasn’t burnt . Changed it anyways. Lights also aren’t burnt out, but the dome light doesn’t work and the reverse/back-up lights do not come on when put into reverse.
Help!
Feb 20, 2019 at 3:51 PM
Advertisement
Avatar
ASEMASTER6371
  • CERTIFIED EXPERT
  • 52,796 POSTS
Good evening,

Did you check for power at the fuse on both sides with a test light or voltmeter?

Is it the brake lights or the back up lights that are not working. Your question is confusing on which ones are not working?

Roy
Feb 20, 2019 at 4:16 PM
Avatar
NICKFX
  • MEMBER
  • 2 POSTS
Sorry, brake lights work fine, as well as blinkers and running lights. Only the reverse lights do not come on.

The light inside by the sunroof switch doesn’t work either. But the sunroof does work

Haven’t checked for power at the fuse or the lights as I have nothing to check it with.
Feb 20, 2019 at 4:20 PM
Advertisement
Avatar
ASEMASTER6371
  • CERTIFIED EXPERT
  • 52,796 POSTS
Got it.

You will need to get either a test light or volt meter to do some voltage checks.

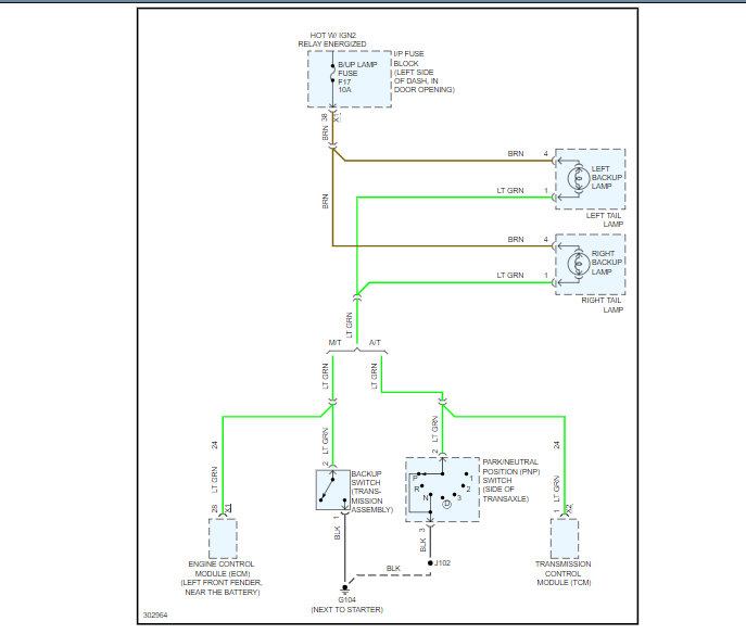
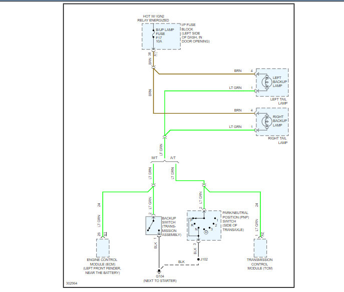
I attached wiring diagrams for you to view and when you get something to test with, we can continue to find the failure.

Roy
Feb 20, 2019 at 4:25 PM