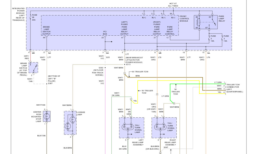
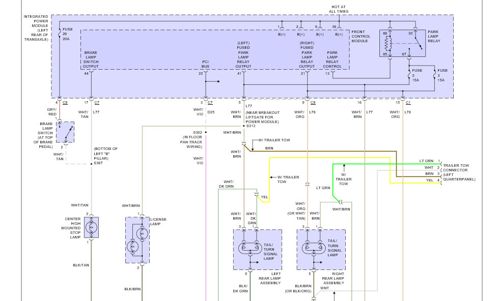
My brake lights are staying on for several minutes after each time I use them. I checked the brake switch. The lights stay on with the brake switch removed.
Jul 10, 2017 at 9:24 AM
