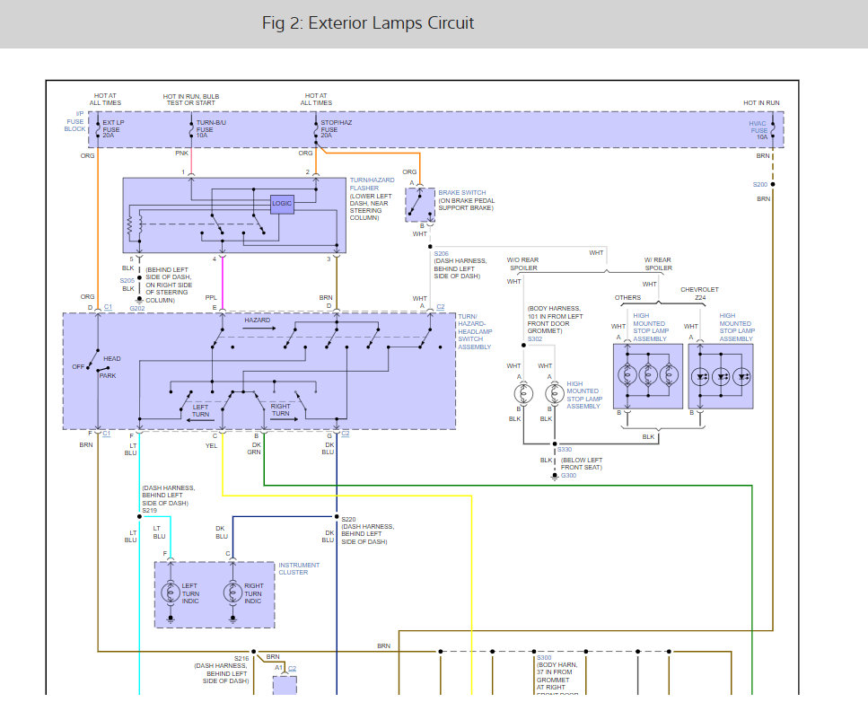
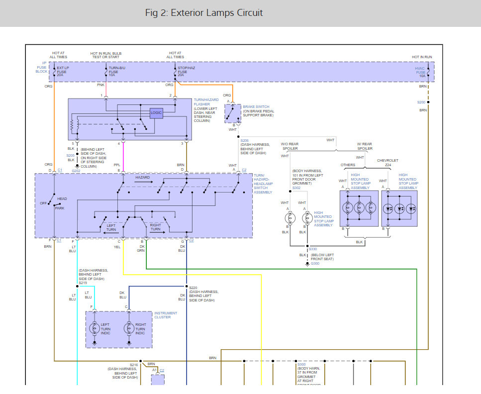
All of the other lights on my car work. Aside from the brake lights and the turn signals. The running lights work, the backup lights work and the nighttime lights work. My usual mechanic is 2 weeks out, so I am just looking to see if there is a quick fix. I know it is not a fuse or a lightbulb. Also, I don’t know if this is useful information but sometimes when I go over a bump my headlamp will turn on just for a second and turn back off.
Jul 11, 2022 at 7:26 AM







