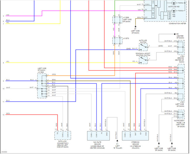
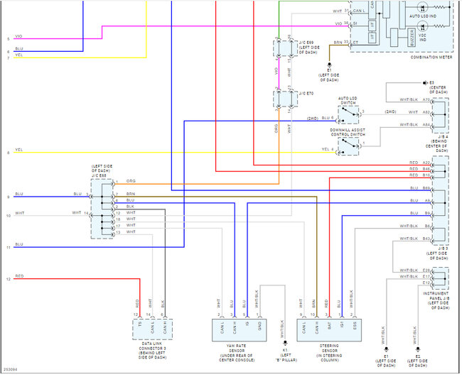
When I apply the brakes, the brake warning light turns on and goes away sometimes. This is the same light as the parking brakes. This will happen when I'm driving or when I'm not moving. If it happens when I'm driving the brakes pulsate and sometimes the warning brake lights will stay on and when I step on the brakes the brake warning lights will go away. This problem started after I changed the master cylinder, brake booster, and brake calipers. If I remove fuse to the abs module the problem goes away. There is no abs or vsc light on. Its strange that there are no code, but when i run a signal check im getting 11 Trouble code, all seems to be related to the abs functionality. Zero point calibration executed successfully. I'm not sure what else to try. I uploaded the codes.
C0371
C1271
C1272
C1273
C1274
C1275
C1276
C1278
C1281
C1379
C0371
C1271
C1272
C1273
C1274
C1275
C1276
C1278
C1281
C1379
Feb 19, 2024 at 8:59 AM





















