every once in a while brake pedal goes to ground

1999 CHEVROLET SILVERADO
187,000 MILES • 4.3L • 6 CYL
Avatar
LOBO13
  • MEMBER
  • 5 POSTS
Truck will drive with plenty of brake power every once in a while brake pedal goes to ground. you can try to pump and does not work. I turn truck off and crank up and brakes start working again for day or two of driving.
Feb 17, 2020 at 7:45 AM
Advertisement
Avatar
JOETECHPRO
  • CERTIFIED EXPERT
  • 705 POSTS
Hey LOBO13,

Are you losing brake fluid?, Have you checked the brake fluid level? Let us know what is happening with the level and we can further advise you on the cause of the braking issue. This guide can help you fix it.

https://youtu.be/w7gUsj2us0U

and

https://youtu.be/WDxvEQrMkBg

and

https://www.2carpros.com/articles/brake-pedal-goes-to-the-floor

Please run down this guide and report back.

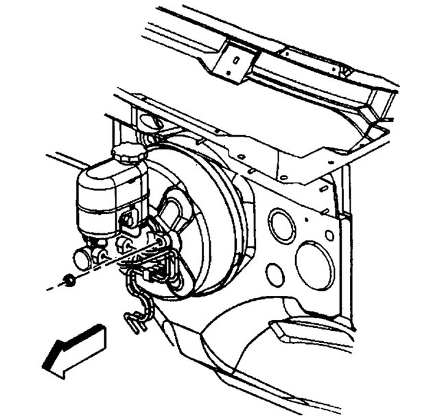
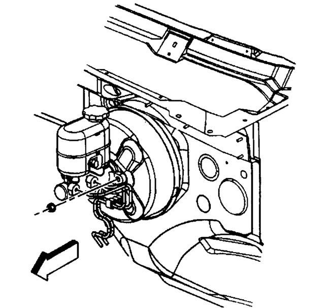
The picture bellow shows the vacuum brake booster with the brake master cylinder, the brake fluid reservoir is on top of the master cylinder.

Regards, Joe
Feb 17, 2020 at 8:05 AM
Avatar
LOBO13
  • MEMBER
  • 5 POSTS
No not losing any fluid at all. I even change booster and master cylinder. truck ran for three days last trip drove 10 miles when release gas pedal actually truck started running faster so press on brakes and brakes went to floor. pump brake no help. I can turn truck off and start back up and brakes go to working again. this happen before I changed booster .
Feb 17, 2020 at 9:10 AM
Advertisement
Avatar
LOBO13
  • MEMBER
  • 5 POSTS
There were no signs of leaking master cylinder that I replaced, but did notice real old fluid almost gunky.
Feb 17, 2020 at 9:13 AM
Avatar
JOETECHPRO
  • CERTIFIED EXPERT
  • 705 POSTS
Hey LOBO13,

Did you bleed and flush the entire system after you replaced the master cylinder?

If the fluid in any of the lines is old and has a high moisture content under braking the water content in the fluid will boil and cause this brake fade you are experiencing.

Regards, Joe
Feb 17, 2020 at 1:45 PM
Avatar
LOBO13
  • MEMBER
  • 5 POSTS
I bled them but don't think enough. I will bleed them again. what would be best way in doing this?
Feb 17, 2020 at 1:52 PM
Avatar
JOETECHPRO
  • CERTIFIED EXPERT
  • 705 POSTS
Hey LOBO13,

The best way would be with a pressure brake bleeder.

If you do not have one of these available then thoroughly manually bleeding will work just as well.

I have attached below a description of the manual brake bleeding process.

There is also a guide for brake pedal goes to the floor in the link below:

https://www.2carpros.com/articles/brake-pedal-goes-to-the-floor

Bleed the entire system until you have fresh clean fluid with no air at every corner.

If the problem persists make sure you have gone through the guide in the link.

Let us know is you have any further questions.

Regards, Joe
Feb 17, 2020 at 2:12 PM
Avatar
LOBO13
  • MEMBER
  • 5 POSTS
I bled them but don't think enough. I will bleed them again. what would be best way in doing this ?
Feb 17, 2020 at 6:12 PM
Avatar
JOETECHPRO
  • CERTIFIED EXPERT
  • 705 POSTS
Hey LOBO13,

Not sure if you saw my previous post but there is a description of the procedure there.

Let us know if you need anything explaining more clearly or you have any further questions.

Regards, Joe
Feb 17, 2020 at 9:06 PM