braking not so sharp

2006 TOYOTA HIGHLANDER HYBRID
250,000 MILES • 3.3L • V6 • 2WD • AUTOMATIC
Avatar
FASAN TOPE AKINADEWO
  • MEMBER
  • 1 POST
I Just noticed that the brake not so sharp again. The was scanned, with c1252 and 1256 raging. The mechanical personnel changed the ABS actuator and skid control ECU unit but to no avail. Can you please direct on the best way to go? Thanks.
Aug 9, 2020 at 4:07 AM
Advertisement
Avatar
ASEMASTER6371
  • CERTIFIED EXPERT
  • 52,796 POSTS
Good morning,

Was this a new unit or used?

Was the unit programmed to your cars VIN? That is required.

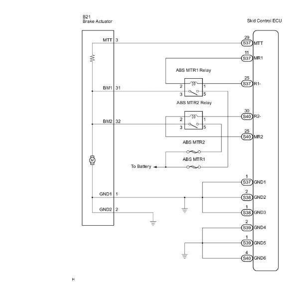
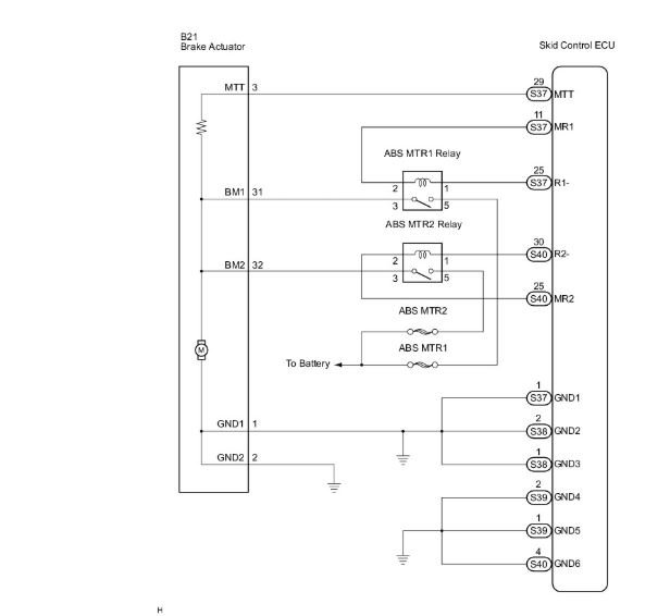
I attached a wiring diagram for you. There are 2 relays in the fuse block. We need to be sure there is power to the relays or both codes with set.

https://www.2carpros.com/articles/how-to-check-wiring

https://www.2carpros.com/articles/how-to-check-an-electrical-relay-and-wiring-control-circuit

https://www.2carpros.com/articles/how-to-check-a-car-fuse

Roy
Aug 9, 2020 at 5:03 AM