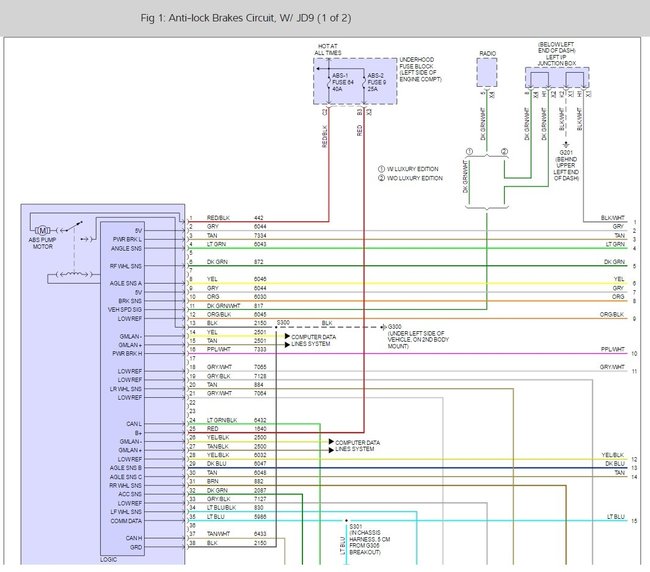
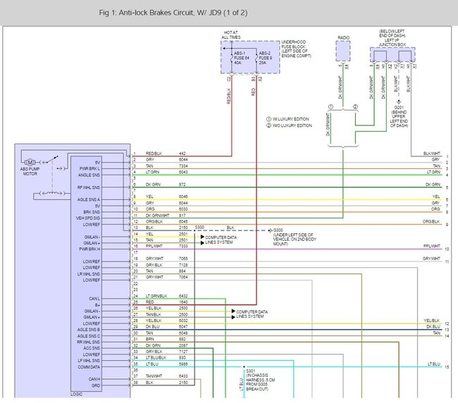
I keep getting this code. I have replaced hub, speed sensor, rotor, rotor bracket. I do have continuity on wires from sensor to module. It was engaging ABS every time I would brake at a stop until I changed the rotor and bracket. I think it was rubbing but now I am still getting light and code?
Apr 7, 2017 at 11:39 AM

