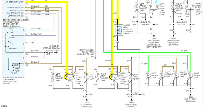
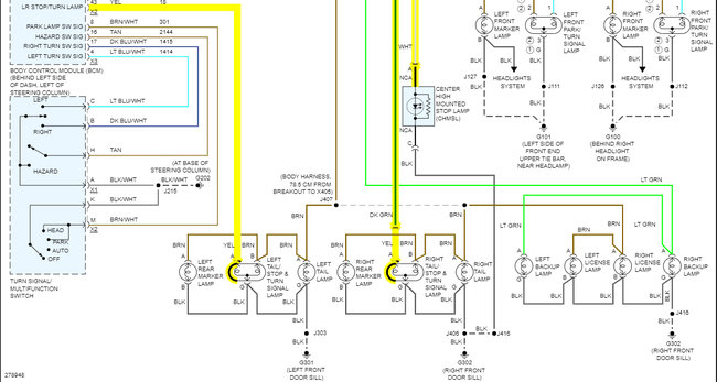
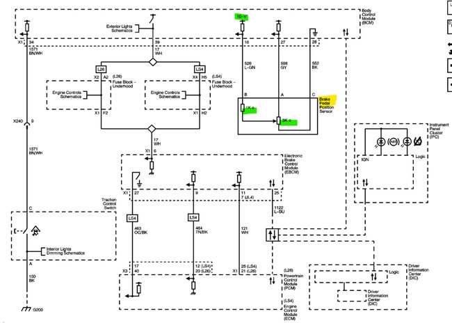
You can try this, but I don't know if it will work. I will keep looking around and see if there is a way to do it, But I would also inspect the wiring at the sensor, because of where it is located. Make sure there aren't any wires down there that are shorted together. The sensor has three wires, the 10volt Reference (feed), the Ground and the Signal to the Body Control Module. If the feed gets shorted to the signal wire, it will do the same thing you are seeing now. The circuits for these and many other sensors are monitored inside control modules. Even if a 12-volt source happened to get shorted to the signal wire, it would cause the same effect. Most circuits are internally protected by resistors are well, because the engineers know that sensors short out, so on newer vehicles (and I know this isn't super new) but it has enough new technology that there is a lot of circuit protection going on. If you unplug the sensor and turn the key On, engine off, and you are reading 10 to 12 volts on the Signal wire then you know there might be a short to power somewhere. This sensor is not a switch, so plugged in on the signal wire you can press the Brake Pedal slowly and the voltage should go from 0 to 10 volts as the pedal travel increases. But right now, the Signal wire must be reading 10 volts or higher for the Brakes lights to be on, the BCM is seeing a Signal.
If you unplug the sensor and your Brake lights go out, then you can be a little more sure it's the sensor that it shorted out, and after just looking at a different wiring diagram, the OEM factory diagram, I want you to unplug the sensor and see if the Brake lights go out. The other diagram didn't show that there are 2 resistors in this sensor. a 1K resistor on the 10v feed and a 3K on the Signal wire. I also posted more information on this code (pages 3 and 4). It appears the Body Control Module monitors the actual brake line pressure through the brake master cylinder and if it sees pressure but no Brake Pedal signal and or probably the opposite, no pressure but a Brake Pedal Signal it will set this code, disabling traction control and ABS. So, this isn't just for the Brake lights, it much more complicated. Thats why calibration is needed, you can still try the idea in diagram 1 below, but this might need to go to a shop so they can put a scan tool on it really quick. Are your ABS and Traction control warning lights on the dash?
Images (Click to enlarge)
Jul 28, 2022 at 3:01 PM