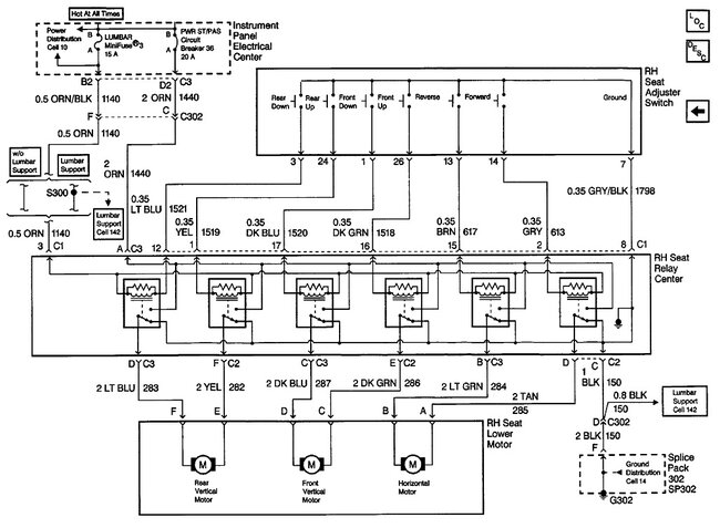
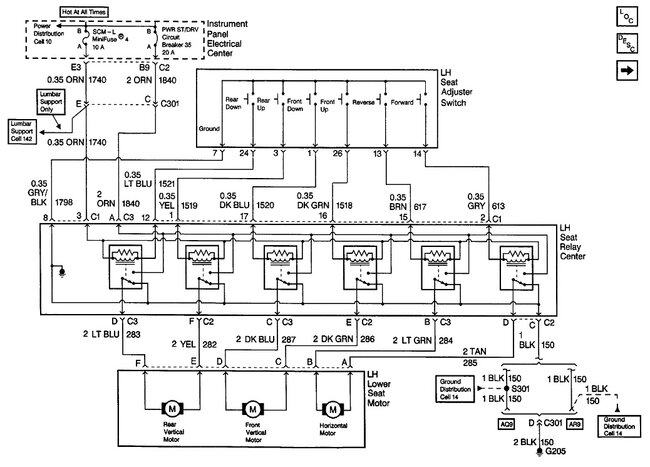
Can I get the diagram for the pin connector for the seat controls?

1999 CHEVROLET CORVETTE
105,000 MILES • V8 • 2WD • AUTOMATIC
Avatar
RICCI DANGELO
  • MEMBER
  • 1 POST
I’m looking for a diagram for the pin connector for the seat controls C5 1999 power seats.
Jan 20, 2023 at 12:27 PM
Advertisement
Avatar
CARADIODOC
  • CERTIFIED EXPERT
  • 34,307 POSTS
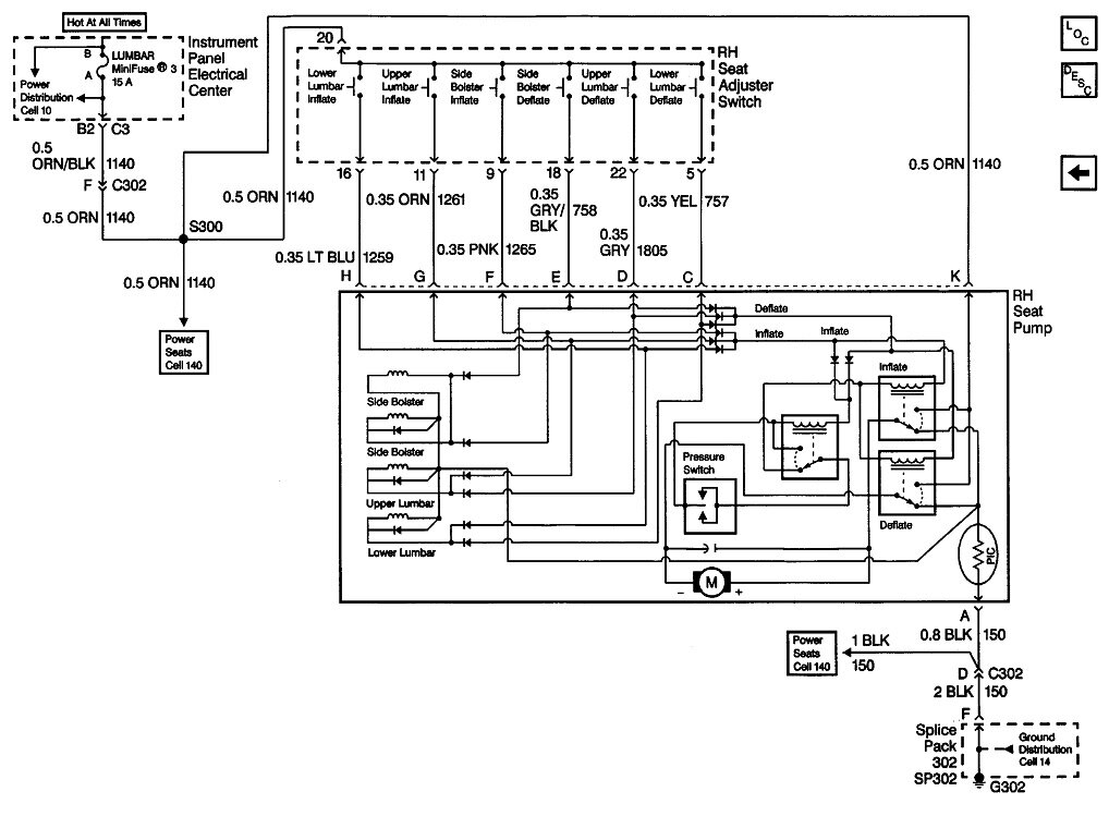
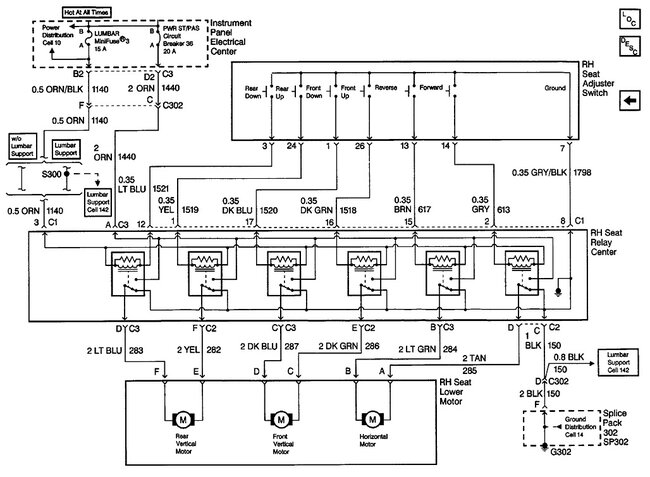
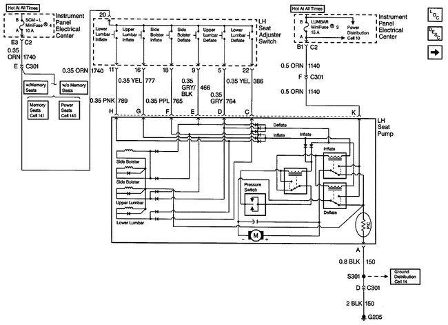
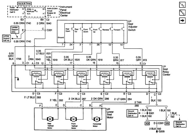
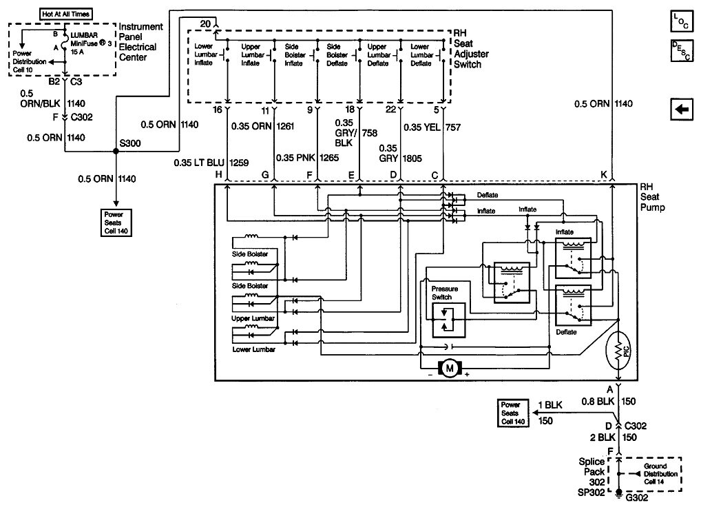
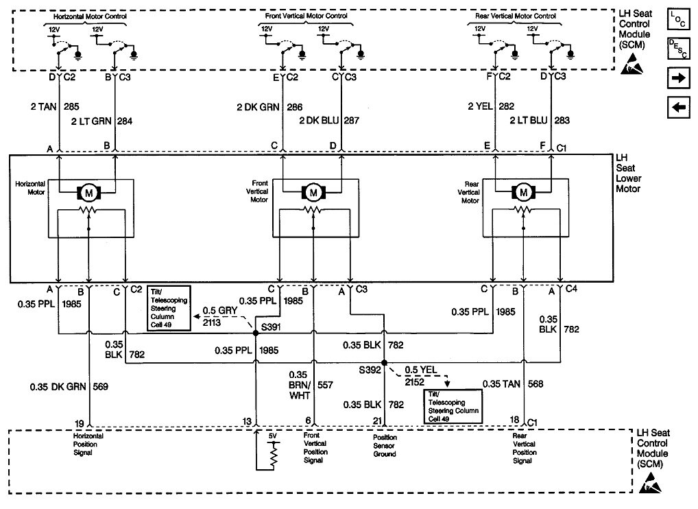
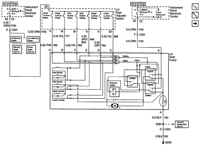
I apologize that there's so many diagrams. I tried to put them in some kind of order, but there really isn't a good way to do that. You'll have to look through all of these. This is everything related to power seats, diagrams and connector views. A couple of the connector views might be duplicates. If they are, it's because they showed up under multiple circuits, but with different names.
Jan 20, 2023 at 1:37 PM