Location of the camshaft position sensor needed

2005 CHEVROLET COBALT
190,000 MILES • 2.2L • 4 CYL • 2WD
Avatar
REYDOLIGOSA
  • MEMBER
  • 1 POST
Location needed.
Mar 14, 2021 at 6:56 PM
Advertisement
Avatar
ASEMASTER6371
  • CERTIFIED EXPERT
  • 52,796 POSTS
Good morning,

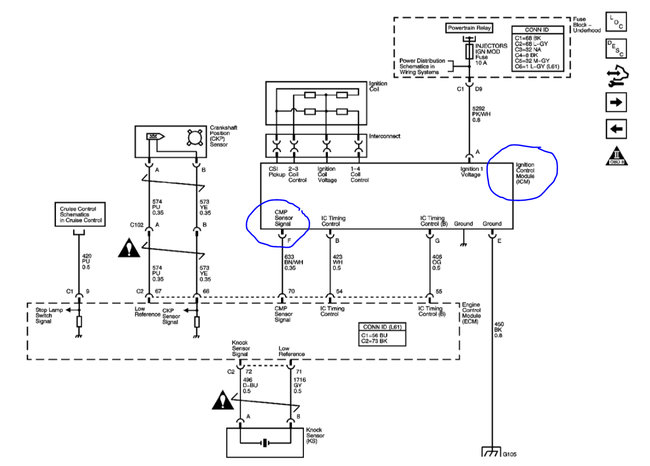
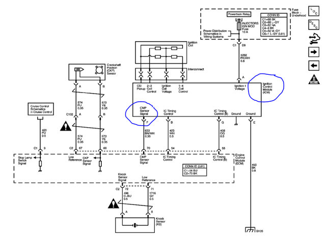
The cam sensor is part of the ignition control module. There is no separate sensor just for the cam signal.

https://www.2carpros.com/articles/camshaft-angle-sensor-replacement

I attached a diagram for you below that shows the signal from the ignition control module.

Roy

CRANKSHAFT POSITION (CKP) SENSOR

The crankshaft position (CKP) sensor is a permanent magnet generator, known as a variable reluctance sensor. The CKP sensor produces an AC voltage of different amplitude and frequency. The frequency depends on the velocity of the crankshaft. The AC voltage output depends on the crankshaft position and the battery voltage. The CKP sensor works in conjunction with a 7X reluctor wheel attached to the crankshaft. The CKP sensor produces 7 pulses for each revolution of the crankshaft. The pulse from the 10-degree notch is known as the sync pulse. The sync pulse is used to synchronize the coil firing sequence with the CKP. The CKP sensor is used for ignition timing, the fuel injector timing, misfire diagnostics and tachometer display. The CKP sensor is connected to the engine control module (ECM) by a signal circuit and a low reference circuit

ICM

IGNITION CONTROL MODULE REPLACEMENT

REMOVAL PROCEDURE
1. Turn OFF the ignition.
2. Remove the accelerator cable from the bracket.
3. Remove the accelerator cable bracket bolt.
4. Remove the accelerator cable bracket.


imageOpen In New TabZoom/Print

5. Disconnect the ignition control module (ICM) harness connector.
6. Remove the ICM retaining screws.
7. Remove the ICM from the ignition coil housing.
Mar 15, 2021 at 2:34 AM