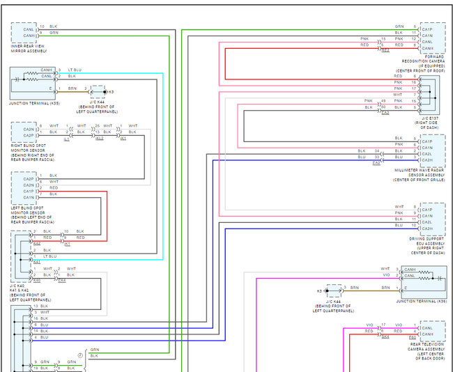
The CAN BUS system involves network modules and connects most of the car's modules and computers together so information can be shared between them and work together. Here is how to run codes in the CAN BUS and I have included the wiring diagrams that make up the system so you can see how it works and which components are in the system as well. You can get a CAN scanner (Controller Area Network) which will work on most cars from Amazon.
Here is a video to show you how:
https://youtu.be/u-4syLc-ifQ
and
https://www.2carpros.com/articles/can-scan-controller-area-network-easy
Check out the images (below). Let us know if you need anything else.
Images (Click to enlarge)
Feb 1, 2024 at 12:27 PM