Can I bypass ECM controlled volt regulator

2000 MAZDA MPV
289,500 MILES • 3.0L • 6 CYL • 2WD • AUTOMATIC
Avatar
BOBBYB69
  • MEMBER
  • 37 POSTS
Hello My Fellow Minions, Well it all started about 1.5 years ago. My alternator went bad. Tore out the axle (yes I said axle LOL) got new one in and it was bad out of the box. Dummy me for got to have it tested first.Good practice not!
Did it all over again. Second one lasted one month, third about six months,fourth about ten months. which was back in March of 2019. Tore out and replaced alternator just to find out it was my computer. The ECM had a bad ground, so I sent it off got it back and still not working. Sent it back and a microprocessor was bad. Blue Streak got a whole different one and nothing. My vehicle still is not charging and I cannot afford the mechanic again. Is there any way to bypass the ECM controlled internal voltage regulator with an external one??
Any and all help will be appreciated.
Thanks for helping.
Bobby B
Sep 20, 2019 at 7:24 PM
Advertisement
Avatar
JACOBANDNICKOLAS
  • CERTIFIED EXPERT
  • 110,175 POSTS
Welcome to 2CarPros.

I hate to say it, but no. The ECM regulates voltage based on sensor readings it receives. An external one won't work.

I wish I had a better answer for you.

Joe
Sep 20, 2019 at 8:26 PM
Avatar
BOBBYB69
  • MEMBER
  • 37 POSTS
Thank Friend, I was told by Mazda( that a whole other story) that i needed new wiring. Do t'all have a diagram of where I find the wires on the ecm pluug??? Or do bI just look for the same color? Which I think are white with red stripe and white with blue stripe. That is my last ditch effort cause I had the computer replaced soooo maybe that would fix it or help me decide to scrap it or ???
ThankX in advance Bobby B
Sep 23, 2019 at 7:14 PM
Advertisement
Avatar
JACOBANDNICKOLAS
  • CERTIFIED EXPERT
  • 110,175 POSTS
Welcome back:

I do have schematics, but I need to confirm something. You indicate this has a V6 3.0L engine. Everything I have shows it to be a 2.5L V6. Is that correct? I ask because different engine are offered in different countries, and I don't want to give you bad info for your vehicle.

Let me know.

Joe
Sep 23, 2019 at 8:38 PM
Avatar
BOBBYB69
  • MEMBER
  • 37 POSTS
Imma dipstick, yes it's 2.5l. Guess I'm just wishing for a bigger engine.
Sep 25, 2019 at 4:01 PM
Avatar
JACOBANDNICKOLAS
  • CERTIFIED EXPERT
  • 110,175 POSTS
Welcome back:

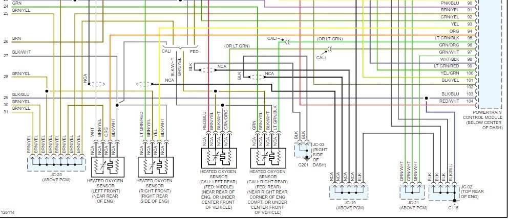
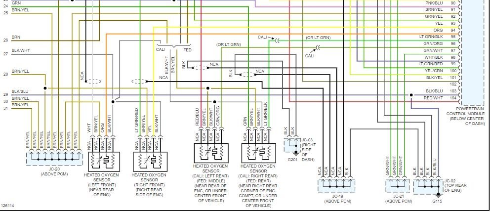
I attached the wiring schematics related to engine controls/PCM. I had to cut them down so they were readable, but I did overlap them so you can follow. The first two pictures are specific to the charging system.

I attached the entire schematic which shows the PCM connectors as well as what goes to them. Let me know if this helps.

Take care,
Joe
Sep 25, 2019 at 5:30 PM
Avatar
JACOBANDNICKOLAS
  • CERTIFIED EXPERT
  • 110,175 POSTS
Welcome back:

I attached the wiring schematics related to engine controls / PCM. I had to cut them down so they were readable, but I did overlap them so you can follow. The first two pictures are specific to the charging system.

I attached the entire schematic which shows the PCM connectors as well as what goes to them. Let me know if this helps.

Take care,
Joe
Sep 25, 2019 at 5:30 PM
Avatar
BOBBYB69
  • MEMBER
  • 37 POSTS
My luck is rotten lately. The diagram did not load. It has that generic pic in upper left corner. if I right click to open it I get this:

Error 404
The page cannot be found.
Click here to continue.
Sep 25, 2019 at 5:43 PM
Avatar
JACOBANDNICKOLAS
  • CERTIFIED EXPERT
  • 110,175 POSTS
Interesting. I will send it in two parts. Maybe it was too big.

Sep 25, 2019 at 6:11 PM
Avatar
BOBBYB69
  • MEMBER
  • 37 POSTS
Awesome.
Sep 25, 2019 at 7:07 PM
Avatar
BOBBYB69
  • MEMBER
  • 37 POSTS
ThankX so very much. I do Satellite TV' INTERNET AND MEDIA WORK. If y'all ever need help PLEASE Do Not Hesitate to ask me. I'll keep ya posted if u like. God Bless
Sep 25, 2019 at 7:23 PM
Avatar
JACOBANDNICKOLAS
  • CERTIFIED EXPERT
  • 110,175 POSTS
You are very welcome, and I may take you up on the offer one day. Please feel free to let me know if you need help. And yes, I would like to know what you find.

Take care,
Joe
Sep 25, 2019 at 7:28 PM
Avatar
BOBBYB69
  • MEMBER
  • 37 POSTS
your diagrams helped but no luck. I have wasted $700.00 and i am done. It's off to the junk yard. now my daughters 2005 Kia Rio is not idling nor accelerating right. how do I test the TPS and is the idle air control valve be part of the problem? As always many Thanks.
Oct 20, 2019 at 11:04 AM
Avatar
BOBBYB69
  • MEMBER
  • 37 POSTS
Well I got so lucky today. I was buying parts for my daughters car and talked with the guy at AutoZone about my van and he Refunded my $250.00 because of it not working still. Now back to the Kia Rio. Had a fouled plug so we tuned it up went for a drive and it bogged down terribly again. Then we stopped, turned the key off, and 10 seconds later restarted it and it ran Fine. Is that a sticking air idle valve or TPS? I tried pumping the gas but nothing changed until we restarted. Thanks y'all:)
Oct 20, 2019 at 5:45 PM
Avatar
JACOBANDNICKOLAS
  • CERTIFIED EXPERT
  • 110,175 POSTS
Welcome back:

That's great news about the refund. I'm glad to hear it.

As far as your daughter's car, I have to ask a favor. Is it possible for you to start a new thread regarding it. We are trying to keep the links specific to one topic so it helps others. I hate to ask, but if you could just copy and paste your question, it would be really helpful. I will watch for it.

Let me know.

Joe
Oct 20, 2019 at 9:24 PM