showed two codes a P0032 and P0507?

2001 KIA RIO
130,000 MILES • 1.5L • 4 CYL • 2WD • AUTOMATIC
Avatar
1CRAZYGUIDO
  • MEMBER
  • 25 POSTS
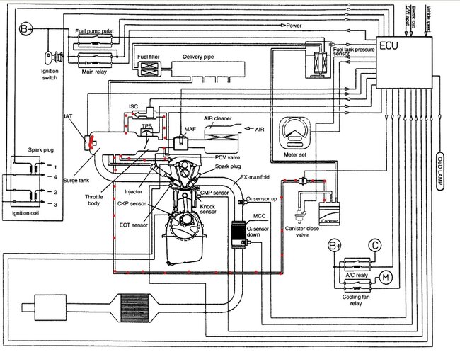
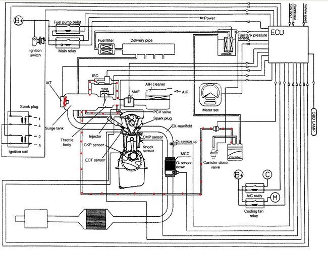
Ok so over the weekend I replaced the coil pack and she’s been running fine but yesterday I stopped at a friends house and when I went to leave she started right up but as soon as I put it in R to leave is bogged out and died tried it a few more times and same thing every time the check engine light came on so I connected my friends OBD2 scanner and it showed two codes a P0032 and P0507 also took pictures of the live feed readings which I’ll attach
Feb 3, 2026 at 11:37 AM
Advertisement
Avatar
STEVE W.
  • CERTIFIED EXPERT
  • 15,113 POSTS
Well the P0507 is a high idle speed. That could easily be caused by a vacuum line that fell off or cracked. P0032 doesn't show in the code list for that car but it is commonly related to the O2 sensor seeing a high O2 level, which if you have a vacuum leak is going to be the case because it calculates the oxygen level it expects based off the incoming monitored air. So say the car is measuring 50 grams per second of airflow through the mass air flow sensor, the system might calculate that at that flow and with the fuel it adds there should be .5% O2 in the exhaust. However the leak adds another 50 grams per second that the computer cannot measure. It adds fuel to match the 50 grams it sees, but now there is 1% O2 in the exhaust. instead of the expected.5%. That sets the high O2 code.
The extra air also raises the idle speed and the computer tries to slow it down but cannot. So it sets the 507 code because it wants 800 rpms and it's seeing 1,095 instead.
So the first thing I would do is look around and see if any of the vacuum lines cracked or fell off. The lines with the red dots can cause this. That is the PCV, the tank vent or the idle air lines or the vacuum line that goes to the EVAP purge valve. A quick way to find a leak is to use something like starting fluid or carb cleaner, with a cold engine start it and spray around the vacuum lines, listen for the engine to change rpm and look in that area.
Feb 3, 2026 at 5:35 PM
Avatar
1CRAZYGUIDO
  • MEMBER
  • 25 POSTS
Ok but would a vacuum leak cause the car to die when put into gear? I mean I am absolutely going to search for the vacuum leak but I just wanted to make sure that if I fix that the car will run again
Feb 4, 2026 at 4:23 PM
Advertisement
Avatar
STEVE W.
  • CERTIFIED EXPERT
  • 15,113 POSTS
It can because the engine tries to add fuel and closes the throttle down, you put it in gear and it's going to act like a flooded engine with no power, just not enough left to move the car.
Feb 4, 2026 at 4:50 PM
Avatar
1CRAZYGUIDO
  • MEMBER
  • 25 POSTS
Ok thank you I’m going to get started first thing in the morning
Feb 4, 2026 at 5:52 PM
Avatar
STEVE W.
  • CERTIFIED EXPERT
  • 15,113 POSTS
No rush, we will be here.
Feb 5, 2026 at 7:49 AM