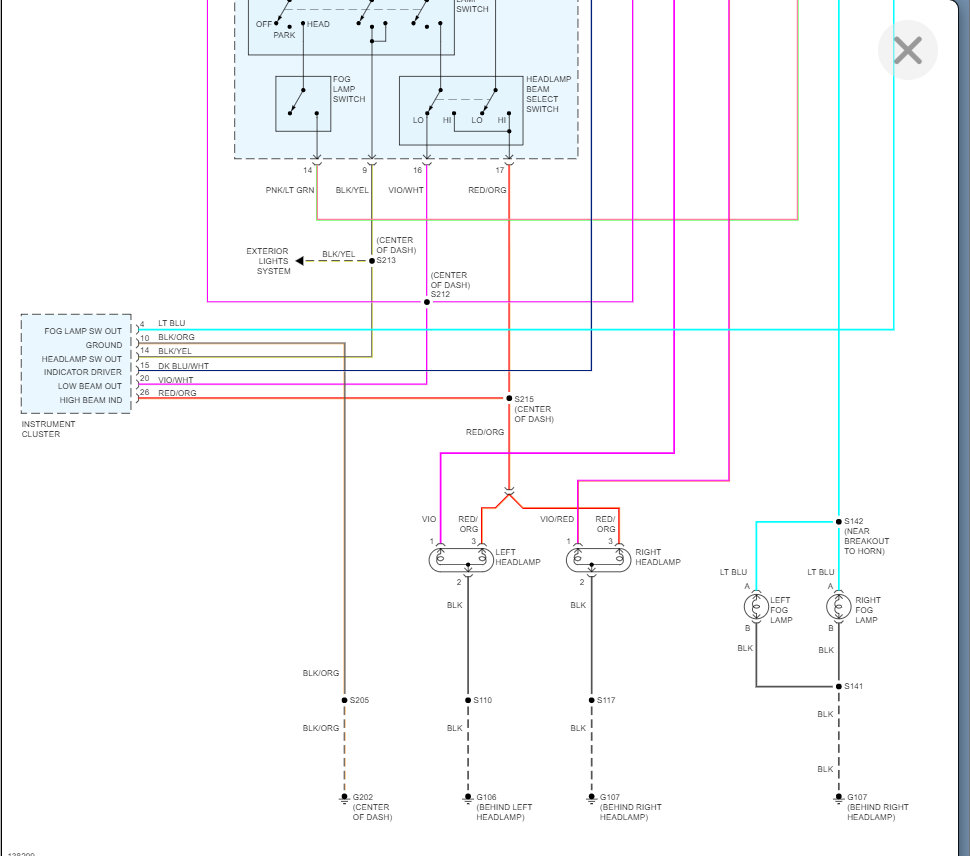
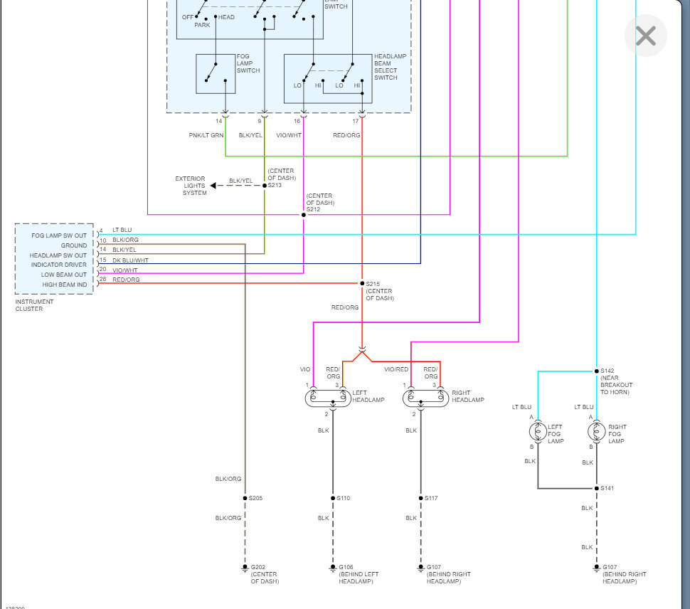
I was trying to turn my fog lights on yesterday, my car has the switch on my turn signal knob for it, and has fog lights on the bumper. I checked the lights and they are good. The relay is also fine since I put a new one in off of my friends srt4 just to see if it would work. Found the fuse (#19 in the dash fuse box) and saw no fuse in place. Grabbed a 10 amp fuse but it would not plug in because there is no metal connectors in that spot to plug one in. It only has the cut out and will not accept the fuse. Trying to avoid running a toggle switch for them. What do I do?
Oct 20, 2018 at 1:24 PM


