Car shuts off while driving

2003 HONDA CIVIC
155,000 MILES • 1.7L • 4 CYL • 2WD • AUTOMATIC
Avatar
ALEX19899
  • MEMBER
  • 171 POSTS
Car radio and gauge on dash will shut off while driving and car will stall. I replace battery and alternator but the problem is still there.
Nov 4, 2018 at 7:05 PM
Advertisement
Avatar
STRAILER
  • CERTIFIED EXPERT
  • 53,855 POSTS
Thanks for the video helps me do my job. It looks like you have a bad connection at the battery or you have a bad battery cable. Here is a guide that will help us fix the problem:

https://www.2carpros.com/articles/everything-goes-dead-when-engine-is-cranked

Please let us know what you find. We are interested to see what it is.

Cheers, Ken


Nov 6, 2018 at 10:57 AM
Avatar
ALEX19899
  • MEMBER
  • 171 POSTS
It is at the shop right now and they found that the wire to the alternator is burnt. Now since its burnt will the alternator not charge the battery?
Nov 6, 2018 at 11:17 AM
Advertisement
Avatar
STRAILER
  • CERTIFIED EXPERT
  • 53,855 POSTS
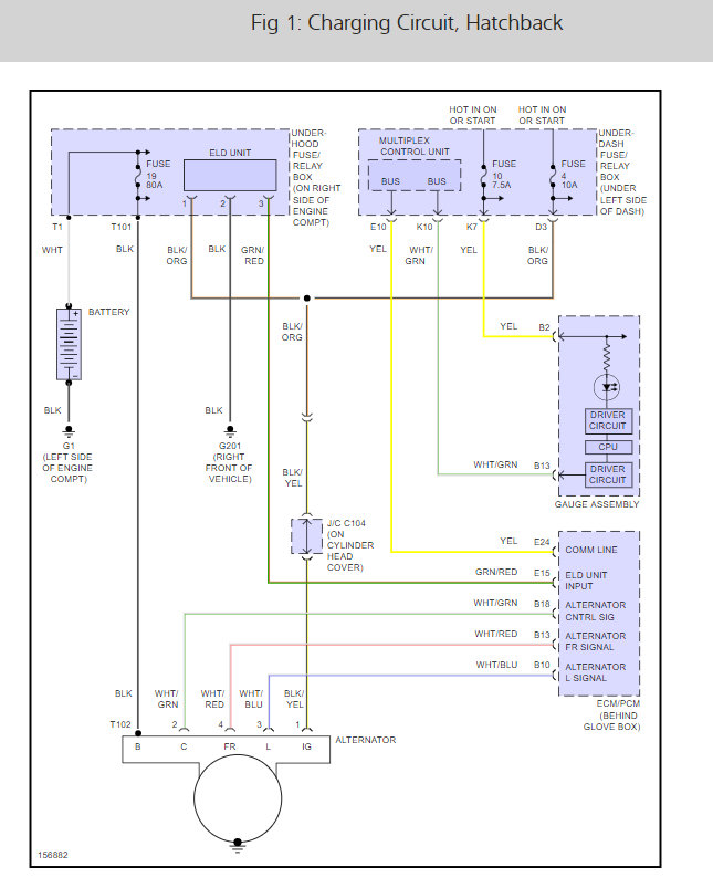
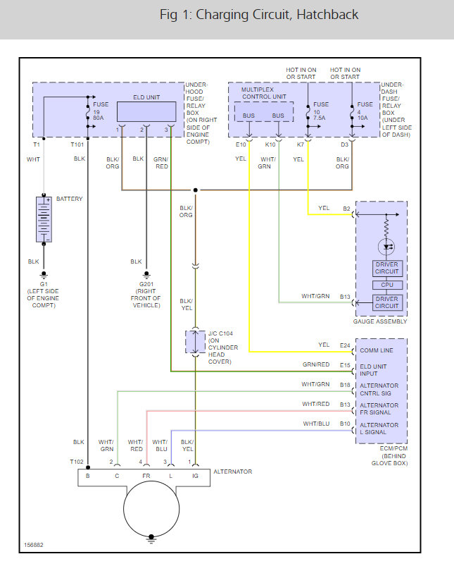
Yes, the alternator must be able to charge the battery. Can you get an image of the what they are talking about so I can confirm? Here is the alternator wiring diagrams so you can confirm the repair and to see how the system works. Please let us know what happens.
Nov 7, 2018 at 9:33 AM