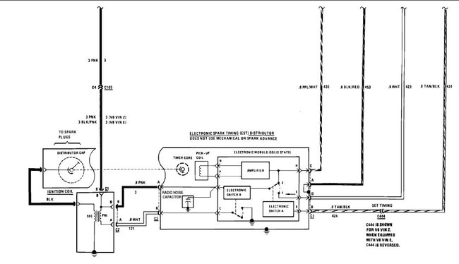
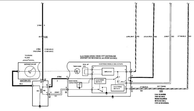
Engine turns over, fuel pump works, fuel injectors work, changed computer, changed distributor HEI module, checked the pick up coil, changed the ignition coil changed electronic spark control module, checked wiring, checked transmission position switch, changed the idle air control injector actuator, changed spark plugs, changed spark plug wires, checked the ignition switch. there's no power to the ignition coil. what else could it be?
Oct 18, 2019 at 6:30 AM
