car has trouble starting sometimes

1996 BUICK REGAL
11,000 MILES • 0.6L • V8 • AUTOMATIC
Avatar
SUSIEQ6914
  • MEMBER
  • 1 POST
Sometimes I have to turn the key several times before it will turn over. But sometimes it starts up nicely.
Mar 4, 2018 at 1:49 PM
Advertisement
Avatar
PATENTED_REPAIR_PRO
  • CERTIFIED EXPERT
  • 1,853 POSTS
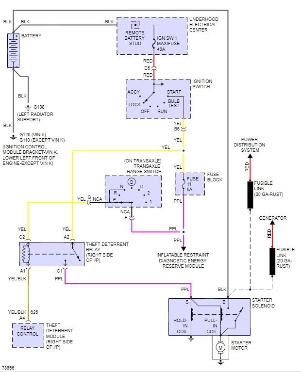
Check if the fuse #11 in the fuse block is getting voltage when you turn the key to start. You will have to test when the starter is not working, because it comes from the ignition switch. If anytime it does not have voltage when turning the key to start, it appears you have a bad ignition switch.
Mar 4, 2018 at 1:59 PM