Rough idle and sometimes stalls

2008 SCION XB
140,000 MILES • 0.5L
Avatar
CHILLY08XB
  • MEMBER
  • 4 POSTS
Car has been giving me problems lately with codes saying it an o2 sensor and MAF sensor. I replaced both O2 sensors and the MAF. It’s been having a rough idle dropping below 509. Sometimes it stalls especially when stopping at lights or idles rough.
Jun 12, 2020 at 1:02 PM
Advertisement
Avatar
KASEKENNY
  • CERTIFIED EXPERT
  • 18,907 POSTS
Do you still have the same codes and if so, what are they?

Also, we need to check for a vacuum leak and see if we can find anything as that is the most likely cause of what you are seeing. Here is a guide that talks about this.

Let me know and we can go from there. Thanks

https://www.2carpros.com/articles/how-to-use-an-engine-vacuum-gauge
Jun 12, 2020 at 5:54 PM
Avatar
CHILLY08XB
  • MEMBER
  • 4 POSTS
Yea, I tried the spraying carburetor cleaner on the hoses and nothing changed. The codes it gives now are P0172 and P0101.
Jun 15, 2020 at 1:38 PM
Advertisement
Avatar
CHILLY08XB
  • MEMBER
  • 4 POSTS
Also, my spark plugs were really black so I changed them.
Jun 16, 2020 at 5:14 AM
Avatar
KASEKENNY
  • CERTIFIED EXPERT
  • 18,907 POSTS
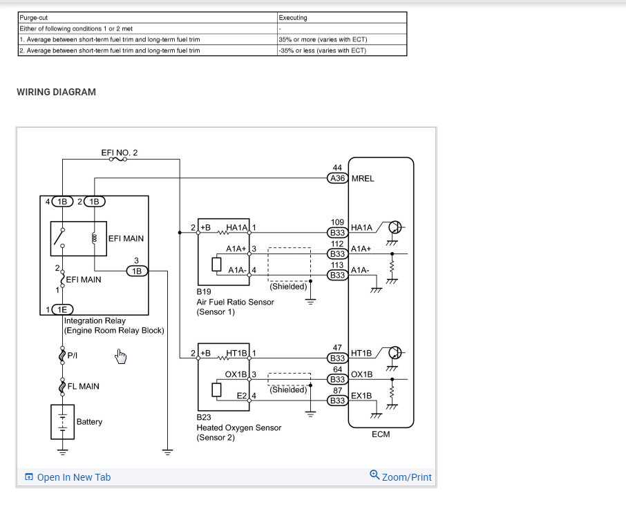
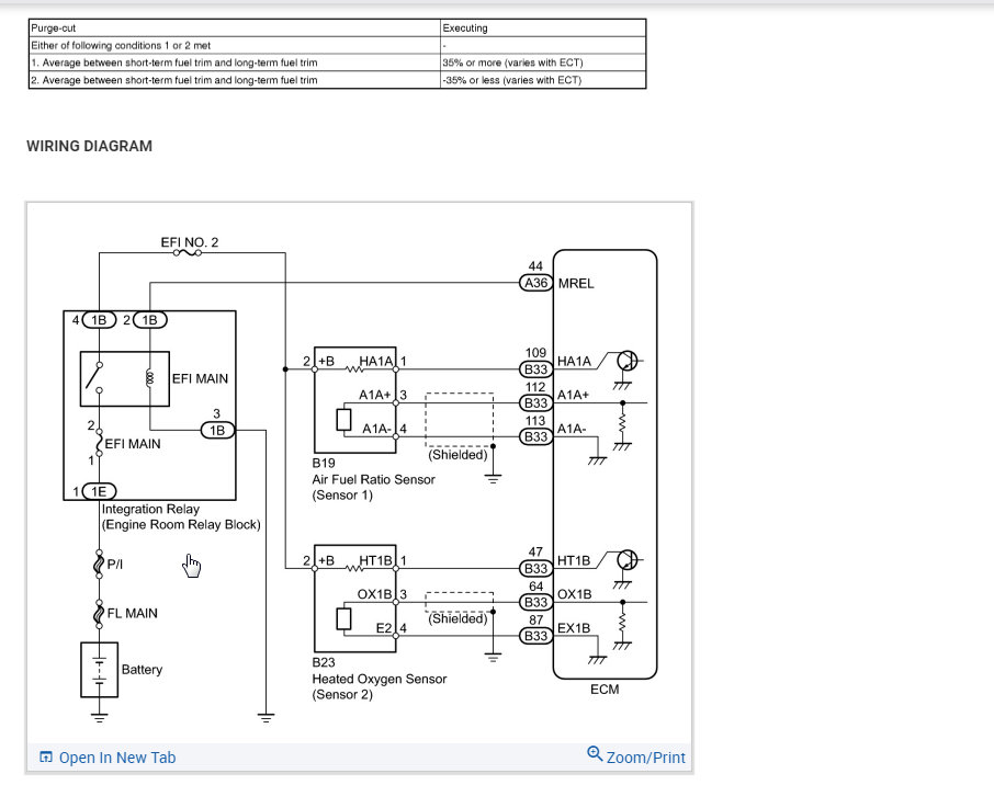
Okay. That is great info. You don't have a vacuum leak because the P0172 is actually a rich condition not a lean condition. So this means you have too much fuel. The black spark plugs would confirm this so I attached the testing for this code which is what we need to run through to find the issue. More then likely we have leaking fuel injectors or a MAF sensor issue but we will figure that out with this testing.

Due to the P0101 I am going to suspect we have a MAF sensor issue but since you replaced it is most likely wiring issues or a control module.
Jun 17, 2020 at 4:16 PM
Avatar
KASEKENNY
  • CERTIFIED EXPERT
  • 18,907 POSTS
Sorry. I forgot to attach the testing for the p0101 which is where I think we will end up going so you can actually start with this. If it is not wiring then the testing points to a PCV issue so we have a number of things to check.
Jun 17, 2020 at 4:20 PM
Avatar
CHILLY08XB
  • MEMBER
  • 4 POSTS
Okay, I changed the fuel injectors and I noticed the car idles normal now. But now after changing them I noticed some white smoke coming out of engine bay and exhaust . I’m not much of a mechanic so this is new.
Jun 22, 2020 at 3:47 AM
Avatar
KASEKENNY
  • CERTIFIED EXPERT
  • 18,907 POSTS
White smoke may just be condensation or water getting steamed out of the exhaust however, if it does not go away or get better, we have a new issue.

https://www.2carpros.com/articles/white-smoke-or-steam-coming-from-the-exhaust-pipe

If that is the case, we need to get a new post started because others will not find this issue under this heading.

Follow that guide and let us know what you find on a new post and we will work through this. Thanks
Jun 22, 2020 at 7:37 PM