Lights and radio not working

2005 MERCURY MONTEGO
150,000 MILES • 6 CYL • 2WD • AUTOMATIC
Avatar
CANEISHA
  • MEMBER
  • 1 POST
well, i think a fuse popped or something in my car. now my light's won't work neither will my radio?
Aug 21, 2020 at 6:30 PM
Advertisement
Avatar
KASEKENNY
  • CERTIFIED EXPERT
  • 18,907 POSTS
Can you let us know what lights will not work? Headlights, interior lights, brake lights?

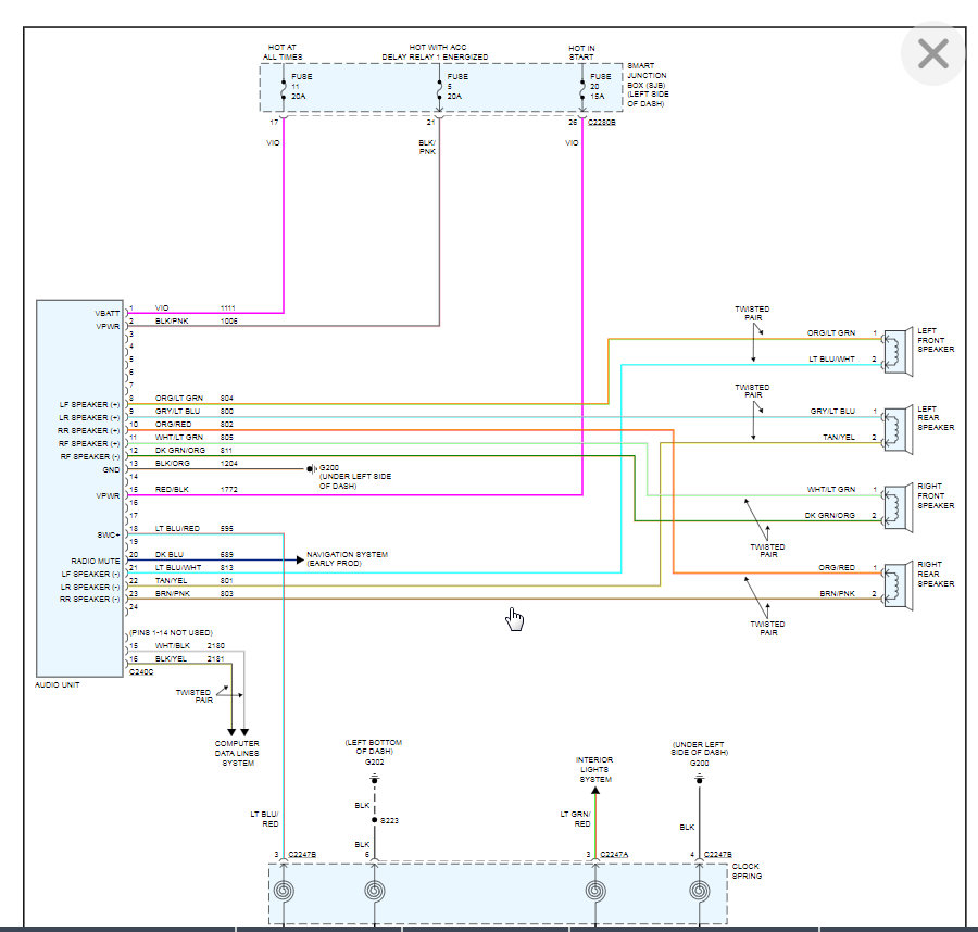
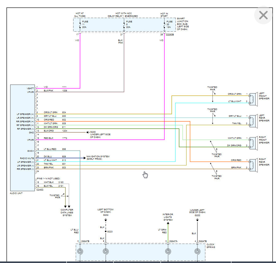
Also, you have a number of fuses tied to the radio. I attached that wiring diagram so we need to start with checking these fuses and replace any that are blown.

Let me know what lights are effected and we can figure out what they may have in common.
Aug 21, 2020 at 7:05 PM