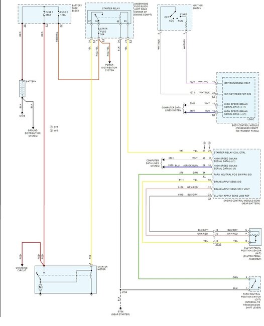
Hello, I have a question for you all. My wife has the vehicle listed above with A/C. About three (3) weeks ago the car started having the following problem. The car will start right up, the car runs good, but when you turn off the car, the car will not start, when you turn on the key, all the dash lights will come on, but the car will not start. There is no clicking or any sound at all coming from the engine. You can’t even jump start the car. It’s like the whole car is dead. We had the battery checked out at the local auto parts store and they said the battery is really good. They told me that the trouble could be the Starter, Starter Relay Fuse or Ignition Relay Fuse inside the Fuse Box under the hood. Need help please.
Can you tell me how to check all of this out step-by-step. Thank you.
Can you tell me how to check all of this out step-by-step. Thank you.
Aug 12, 2024 at 7:43 AM











