car radio and speakers not working properly

2011 CHEVROLET HHR
125,000 MILES
Avatar
DARNELLLOMAN
  • MEMBER
  • 1 POST
My radio turns on and off but now the sound only comes out of the front tweeter speakers on front side panels on dash.
Jan 4, 2021 at 10:51 AM
Advertisement
Avatar
DANNY L
  • CERTIFIED EXPERT
  • 5,648 POSTS
Hello, I'm Danny.

It sounds like you might be having an issue with the speaker outputs on your radio. I would suggest removing a door pane to access one of the front or rear speakers to test the wiring to see if you are receiving power to the speaker. Here is a tutorial on how to remove a door panel and test electrical wiring:

https://www.2carpros.com/articles/door-panel-removal

https://www.2carpros.com/articles/how-to-check-wiring

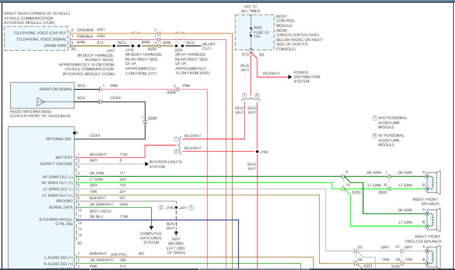
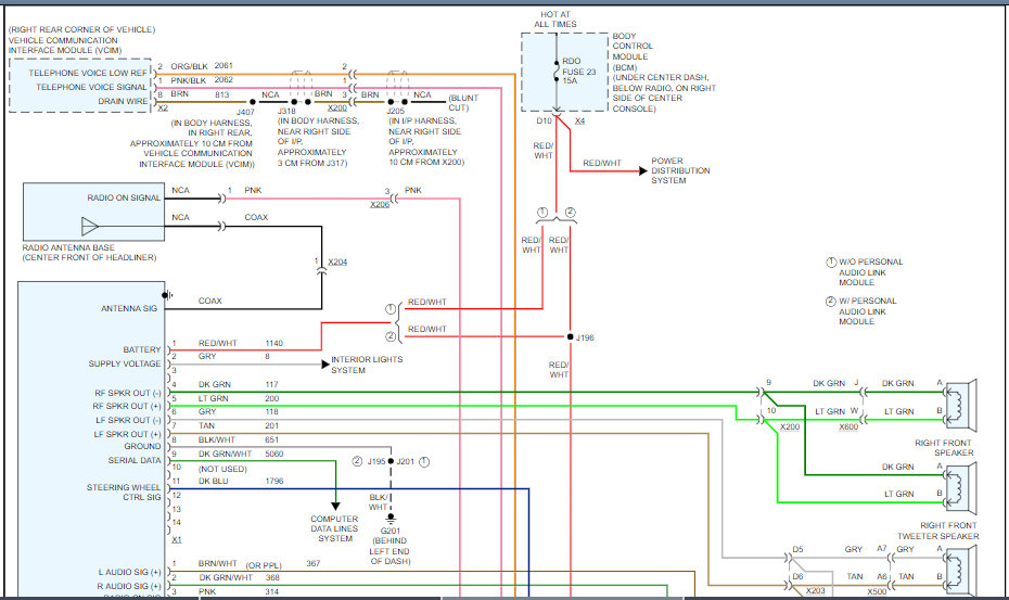
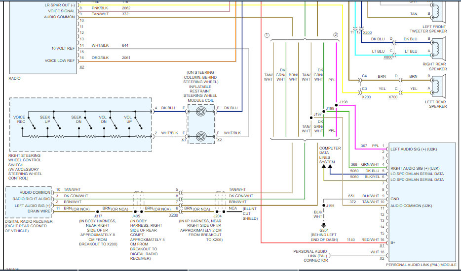
I've attached wiring diagrams below for the 2 different audio systems available in your vehicle. I've cut the pictures in half so you can view larger. The first pictures are for audio system equipped with an amplifier and the second set is for without. Hope this helps and thanks for using 2CarPros.

Jan 4, 2021 at 7:57 PM
Avatar
CARADIODOC
  • CERTIFIED EXPERT
  • 34,308 POSTS
Hi guys. This sounds similar to a blown amplifier fuse on Chrysler products. They don't run the dash tweeters through the amp, so you'll still have that high-pitched tinny sound from the radio.
Jan 5, 2021 at 4:46 PM
Advertisement
Avatar
DANNY L
  • CERTIFIED EXPERT
  • 5,648 POSTS
Hello again.

I've attached pictures below of the right side center console fuse block relating to the 2 fuses related to the amplifier and audio system. The amplifier fuse is in location #6 and the audio system fuse is in location #23. Hope this helps and thanks again for using 2CarPros.

Danny-
Jan 6, 2021 at 7:26 PM