Car will not start

2003 NISSAN PRIMERA
76,000 MILES • 2.0L • 4 CYL • 2WD • AUTOMATIC
Avatar
JULIOGS
  • MEMBER
  • 2 POSTS
Vehicle listed above P12 wont start. Crankshaft and camshaft are okay..
Aug 11, 2020 at 10:15 PM
Advertisement
Avatar
JACOBANDNICKOLAS
  • CERTIFIED EXPERT
  • 110,175 POSTS
Hi,

This vehicle isn't offered in the US, but I will try to help. First, did this happen all at once? Have you checked for spark and fuel to the engine? Take a look through this link first. It explains the most common causes for a crank no start condition.

https://www.2carpros.com/articles/car-cranks-but-wont-start

Also, try this. See if the engine starts for a couple seconds and then stalls when using starting fluid. If it does, then we know it's a fuel related issue. If it still won't even try to start using starting fluid, then it is likely ignition related (no spark to the plugs).

Let me know.

Joe
Aug 11, 2020 at 10:48 PM
Avatar
JULIOGS
  • MEMBER
  • 2 POSTS
Thank you for your promptly reply.

When I turn on the switch I can hear the gas pump sound.
The car crank but does not start.
Everything started intermittently. The car had trouble to start, after some intents it started.

Suddenly one day stopped, we took the car to the mechanics. They suspected from the coils, 2 of them were changed like 2 months before the final fail.

Then came Covid 19 and the car stayed for 3 months sitting there...

They say that the problem seems to be the ECU, but the thing is that the Computer does not appear anywhere. I can't find the exact part MEC30-180 B1 2606.

I used a ODBII scanner and showed error p0335, i took out the Crankshaft Sensor and wen to a place where they test it and it seems to be okay.

I bough a small oscilloscope and "tested" the crank and camshaft signal which I think seems to me there...

When I decided to take the car out of the repair shop, they said the card started again. then failed to start again. After a few days with the battery disconnected, the car started again at home few days after being unused, but just for a few minutes. I though it was something resetting, but I have tried to do the trick again but since that moment it haven't star ever again.

I wish to find the real problem... The car have a sentimental value for me, I don't really want to say the reason in this public forum, but... I wish to be able to start it again....

A friend of mine helped me the other day, he found out that in the coil there was ground and the positive, but something weird was that the signal pin had also 12 volts + I don't think that is okay.. What can make 12v+ present in the signal pin?
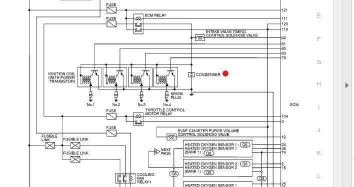
I have the manual too. It refer to disconnect the condenser hardness

1. Turn ignition switch “off”.
2. Disconnect condenser harness connector.
3. Turn ignition switch “on”.
4. Check voltage between condenser.

But I haven't found the named condenser.


Aug 12, 2020 at 12:54 PM
Advertisement
Avatar
JACOBANDNICKOLAS
  • CERTIFIED EXPERT
  • 110,175 POSTS
Hi,

The idea that the crank sensor tested good but there is no spark makes me thing there is a wiring issue. I don't have a schematic to look through exactly how this system works. As far as the 12v, that could be normal. The igniter may fire when the PCM opens a ground path for it. Have you checked all wiring at the crankshaft position sensor of corrosion, damage, or anything that is doesn't seem normal?

Joe
Aug 12, 2020 at 9:42 PM