Will not start, no interior lights

2002 MAZDA MILLENIA
200,000 MILES • 6 CYL • 2WD • AUTOMATIC
Avatar
CMPKEN
  • MEMBER
  • 1 POST
The car won't start and the interior lights will not come on. I replaced the battery and the head light came on but the headlight on/off switch will not turn them of. Even with the new battery the installed and the headlights on the interior light will not come on.

Thank you for any help.
Ken
Jul 21, 2019 at 10:15 AM
Advertisement
Avatar
STRAILER
  • CERTIFIED EXPERT
  • 53,855 POSTS
Hello,

Please confirm the fuses are good here is a guide to help you with the fuse locations as well. If the fuses are good it sounds like the CPU has gone bad here are the replacement instructions and the location below.

https://www.2carpros.com/articles/how-to-check-a-car-fuse


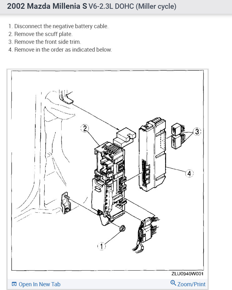
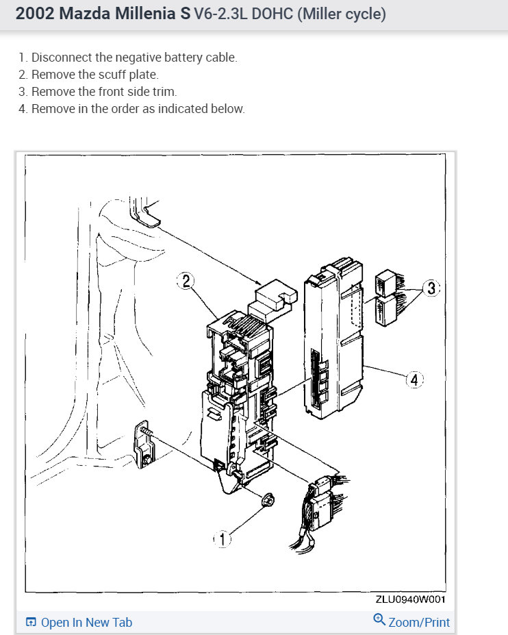
CENTRAL PROCESSING UNIT (CPU) [ REMOVAL & INSTALLATION ]
Removal & Installation
Disconnect negative battery cable. Remove left side kick panel trim. Remove joint box mounting screws and remove joint box. Disconnect CPU electrical connectors. Separate CPU from joint box. To install, reverse removal procedure.

CENTRAL PROCESSING UNIT [ REMOVAL & INSTALLATION ]
Removal & Installation
Disconnect negative battery cable. Remove driver's side kick panel and scuff plate. Remove joint box mounting screws and remove joint box. Disconnect CPU electrical connectors. Separate CPU from joint box. To install, reverse removal procedure.

Central Processing Unit (CPU) On joint box. Check out the diagrams (Below). Please let us know what you find. We are interested to see what it is.
Jul 22, 2019 at 3:08 PM