Cargo light fuse location needed

2005 CHEVROLET 3500
205,000 MILES • 6.6L • V8 • TURBO • 4WD • AUTOMATIC
Avatar
CHARGE9
  • MEMBER
  • 1 POST
Sir, I cannot locate the fuse for the cargo light.
Feb 26, 2021 at 2:13 PM
Advertisement
Avatar
KASEKENNY
  • CERTIFIED EXPERT
  • 18,907 POSTS
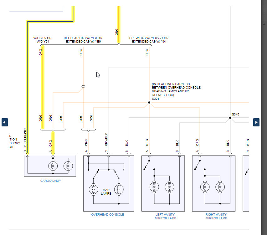
The cargo light on this vehicle does not have a fuse. It is controlled by the BCM which supplies its power and grounds the circuit so a circuit protector (fuse) is not needed.

Please take a look at the wiring diagram below for more information. I assume the bulb is not working. So have you checked power and ground when the light is turned on?

https://www.2carpros.com/articles/how-to-check-wiring

If not let's start with this and if you have no power then we may have a switch issue or BCM issue.

Let us know if you have questions. Thanks
Feb 27, 2021 at 7:01 PM