Center console display and radio are not working

2009 VOLVO V70
115,000 MILES • 3.2L • 6 CYL • 2WD • AUTOMATIC
Avatar
ROBERT WILLOCK
  • MEMBER
  • 5 POSTS
The climate controls do work but display does not. I have changed display to one I know works still nothing. I have checked fuses still nothing. need help please. I have also checked wiring behind display unit and radio see no problems.
Sep 15, 2021 at 11:30 AM
Advertisement
Avatar
JACOBANDNICKOLAS
  • CERTIFIED EXPERT
  • 110,175 POSTS
Hi,

When you installed the new display, were you sure the optic connections were clean, tight, and not bent?

As far as the issue, this unit receives signals via the can-bus. CAN stands for controller area network. Basically, all the computers/modules are tied together via a few wires. If everything is properly attached and in good condition, I recommend having the can-bus scanned for codes. If there is a code stored, it will identify it regardless of the module.

Here is a quick video showing it being done:

https://youtu.be/u-4syLc-ifQ

By scanning the system, it should point us in the right direction. If it isn't done, then it becomes a guessing game. That usually leads to money and time lost.

If you take a look at the attached pic below, it identifies possible concerns.

Let me know if this helps or if you have other questions.

Take care,

Joe

See pic below.
Sep 16, 2021 at 8:54 PM
Avatar
ROBERT WILLOCK
  • MEMBER
  • 5 POSTS
I have read codes before and after new display was installed, I own a scan tool pc no codes before or after checked connection s all okay. no bent or damaged ones optic sensors seem fine, no damage new unit was confirmed to work by me in alternate vehicle same model but 2008 similar miles worked perfectly but not in this one.
Sep 17, 2021 at 5:11 AM
Advertisement
Avatar
JACOBANDNICKOLAS
  • CERTIFIED EXPERT
  • 110,175 POSTS
Hi,

With the key on, does anything related to the display work? Also, when you checked fuse 6 in the central control module (see pic 1), did you confirm there is power to and from it?

https://www.2carpros.com/articles/how-to-check-a-car-fuse

Let me know. I'm trying to look through schematics, but everything is asking for a production date. If possible, let me know when it was produced. That way, I can focus on the specifics.

Take care,

Joe

See pics below.

Sep 17, 2021 at 4:55 PM
Avatar
ROBERT WILLOCK
  • MEMBER
  • 5 POSTS
I finally have figured it out after 12 flustering hours I traced the main optic cable coming into radio it was bad and also serious radio module in read of vehicle was bad wasn't sending optic signal forward it's buried under hatch compartment in rear of vehicle right in front of spare tire on a white bracket. now to resemble entire dash, lol. thanks for the help.
Sep 17, 2021 at 11:46 PM
Avatar
JACOBANDNICKOLAS
  • CERTIFIED EXPERT
  • 110,175 POSTS
Wow! You have your hands full. It sounds like a nightmare. Regardless, I'm glad to hear you found the problem, even though you had to take most of the car apart. LOL I have no idea why things are designed the way they are.

Thanks for the update. It will likely help others in the future. Take care of yourself and please feel free to come back anytime in the future. You're always welcome here.

Joe
Sep 18, 2021 at 8:00 PM
Avatar
ROBERT WILLOCK
  • MEMBER
  • 5 POSTS
Update: it worked for 2 minutes turned car off never has came on again. I have tried multiple display several serious modules still no codes. rechecked the basics fuses etc. changed optic cables again nothing works changed radios Nada think it's for sell when I put it back together.
Sep 19, 2021 at 1:21 AM
Avatar
JACOBANDNICKOLAS
  • CERTIFIED EXPERT
  • 110,175 POSTS
Hi,

If everything is getting power, signal, and ground, it should be working if you know the unit is good.

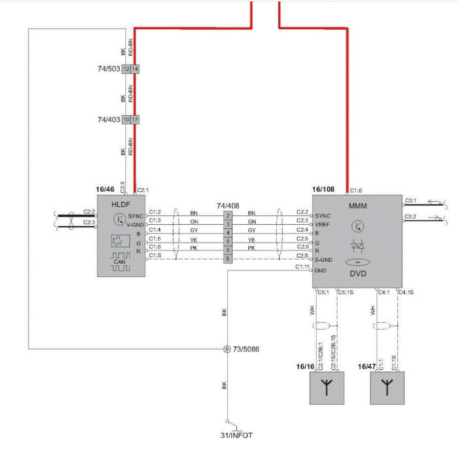
Take a look at the attached two pics. It is a schematic of the unit. See if anything stands out to you that could have been missed.

Also, is your scan tool able to read the entire can-bus system?

Let me know.

Joe

See pics below. Note: I had to cut the schematic in half to make it readable. I did overlap it so you can follow from one to the next.
Sep 19, 2021 at 8:20 PM