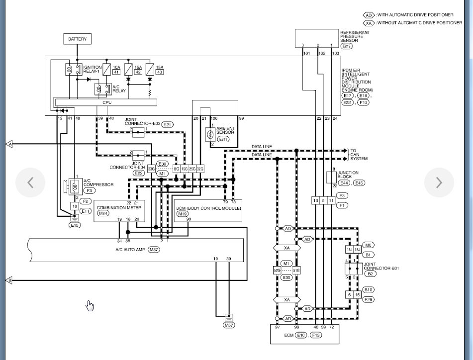
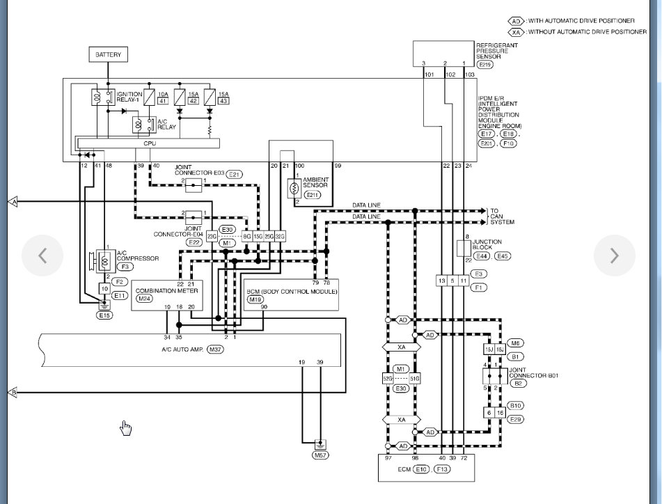
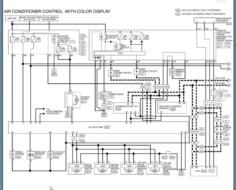
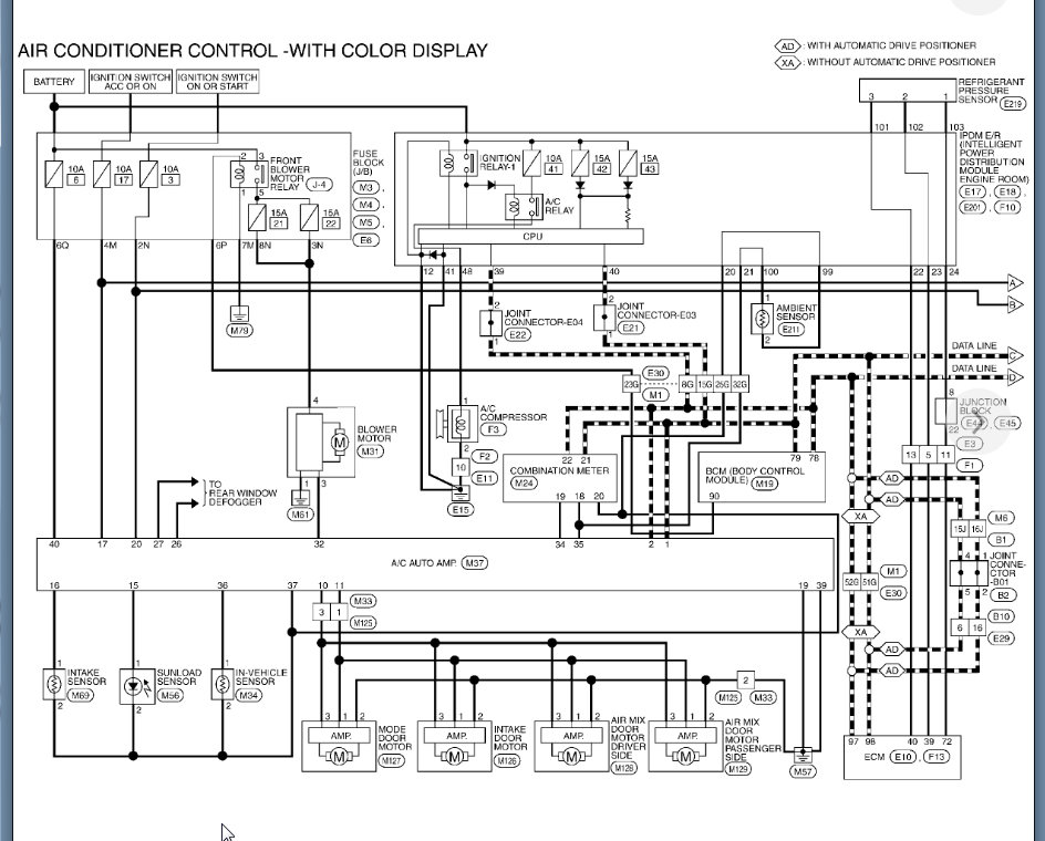
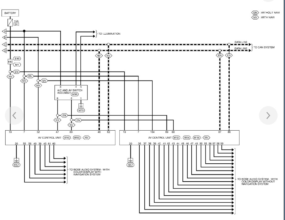
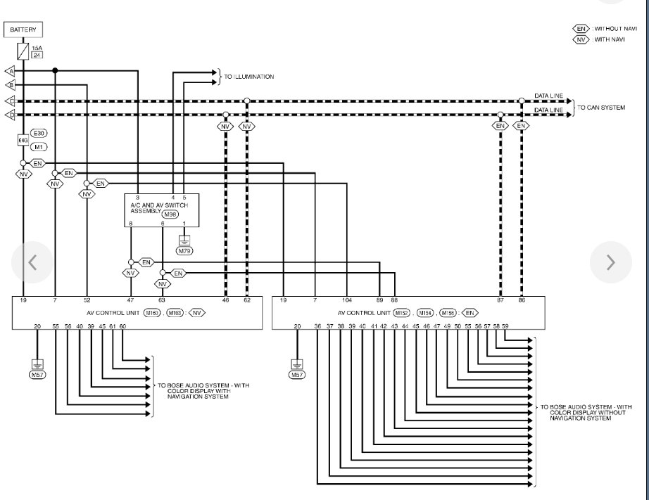
Wha wires I can reconnect to so I can have control of the air. Because of its different connector then my original one. I have the climate control on the radio panel want to change it so it could be under the amber sceen
Oct 15, 2019 at 6:20 PM




