I don't have hot air coming from all the vents on the driver side,i.e. the windscreen, small vent on the dash near the drivers door and the front vent.
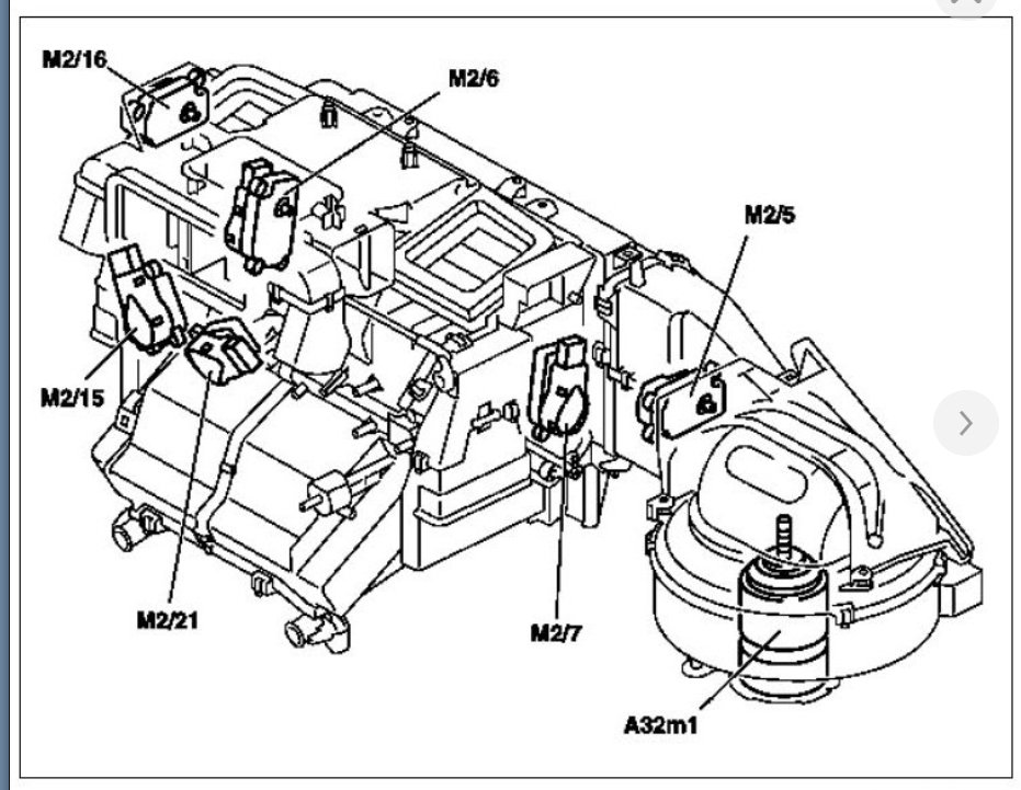
I think it is the M2/6-Lt blend air flap position motor that has failed,but I am not sure about it.This motor is under the car frame to which the steering column is attached.
I don't know how to free the steering column as I have never done this before.
Sir,your help will be highly appreciated.
My VIN:WDBRN 40J 53A 472958.
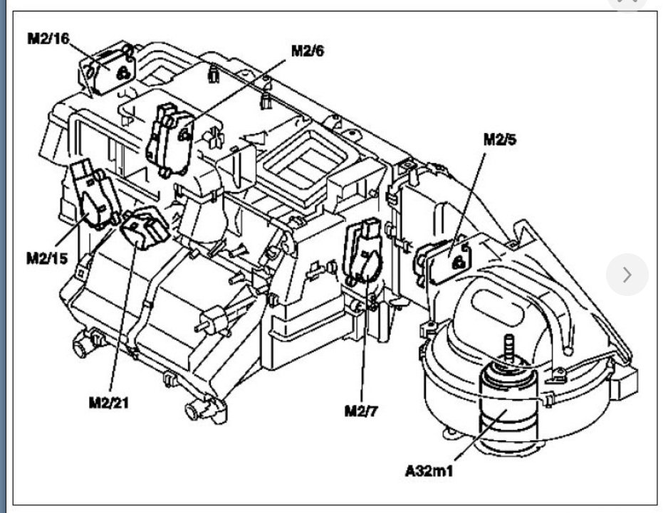
I think it is the M2/6-Lt blend air flap position motor that has failed,but I am not sure about it.This motor is under the car frame to which the steering column is attached.
I don't know how to free the steering column as I have never done this before.
Sir,your help will be highly appreciated.
My VIN:WDBRN 40J 53A 472958.
Apr 2, 2020 at 8:31 AM























