Charging and starting System

2006 PONTIAC G6
159,000 MILES • 3.9L • V6 • 2WD • AUTOMATIC
Avatar
JIMB2020
  • MEMBER
  • 106 POSTS
I need readable multi color power and ground distribution electrical diagrams of the following:
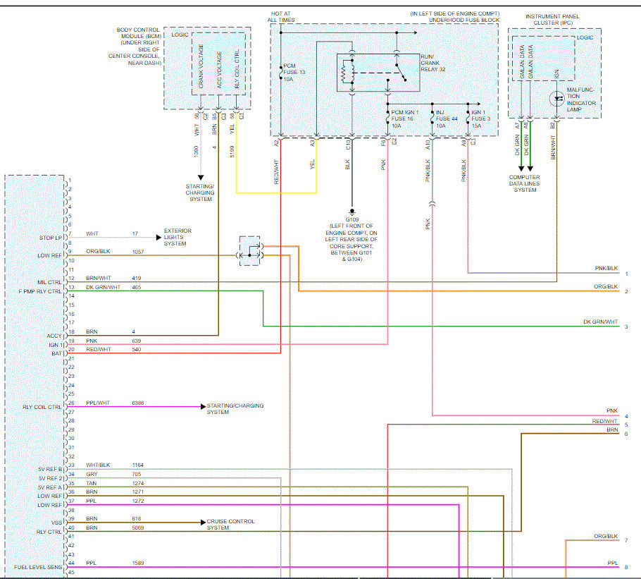
1. BCM 1, 2 and 3
2. ECM
3. PCM
4. Ignition Switch
5. ABS
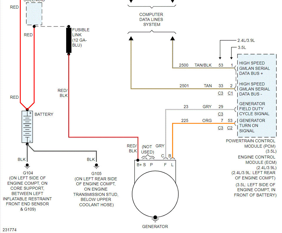
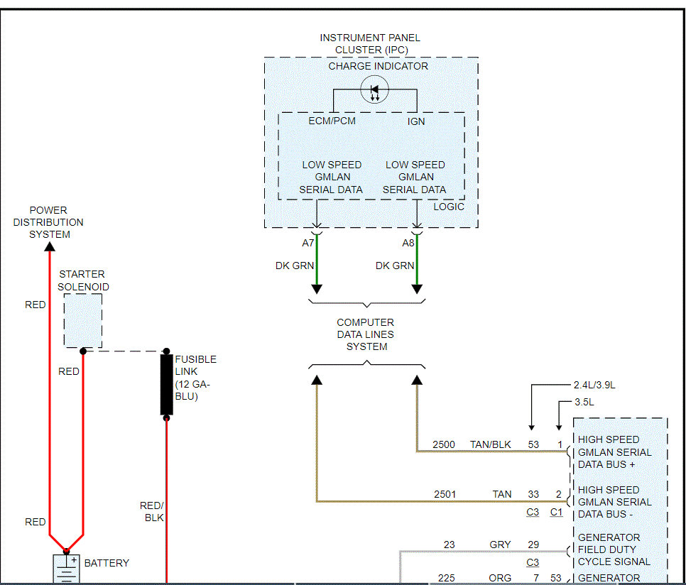
6. Generator F (alternator to starter and battery and IPC)
Feb 10, 2020 at 12:10 PM
Advertisement
Avatar
PORTAFISHING
  • MEMBER
  • 37 POSTS
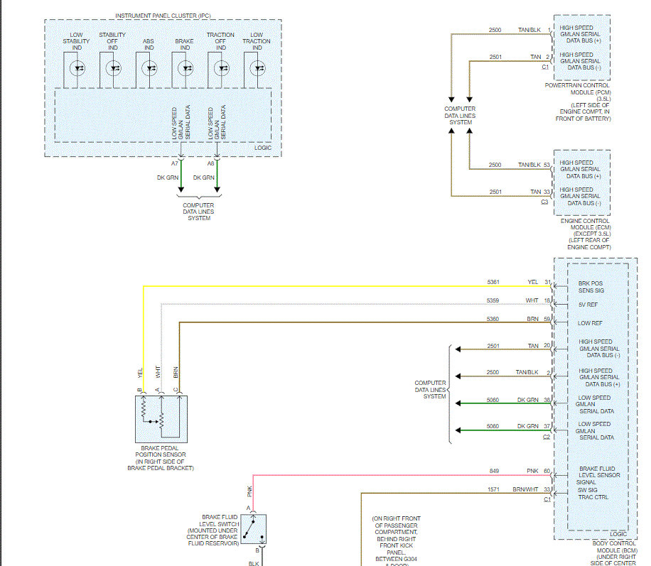
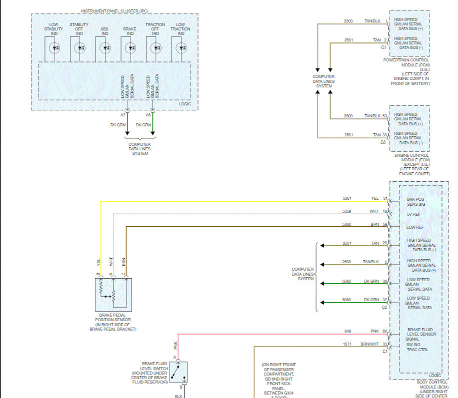
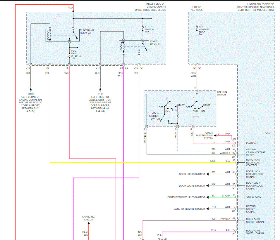
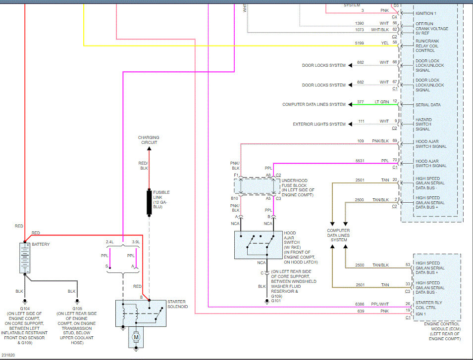
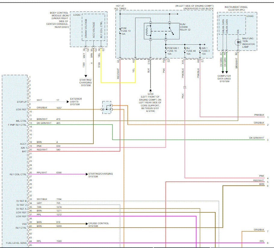
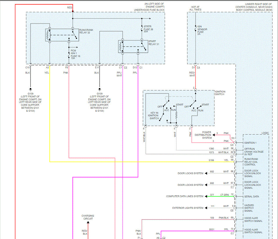
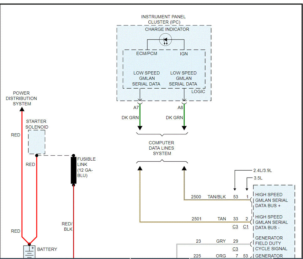
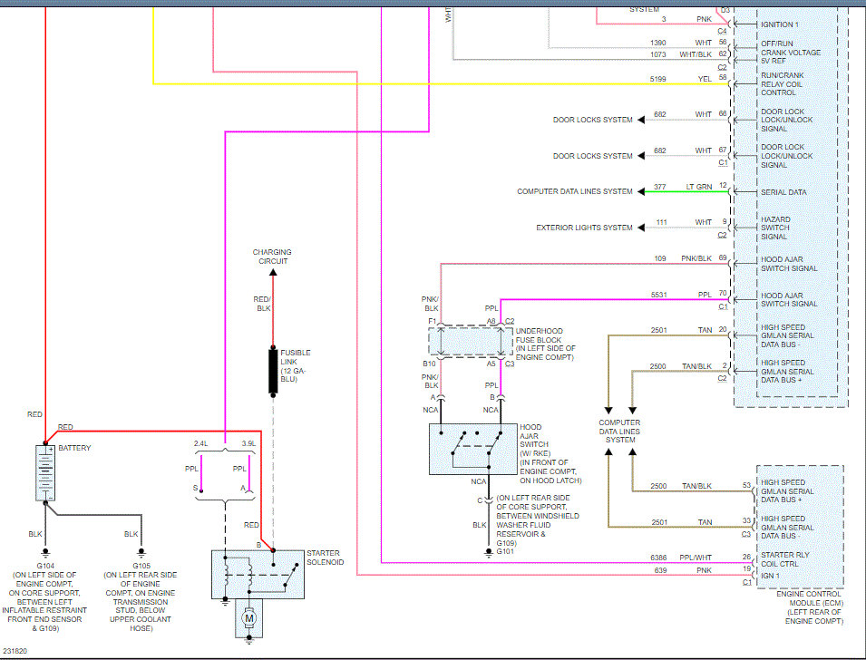
Here are some of the diagrams for ECM and BCM. i will send more shortly. I hope this is what you need.
Feb 10, 2020 at 3:23 PM
Avatar
JACOBANDNICKOLAS
  • CERTIFIED EXPERT
  • 110,175 POSTS
Hi,

The first 8 pictures are of the entire power-train control. The next two are of the charging, then the starter, then the ABS. I overlapped everything so you can follow them.

Let me know if this helps.

Joe
Feb 10, 2020 at 3:28 PM
Advertisement