Charging system

2011 LINCOLN TOWN CAR
190,440 MILES • 4.6L • V8 • 2WD • AUTOMATIC
Avatar
ROBERT RAYMOND
  • MEMBER
  • 1 POST
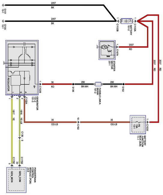
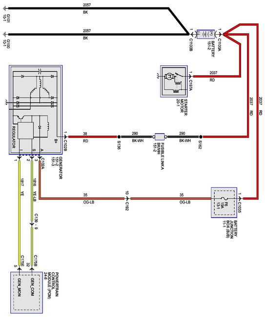
Replaced alternator shows charging at 14.2, but battery light on.
Dec 11, 2017 at 10:59 AM
Advertisement
Avatar
STEVE W.
  • CERTIFIED EXPERT
  • 15,113 POSTS
Check the voltage output at the yellow wire at terminal one. A bad connection/broken wire there won't send a signal to the PCM telling it that the alternator is working.
Dec 14, 2017 at 7:19 PM