Charging system not working?

2011 VOLKSWAGEN JETTA
107,456 MILES • 2.5L • 5 CYL • 2WD • AUTOMATIC
Avatar
HGWK
  • MEMBER
  • 45 POSTS
Hello, I am working on the car listed above, so the battery light kept coming on and off for past six months or so until recently when the battery warning light stayed on solid, and the car died. Both alternator and battery were tested, and both were bad (alternator was tested on and off vehicle with same result) I've replaced both alternator and battery with new parts and had the new alternator tested prior to installing it. I also checked the alternator fuse/fusible link that sits on the front side of the junction box in the engine compartment, and it had continuity which I also replaced as a precaution with another used one which also had continuity across both fuses that are on that same block. However, the problem still persists, and battery light still stays on. When I scanned the OBD system with my scanner I came across this code which keeps coming back even after I delete it. The code is: P068A (static) ECM Power Relay Loac Circuit (J271), De-Energized Performance Too Early and P0562 (intermittent) System Voltage Too Low. I've also included a screenshot of this. I've tried to look up and locate the J271 relay but there is nothing that's giving me a specific location or relay. I've also tried testing the alternator with my scanner and there's no output, just 12.6 volts and dropping while the engine is running. Please let me know what do you think? Also does the system need to be reprogrammed after replacing all this? Thank you so much!
P.S
It may not let me upload the screenshot of the code, but it is as described. Thanks
Nov 8, 2024 at 6:14 AM
Advertisement
Avatar
STRAILER
  • CERTIFIED EXPERT
  • 53,855 POSTS
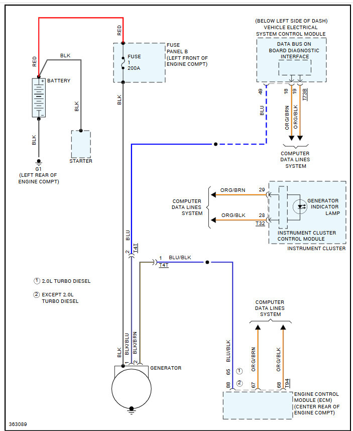
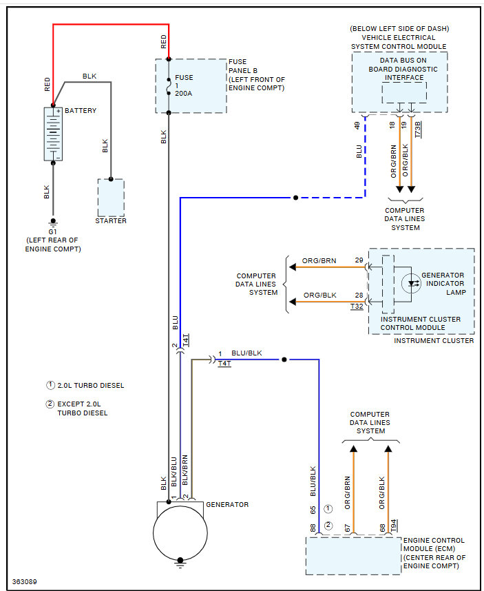
These codes could be because the system is not charging, the first thing i would do is check the 200-amp fuse under the hood that goes to the alternator. Here is a guide to help and the alternator wiring diagrams so you can see how the system works:

https://www.2carpros.com/articles/how-to-check-a-car-fuse

Check out the images (below). Please let us know what happens.
Nov 8, 2024 at 4:34 PM
Avatar
HGWK
  • MEMBER
  • 45 POSTS
First and foremost thank you for your reply, but as I mentioned I did check the alternator fuse/fusible link for continuity and it has continuity and as a precaution I have swapped it with another used fuse block like the one you see in the picture, I've measured continuity for all fuses on that block, should I check for resistance values and do you know what those are?Thanks
Nov 9, 2024 at 7:25 AM
Advertisement
Avatar
STRAILER
  • CERTIFIED EXPERT
  • 53,855 POSTS
There should be little to no resistance through the fuses link or wiring. Are you getting 12 volts to the black wire at the alternator?
Nov 9, 2024 at 11:24 AM
Avatar
HGWK
  • MEMBER
  • 45 POSTS
Yes it's putting out 12.29V at the alternator.
Nov 10, 2024 at 4:30 PM
Avatar
STRAILER
  • CERTIFIED EXPERT
  • 53,855 POSTS
So the black wire has 12 volts? or the alternator is putting out 12 volts while running?
Nov 11, 2024 at 8:54 AM
Avatar
HGWK
  • MEMBER
  • 45 POSTS
Yes the alternator is putting out 12.29V at the black wire while running, which I think is insufficient, should be around 14V if I'm not mistaken?
Nov 11, 2024 at 10:21 AM
Avatar
HGWK
  • MEMBER
  • 45 POSTS
I'm going to test again with the engine running and engine off as I think it's just measuring the battery voltage. I will update ASAP. Thanks
Nov 11, 2024 at 10:38 AM
Avatar
HGWK
  • MEMBER
  • 45 POSTS
Yes the voltage is about the same woth engine off 12.69V so the new alternator is not putting anything out!?
Nov 11, 2024 at 12:10 PM
Avatar
HGWK
  • MEMBER
  • 45 POSTS
Update! I think I got it figured out. The alternator is spinning in the opposite direction of the direction indicating arrow on the body of the alternator meaning they sold me an alternator for single sided belt and mine is dual sided. Gonna go replace the alternator with correct one then I'll update. Thanks
Nov 11, 2024 at 12:35 PM
Avatar
STRAILER
  • CERTIFIED EXPERT
  • 53,855 POSTS
Nice work! That does not happen very often so I am glad you found it.
Nov 12, 2024 at 10:51 AM