Check 4x4 light comes on instantly

2014 FORD F-250
127,000 MILES • 6.7L • V8 • TURBO • 4WD • AUTOMATIC
Avatar
523CRUSADER
  • MEMBER
  • 2 POSTS
I'm new to this, so please be patient. Truck listed above is a 4x4. when I rotate the selector switch to 4h or 4l, the "check 4x4" light instantly comes on. I can't hear anything clicking, nothing at all. I checked the fuses that the manual said were for 4x4, but they are good. I can't find which, or if any, relays are associated with the 4x4 function, or where they are located. The one interesting thing I found in my quick look at it was an electrically activated valve of some sort that seems to allow vacuum pressure to the hubs (it's mounted right by the fuse box under the hood, driver side). When the switch is rotated, it doesn't "open" to let vacuum operate the hubs. I don't know what has to happen ahead of that to make it operate, just kind of interesting. In any case, any help is greatly appreciated.
Sep 24, 2019 at 3:12 PM
Advertisement
Avatar
STRAILER
  • CERTIFIED EXPERT
  • 53,855 POSTS
Hello,

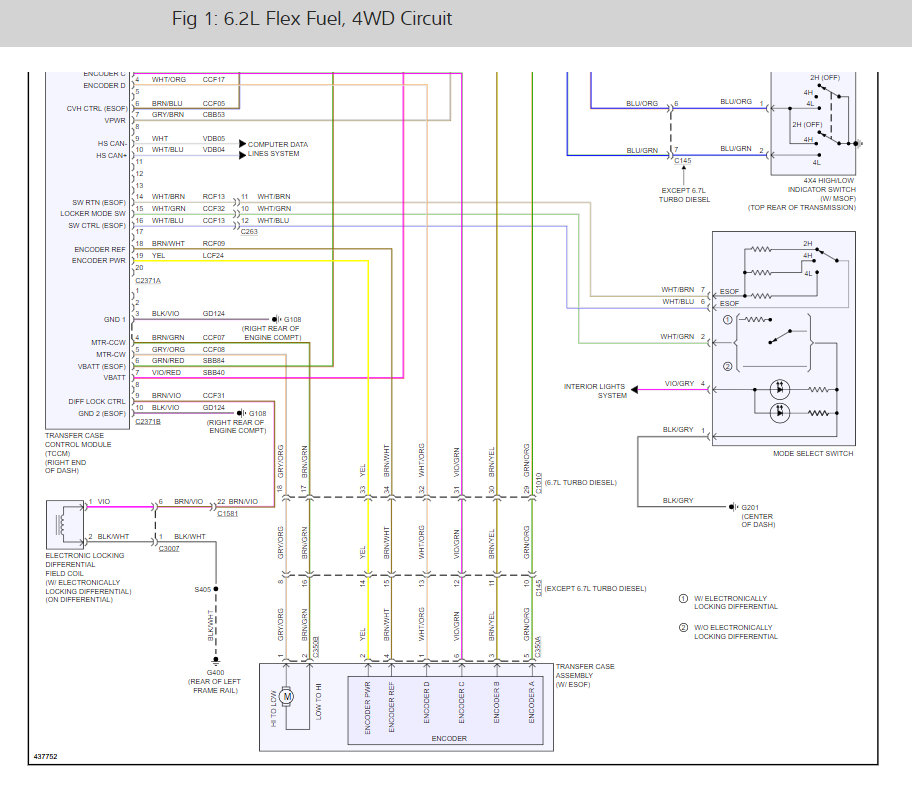
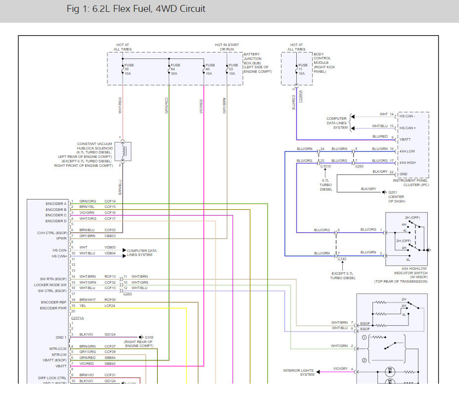
There are 5 fuses that run the system which need to checked first. here is the transfer case wiring diagrams to help you see how the system works and the fuse locations with a guide to help you test he fuses:

https://www.2carpros.com/articles/how-to-check-a-car-fuse

If all fuses are good it sounds like the switch is out. You should run a CAN scan which goes over the truck's computer system here is a video on how. You can get the CAN scanner from Amazon for about $50.00.

https://youtu.be/InIlnsjOVFA

Check out the diagrams (below). Please let us know what you find. We are interested to see what it is.
Sep 27, 2019 at 5:24 PM
Avatar
523CRUSADER
  • MEMBER
  • 2 POSTS
Thank you so much for this valuable information! I just got in from out of town, and will start doing some troubleshooting this weekend. I really appreciate you taking the time to gather this information for me. I will update as soon as I find anything. Thank you!
Sep 30, 2019 at 6:57 AM
Advertisement
Avatar
STRAILER
  • CERTIFIED EXPERT
  • 53,855 POSTS
Please let us know what happens.
Sep 30, 2019 at 4:58 PM