Code P0615, check engine light on?

2010 INFINITI G37
200,000 MILES • 3.7L • V6 • 2WD • AUTOMATIC
Avatar
  • MEMBER
  • 6 POSTS
2010 Infiniti G37 X 3.7L 3696CC V6 FI VIN: VQ37VHR
Vin No: JN1CV6ARXAM453165.
It has a check engine light on dashboard, P0615: Starter, Module type: Transmission, I have no problem starting the engine. I had O’Reilly Auto run a general diagnostic and check the battery, alternator, and starter. They said that each one checked good, except the battery was a little low. I was thinking about change the starter relay but unable to locate it, but since it is starting good I not know if it would help any by replacing it.
I would appreciate any help you can give me on resolving this issue..
Have a blessed day.
James E Ward
Oct 10, 2024 at 10:37 AM
Advertisement
Avatar
CANNON1349
  • CERTIFIED EXPERT
  • 861 POSTS
Hello,
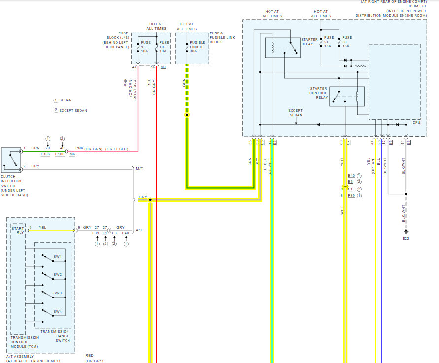
Please note, P0615 stands for "STARTER RELAY CIRCUIT" which is general yet more specific than just the starter. What flags this code is when the starter monitor system is OFF when the ignition is turned ON while the car is in Park or Neutral. This is an electrical diagnosis and I will be happy to walk you through this if you'd like. I will paste the diagnostic instructions below and an electrical diagram of the relay circuit. It could certainly be possible that the relay may have something to do with it, but we don't know for sure.

Diagnosis Procedure
1.CHECK STARTER RELAY SIGNAL
1. Turn ignition switch ON.
2. Check voltage between IPDM E/R connector terminal and ground.

Is the inspection result normal?
YES - Check starter relay circuit. Refer to See: Starting System > Electrical.
NO - GO TO 2.

2. CHECK HARNESS BETWEEN A/T ASSEMBLY AND IPDM E/R (PART 1)
1. Turn ignition switch OFF.
2. Disconnect A/T assembly connector and IPDM E/R connector.
3. Check continuity between A/T assembly vehicle side harness connector terminal and IPDM E/R vehicle side harness connector terminal.

Is the inspection result normal?
YES - GO TO 3.
NO - Repair or replace damaged parts.

3.CHECK HARNESS BETWEEN A/T ASSEMBLY AND IPDM E/R (PART 2)
Check continuity between A/T assembly vehicle side harness connector terminal and ground.

Is the inspection result normal?
YES - GO TO 4.
NO - Repair or replace damaged parts.

4.CHECK INTERMITTENT INCIDENT
Refer to See: Vehicle > Initial Inspection and Diagnostic Overview > Intermittent Incident.

Is the inspection result normal?
YES - Replace A/T assembly. See: Automatic Transmission/Transaxle > Removal and Replacement > Exploded View
NO - Repair or replace damaged parts.

Note that the starter relay is in the IPDM box, which is located in the right rear section of the engine bay. Some of the relays in this section are internal to the IPDM, so be careful during your testing. Let me know if I can help any further.

William
Oct 10, 2024 at 3:03 PM
Avatar
  • MEMBER
  • 6 POSTS
On the images the harness shown in color and goes to a connector terminal's letter and number. To be assured that I'm checking the correct harness wire could you indicate in steps 1, 2, and 3. I what to make sure I'm doing it correctly. Thank you so much.
James
Oct 10, 2024 at 5:06 PM
Advertisement
Avatar
CANNON1349
  • CERTIFIED EXPERT
  • 861 POSTS
Hello,

No problem. However, the diagram above is for the starting circuit. The procedure will begin with checking Terminal 30 of connector E5 of the IPDM, make sure you get battery voltage (12.6v) when the transmission is in Park or Neutral, and 0 volts in any other gear.

If it is normal, then we can focus on the wiring diagram I sent above. If it is not normal, then we need to keep probing wires between the transmission and the IPDM because the TCM plays a part in starting the vehicle.

Let us know,
William
Oct 10, 2024 at 6:18 PM
Avatar
  • MEMBER
  • 6 POSTS
I when through the procedures as you had given me. During my research trying to locate the problem I had a friend run another diagnostic with his scanner and he came up with several engine codes, and one that I had not detected P0335 a wiring problems, sensor damage, or issues with the reluctor wheel Engine Camshaft Position Sensors. He said that was not unusual for one bad sensor to send several false codes. The engine in the 2010 Infiniti has two camshaft position sensors. One of the sensors indicated that it was nor reading correctly. He suggested to go ahead and change both sensor. After changing the sensors, checking the wiring and clearing the codes we drove it for several miles. The check engine light stayed off. I have drove it approximately 100 miles and the light has not come on. Thank you so much for your advice it was greatly appreciate. I learned a lot by going through your set procedures. Something that I had not got in to before.
Nov 14, 2024 at 11:35 AM
Avatar
  • MEMBER
  • 6 POSTS
The problem I had was the instruction you gave was not clear enough. Like you would say check was normal. I didn't know for sure what normal would have been. Also when you would say check from one point to another that was a little confusing not know where the place/point to begin with.
But over all it was a great experience, I hope the check engine light stay off and I just did clear it by moving the wires around and clear a short. If it does I'll look to you for help. Have a blessed day, James
Nov 14, 2024 at 11:48 AM
Avatar
JACOBANDNICKOLAS
  • CERTIFIED EXPERT
  • 110,175 POSTS
Hi,

I noticed you haven't been contacted for a few days. Has the problem been resolved?

Let me know.

Joe
Nov 17, 2024 at 8:16 PM