Electrical problem V8 Four Wheel Drive Automatic 133071 miles
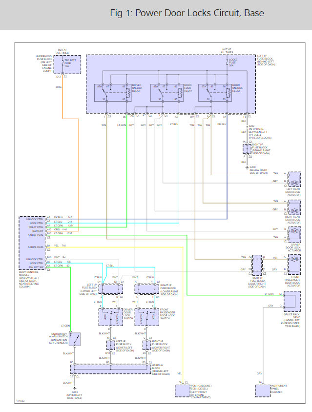
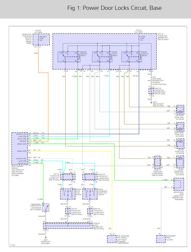
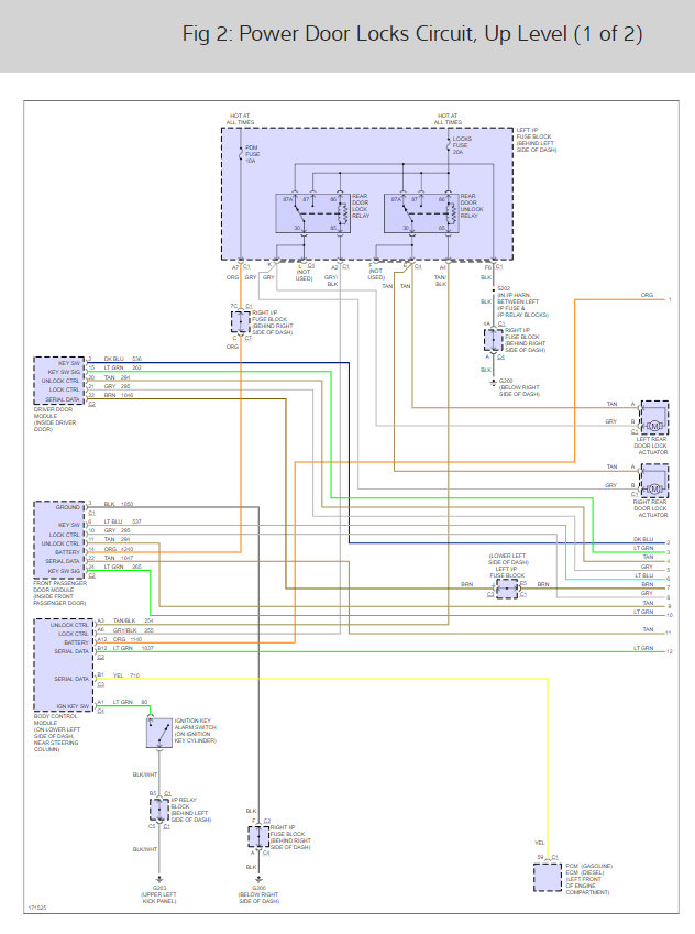
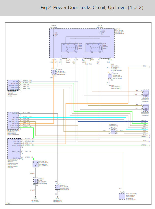
Here is the problem, when you lock the door all four doors will lock. When you unlock the doors only the front two will unlock. I thought maybe the relays so I found them and swapped them out they both had the same part number. The problem changed when you unlock the doors all four will unlock but when you lock them only the front two will lock and you can open the back two door and not set off the alarm system. I think I am chasing a wiring problem need a schematic to help trouble shoot or is there another relay that I don't know about.
Here is the problem, when you lock the door all four doors will lock. When you unlock the doors only the front two will unlock. I thought maybe the relays so I found them and swapped them out they both had the same part number. The problem changed when you unlock the doors all four will unlock but when you lock them only the front two will lock and you can open the back two door and not set off the alarm system. I think I am chasing a wiring problem need a schematic to help trouble shoot or is there another relay that I don't know about.
Jul 3, 2010 at 8:55 AM



