Brake lights not working?

2006 CHEVROLET COLORADO
Avatar
KICKFLIP666777
  • MEMBER
  • 1 POST
Electrical problem 4 cyl Two Wheel Drive Automatic 40000 miles

The brake lights do not work, however, when I lock my car they flash so it's not a bulb issue. The cruise control doesn't work and the brake switch shares a fuse with it, but the fuse is not blown. Any answers?
Apr 7, 2010 at 2:17 PM
Advertisement
Avatar
STRAILER
  • CERTIFIED EXPERT
  • 53,855 POSTS
It sounds like you have a brake light switch that is not triggering the BCM. Here is a guide and some wiring diagrams (below) to help you confirm the failure.

Here is a guide to help you test trough the switch

https://www.2carpros.com/articles/how-to-use-a-voltmeter

Please let us know what happens.

Cheers, Ken
Oct 13, 2017 at 3:19 PM
Avatar
ANDREWARBAUGH
  • MEMBER
  • 1 POST
Left brake light and left front turn signal don't work as such, but the light bulbs work when used for parking lamp and rear turn signal. the left brake light doesn't turn on when the brake is pushed, but the top bulb works when the headlamps are on and the second bulb works for the turn signal. right side brake light functions normally. the front left turn signal doesn't work but the bulb is on when in park. what can i do to fix this?
Oct 13, 2017 at 3:20 PM (Merged)
Advertisement
Avatar
FIXITMR
  • CERTIFIED EXPERT
  • 9,990 POSTS
have you checked effected bulbs? are they dual element?
Oct 13, 2017 at 3:20 PM (Merged)
Avatar
RUSS0196
  • MEMBER
  • 5 POSTS
brake lights quit working on me. bulbs look good and the brake switch tested good with volt meter. Im stumped and need help.
Oct 13, 2017 at 3:20 PM (Merged)
Avatar
JDL
  • CERTIFIED EXPERT
  • 16,098 POSTS
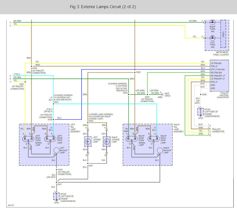
Do you have highmount brake lite on this vehicle, does it work? If neither works, have to check voltage to and from brake switch. Maybe you already did?
Oct 13, 2017 at 3:20 PM (Merged)
Avatar
JDL
  • CERTIFIED EXPERT
  • 16,098 POSTS
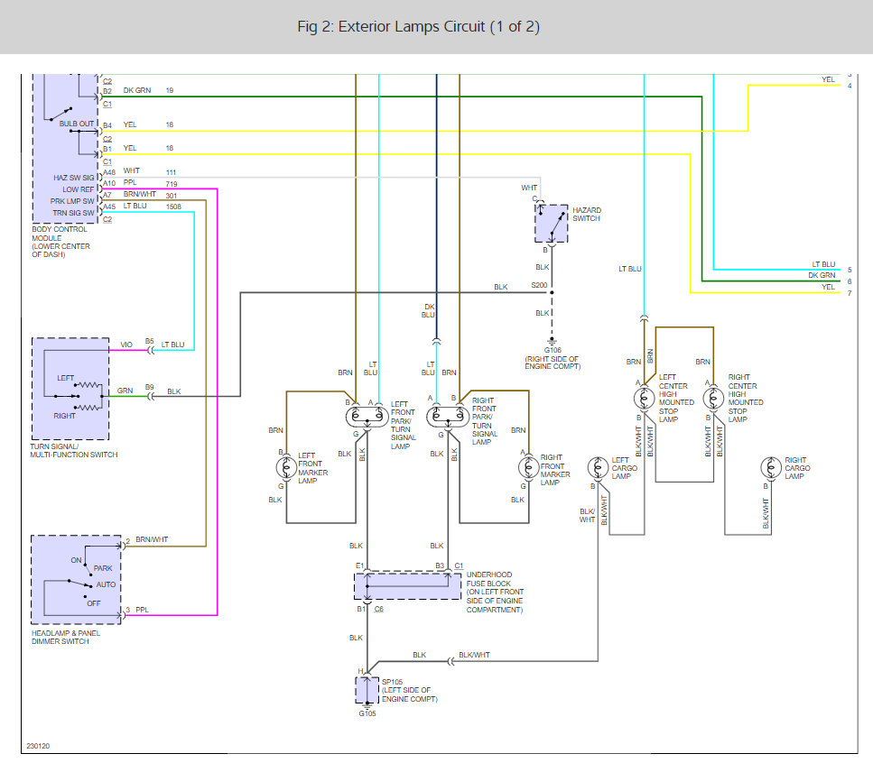
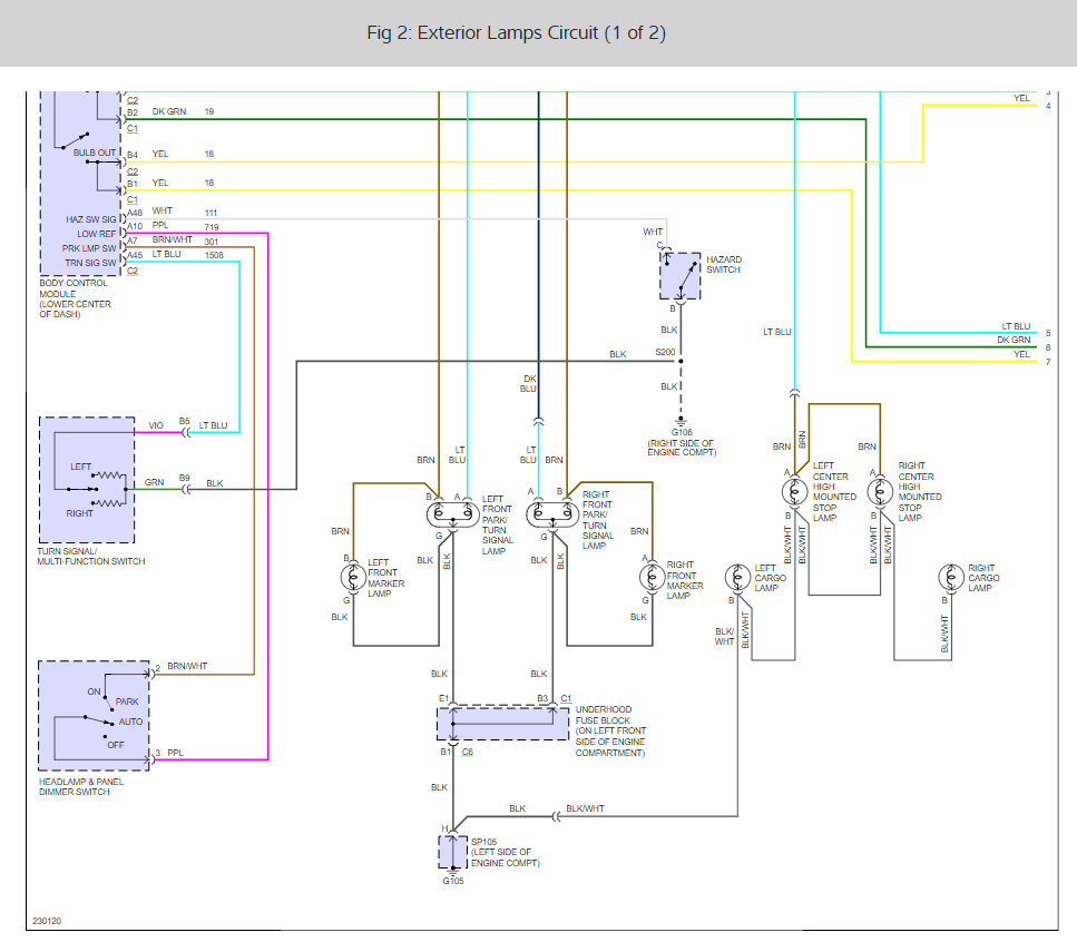
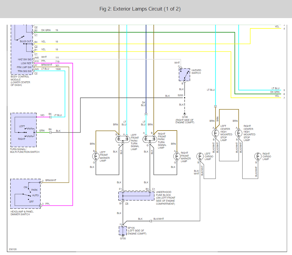
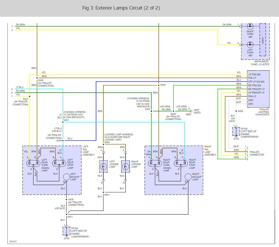
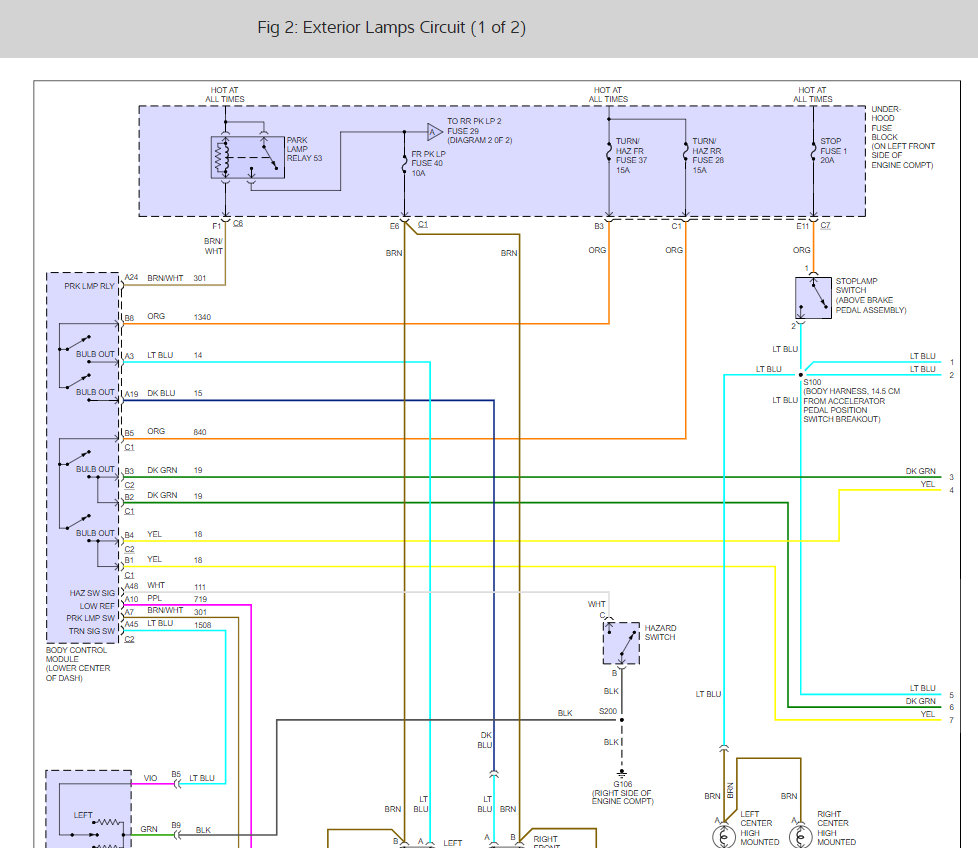
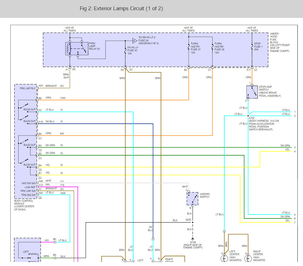
Just wanted to add the diagram. The orange wire carries voltage to brake switch. When brake switch is activated, the lite blue wire carries voltage for brake lamps. Did you check brake fuse?
Oct 13, 2017 at 3:20 PM (Merged)
Avatar
RUSS0196
  • MEMBER
  • 5 POSTS
wow thanks for the fast reply. I have checked voltage from both orange and blue wires and everything checks out the circuit opens and closes.I even checked voltage at my trailer hook up in the back and it gets 12 bolt while pressing on the brake and 0 when depressed.
Oct 13, 2017 at 3:20 PM (Merged)
Avatar
RUSS0196
  • MEMBER
  • 5 POSTS
oh also yes I have checked the fuse.
Oct 13, 2017 at 3:20 PM (Merged)
Avatar
RICKY749
  • MEMBER
  • 1 POST
2005 Chevy Colorado

my colorado's brake lights dont work it has good
connection, good fuses , and good bulbs dont know problem.
Oct 13, 2017 at 3:20 PM (Merged)
Avatar
JACOBANDNICKOLAS
  • CERTIFIED EXPERT
  • 110,175 POSTS
At the top of the brake pedal is the brake light switch. Make sure it is adjusted and is getting power both in and out.
Oct 13, 2017 at 3:20 PM (Merged)
Avatar
JDL
  • CERTIFIED EXPERT
  • 16,098 POSTS
At the rear tail-lamp assembly, did you check for voltage at the light blue wire with brake switch activated? Anything there? Also, the black wire is ground, check that, also. Note some of your other rear lamps use the same ground as the brake lite.
Oct 13, 2017 at 3:20 PM (Merged)
Avatar
JDL
  • CERTIFIED EXPERT
  • 16,098 POSTS
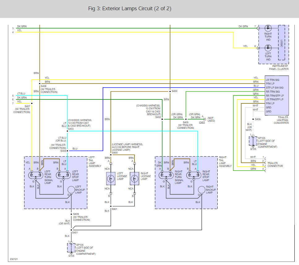
Sorry, that last diagram was wrong. I grabbed the wrong one.
Oct 13, 2017 at 3:20 PM (Merged)
Avatar
JDL
  • CERTIFIED EXPERT
  • 16,098 POSTS
I'll try it, again.
Oct 13, 2017 at 3:20 PM (Merged)
Avatar
RUSS0196
  • MEMBER
  • 5 POSTS
Ok. I have just tested the blue wire at the tail light. I dont know if this means anything bit im getting .08 volts when peddle is pressed and zero when depressed. Thought! Could the voltage be getting drawn elswhere? i tested the connections under the truck where the wires split off to each light assembly and I get 12 volts at the connector to the T and 12 volts after.
Oct 13, 2017 at 3:20 PM (Merged)
Avatar
RUSS0196
  • MEMBER
  • 5 POSTS
Hello...so after some more thought I just decided to use my reverse bulb in the brake socket and wala it works. I inspected both bulbs well and they did not look bad, the filament was still intact but I guess they were both bad. I appreciate all the help you gave me and I will be using car pros from now on if I need it
Oct 13, 2017 at 3:20 PM (Merged)
Avatar
JDL
  • CERTIFIED EXPERT
  • 16,098 POSTS
I'm glad you got it going your way.
Oct 13, 2017 at 3:20 PM (Merged)